LEMON Manuals: Even more car manuals for everyone: 1960-2025
Home >> Lexus >> 2003 >> LS 430 >> Repair and Diagnosis >> External Pages >> Different car >> Section 935 (Suspension Control System) >> Suspension Control System >> Components
April 5, 2026: LEMON Manuals is launched! Read the announcement.

Suspension Control System: Components

WARNING: This page is about a different car, the 2005 Toyota 4Runner. However, it is still accessible from the selected car via links, so may be relevant.
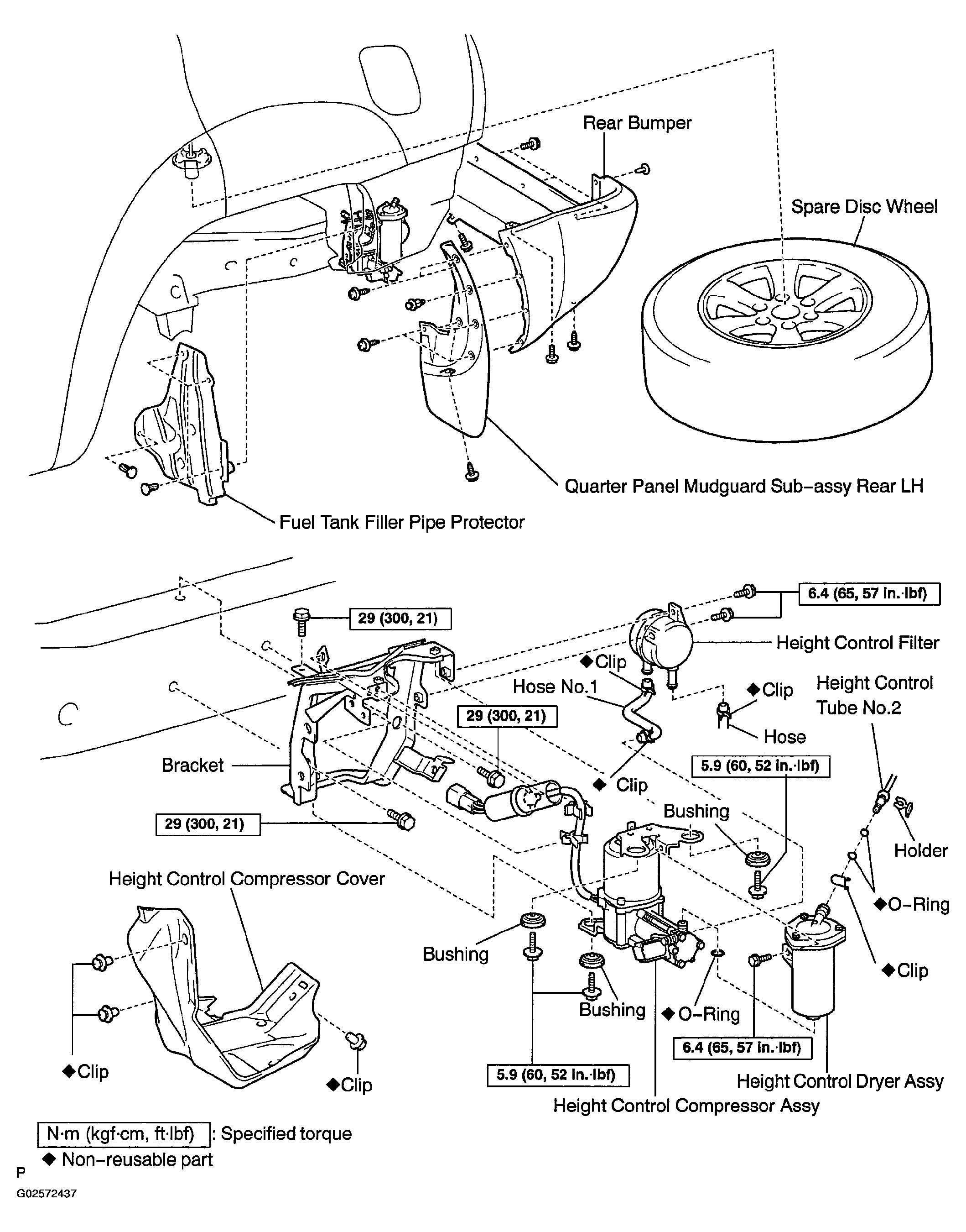
Fig 1: Identifying Suspension Control System Components (1 Of 3)
G02572437Courtesy of © TOYOTA, LICENSE AGREEMENT TMS1002
Fig 2: Identifying Suspension Control System Components (2 Of 3)
G02572438Courtesy of © TOYOTA, LICENSE AGREEMENT TMS1002
Fig 3: Identifying Suspension Control System Components (3 Of 3)
G02572439Courtesy of © TOYOTA, LICENSE AGREEMENT TMS1002