LEMON Manuals: Even more car manuals for everyone: 1960-2025
Home >> Lexus >> 2003 >> LX 470 V8-4.7L (2UZ-FE) >> Repair and Diagnosis >> Diagrams >> Exploded Views >> Control Assembly, HVAC
April 5, 2026: LEMON Manuals is launched! Read the announcement.

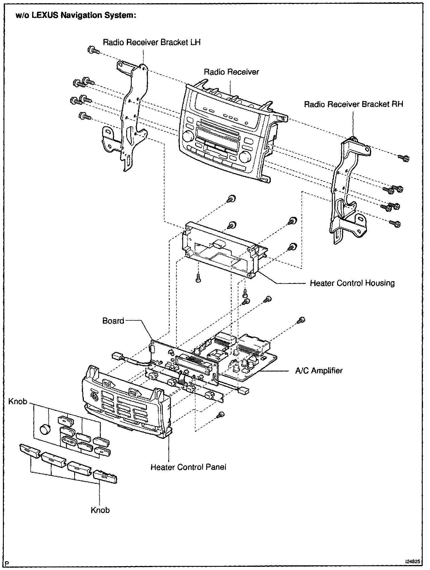
Control Assembly, HVAC

Air Conditioning Control Assembly Part 1:



Air Conditioning Control Assembly Part 2:



Air Conditioning Control Assembly Part 3: