LEMON Manuals: Even more car manuals for everyone: 1960-2025
Home >> Lexus >> 2003 >> LX 470 >> Repair and Diagnosis >> Engine Performance >> System >> Engine Controls - System & Component Testing >> Computerized Engine Controls >> Cranking Hold Function Circuit >> Diagnosis & Repair (With Hand-Held Tester)
April 5, 2026: LEMON Manuals is launched! Read the announcement.

Diagnosis & Repair (With Hand-Held Tester)

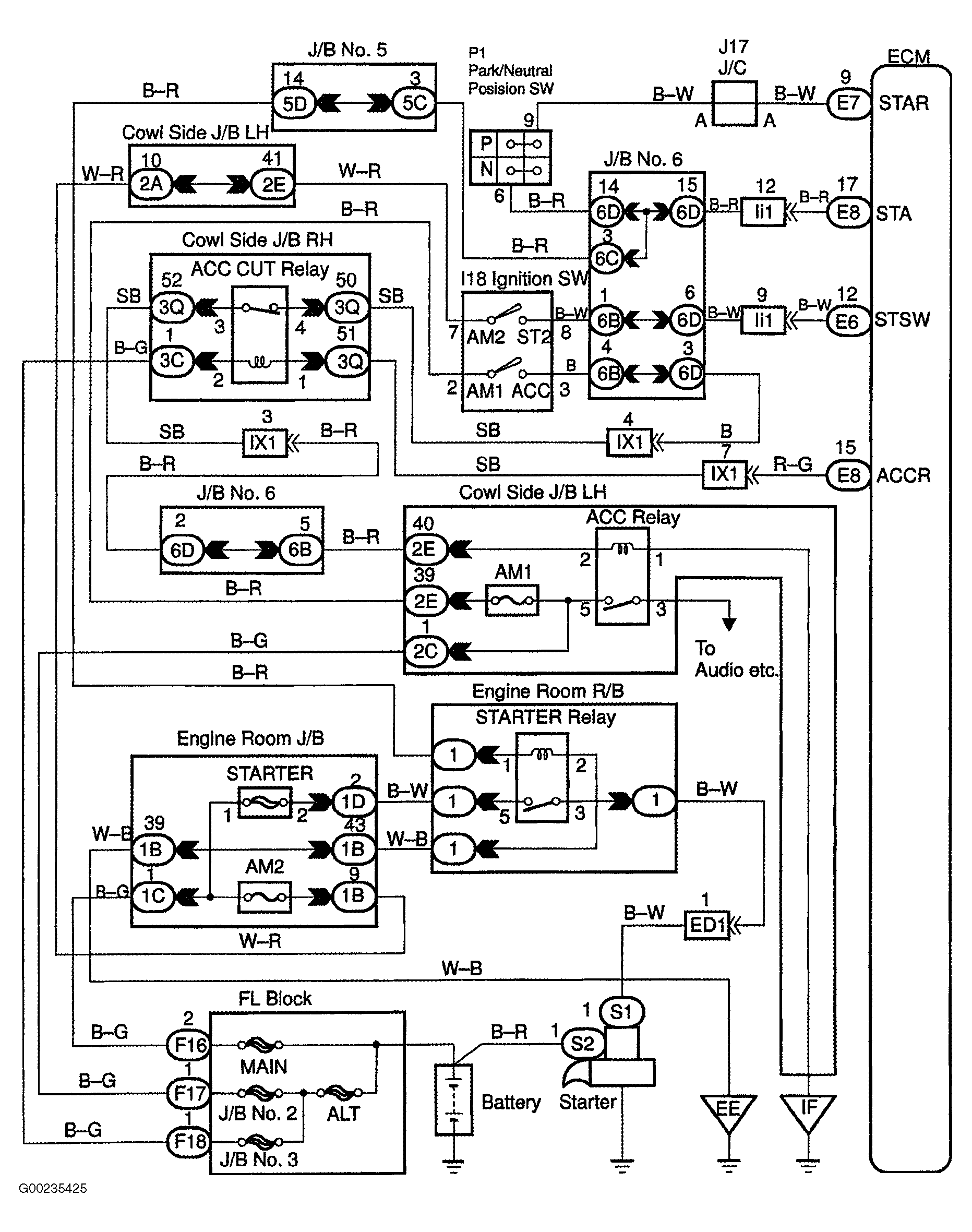
For wiring diagram, see Fig 1. For diagnosis and repair, see Fig 2-Fig 4 .

Fig 1: Cranking Hold Function Circuit Wiring Diagram
G00235425Courtesy of © TOYOTA, LICENSE AGREEMENT TMS1002
Fig 2: Diagnosis & Repair Of Cranking Hold Function Circuit (Step 1-3)
G00235426Courtesy of © TOYOTA, LICENSE AGREEMENT TMS1002
Fig 3: Diagnosis & Repair Of Cranking Hold Function Circuit (Step 4-6)
G00235427Courtesy of © TOYOTA, LICENSE AGREEMENT TMS1002
Fig 4: Diagnosis & Repair Of Cranking Hold Function Circuit (Step 7-8)
G00235428Courtesy of © TOYOTA, LICENSE AGREEMENT TMS1002