LEMON Manuals: Even more car manuals for everyone: 1960-2025
Home >> Lexus >> 2003 >> LX 470 >> Repair and Diagnosis >> Engine Performance >> System >> Engine Controls - System & Component Testing >> Fuel Systems >> Fuel Pump Control Circuit >> Diagnosis & Repair (With Hand-Held Tester)
April 5, 2026: LEMON Manuals is launched! Read the announcement.

Diagnosis & Repair (With Hand-Held Tester)

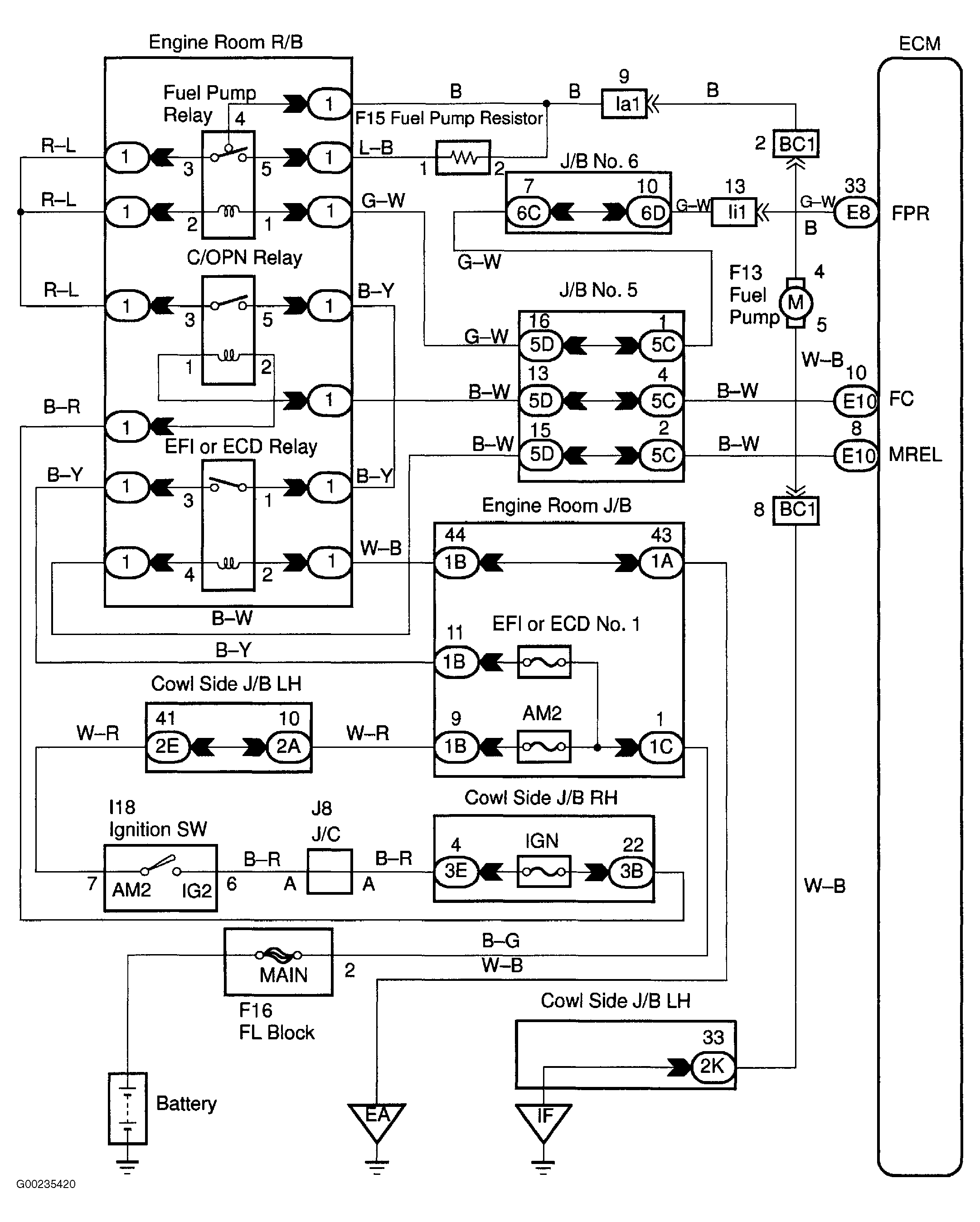
For wiring diagram, see Fig 1. For diagnosis and repair, see Fig 2 and Fig 3 .

Fig 1: Fuel Pump Control Circuit Wiring Diagram
G00235420Courtesy of © TOYOTA, LICENSE AGREEMENT TMS1002
Fig 2: Diagnosis & Repair Of Fuel Pump Control Circuit (Step 1-5)
G00235421Courtesy of © TOYOTA, LICENSE AGREEMENT TMS1002
Fig 3: Diagnosis & Repair Of Fuel Pump Control Circuit (Step 6-8)
G00235422Courtesy of © TOYOTA, LICENSE AGREEMENT TMS1002