LEMON Manuals: Even more car manuals for everyone: 1960-2025
Home >> Lexus >> 2003 >> SC 430 >> Repair and Diagnosis >> External Pages >> Different car >> Section 214 (Wireless Door Lock Control System (W/Smart Key System) - Diagnosis) >> Ecu Power Source Circuit >> Wiring Diagram
April 5, 2026: LEMON Manuals is launched! Read the announcement.

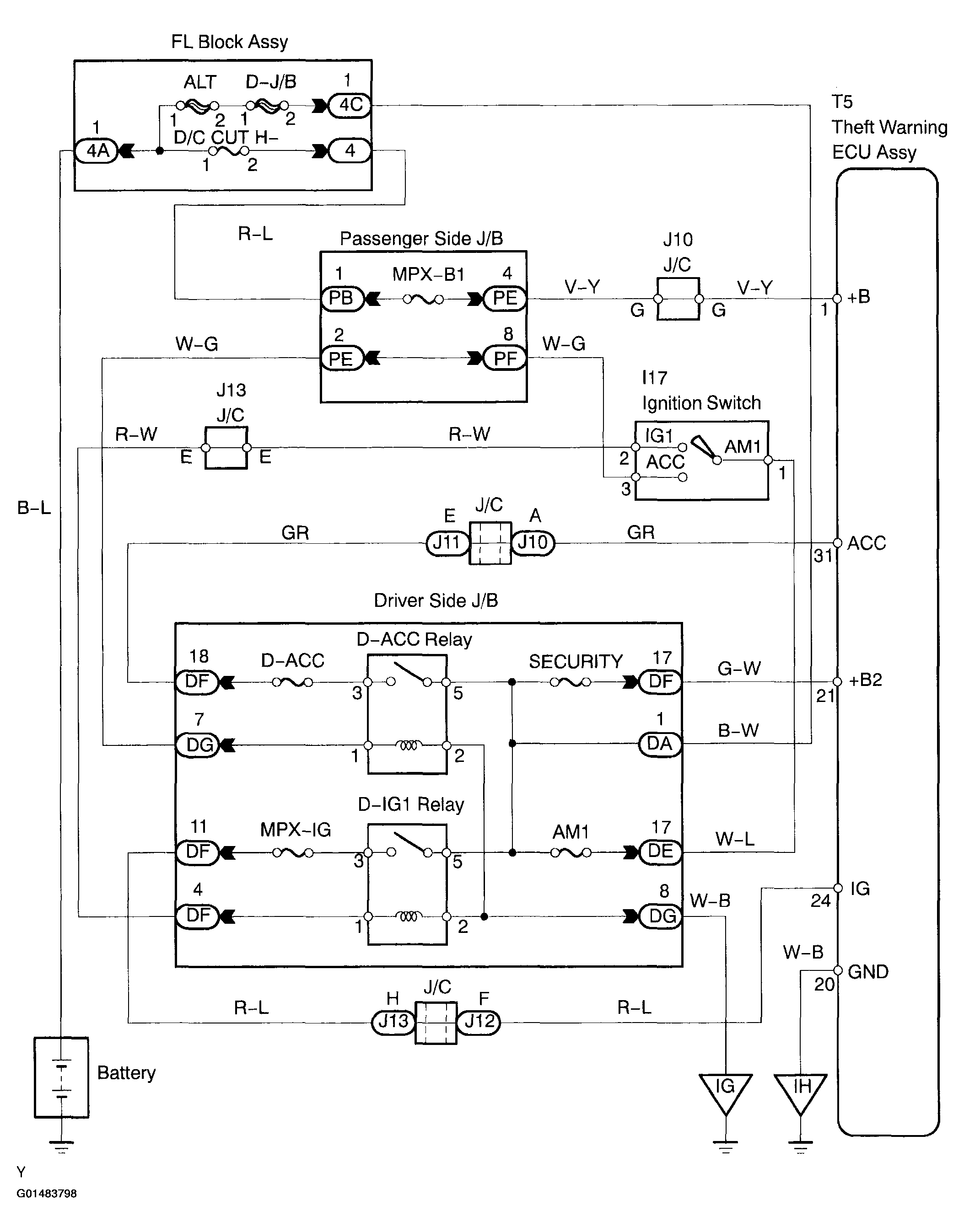
Ecu Power Source Circuit: Wiring Diagram

WARNING: This page is about a different car, the 2004 Lexus LS 430. However, it is still accessible from the selected car via links, so may be relevant.
Fig 1: Identifying ECU Power Source Circuit Wiring Diagram
G01483798Courtesy of © TOYOTA, LICENSE AGREEMENT TMS1002