LEMON Manuals: Even more car manuals for everyone: 1960-2025
Home >> Lexus >> 2003 >> SC 430 >> Repair and Diagnosis >> External Pages >> Different car >> Section 366 (Rain Sensor System - Diagnosis) >> Circuit Inspection >> Wiper Control ECU Power Source Circuit >> Wiring Diagram
April 5, 2026: LEMON Manuals is launched! Read the announcement.

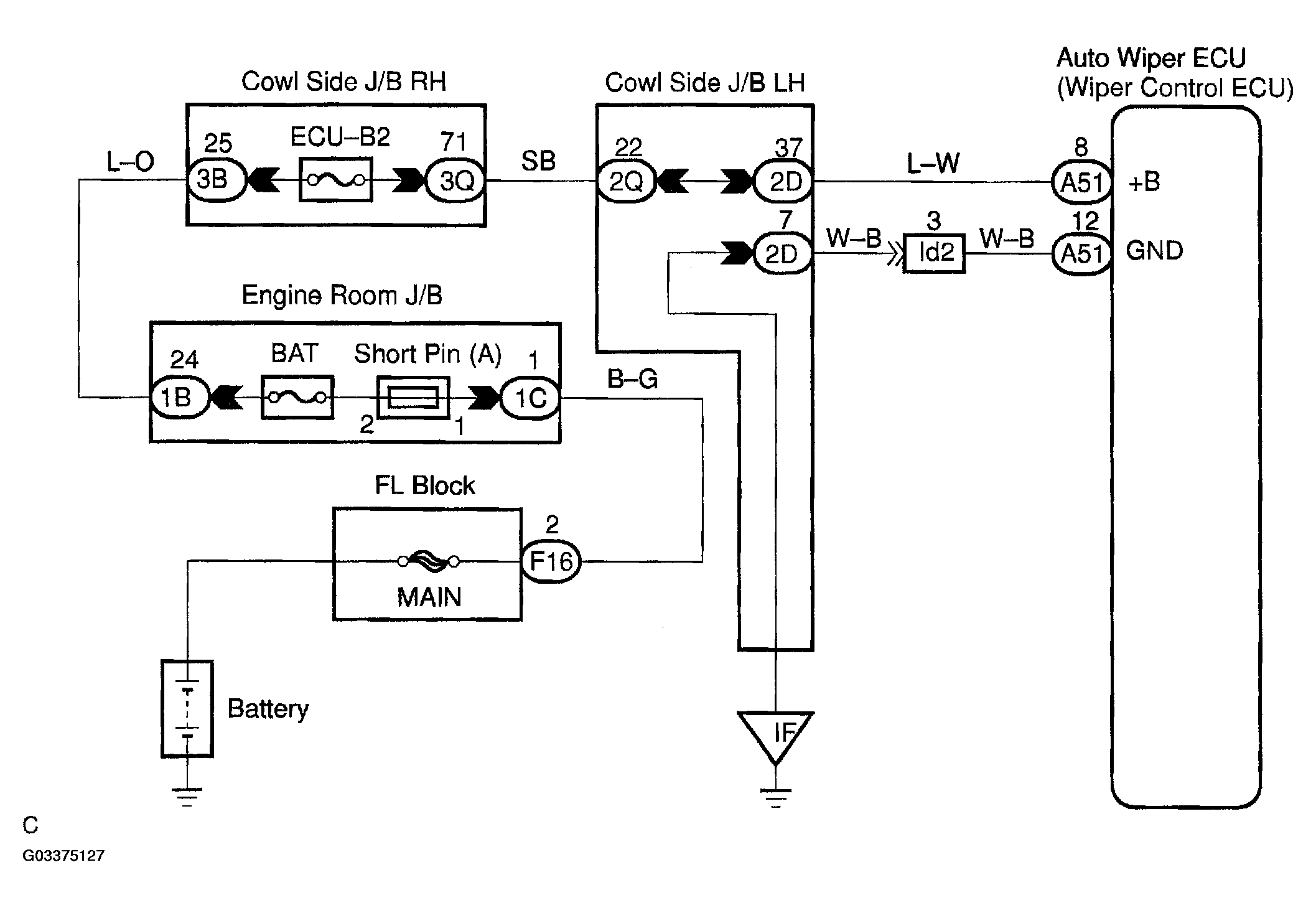
Wiper Control ECU Power Source Circuit: Wiring Diagram

WARNING: This page is about a different car, the 2003 Lexus LX 470. However, it is still accessible from the selected car via links, so may be relevant.
Fig 1: Wiper Control ECU Power Source Circuit Wiring Diagram
G03375127Courtesy of © TOYOTA, LICENSE AGREEMENT TMS1002