LEMON Manuals: Even more car manuals for everyone: 1960-2025
Home >> Lexus >> 2003 >> SC 430 >> Repair and Diagnosis >> External Pages >> Different car >> Section 516 (LEXUS Navigation System - Diagnosis) >> Circuit Inspection >> Power Source Circuit (Network Gateway ECU) >> Wiring Diagram
April 5, 2026: LEMON Manuals is launched! Read the announcement.

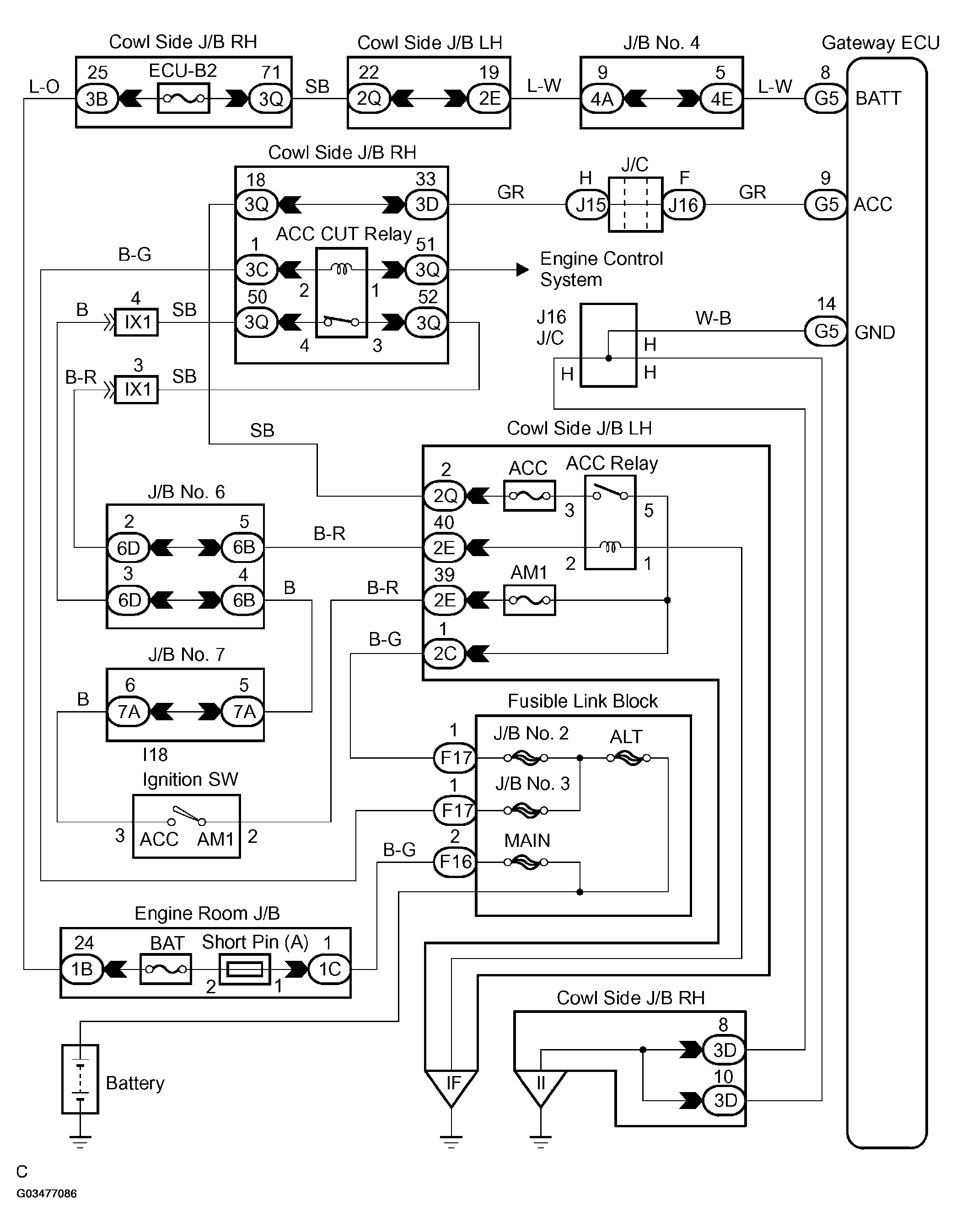
Power Source Circuit (Network Gateway ECU): Wiring Diagram

WARNING: This page is about a different car, the 2004 Lexus LX 470. However, it is still accessible from the selected car via links, so may be relevant.
Fig 1: Wiring Diagram - Power Source Circuit (Network Gateway ECU)
G03477086Courtesy of © TOYOTA, LICENSE AGREEMENT TMS1002