LEMON Manuals: Even more car manuals for everyone: 1960-2025
Home >> Lexus >> 2003 >> SC 430 >> Repair and Diagnosis >> External Pages >> Different car >> Section 70 (Electronic - Active Height Control) >> Diagnostic Trouble Code Definitions >> DTC C1788 >> Testing Procedure
April 5, 2026: LEMON Manuals is launched! Read the announcement.

Testing Procedure

WARNING: This page is about a different car, the 2002 Lexus LX 470. However, it is still accessible from the selected car via links, so may be relevant.

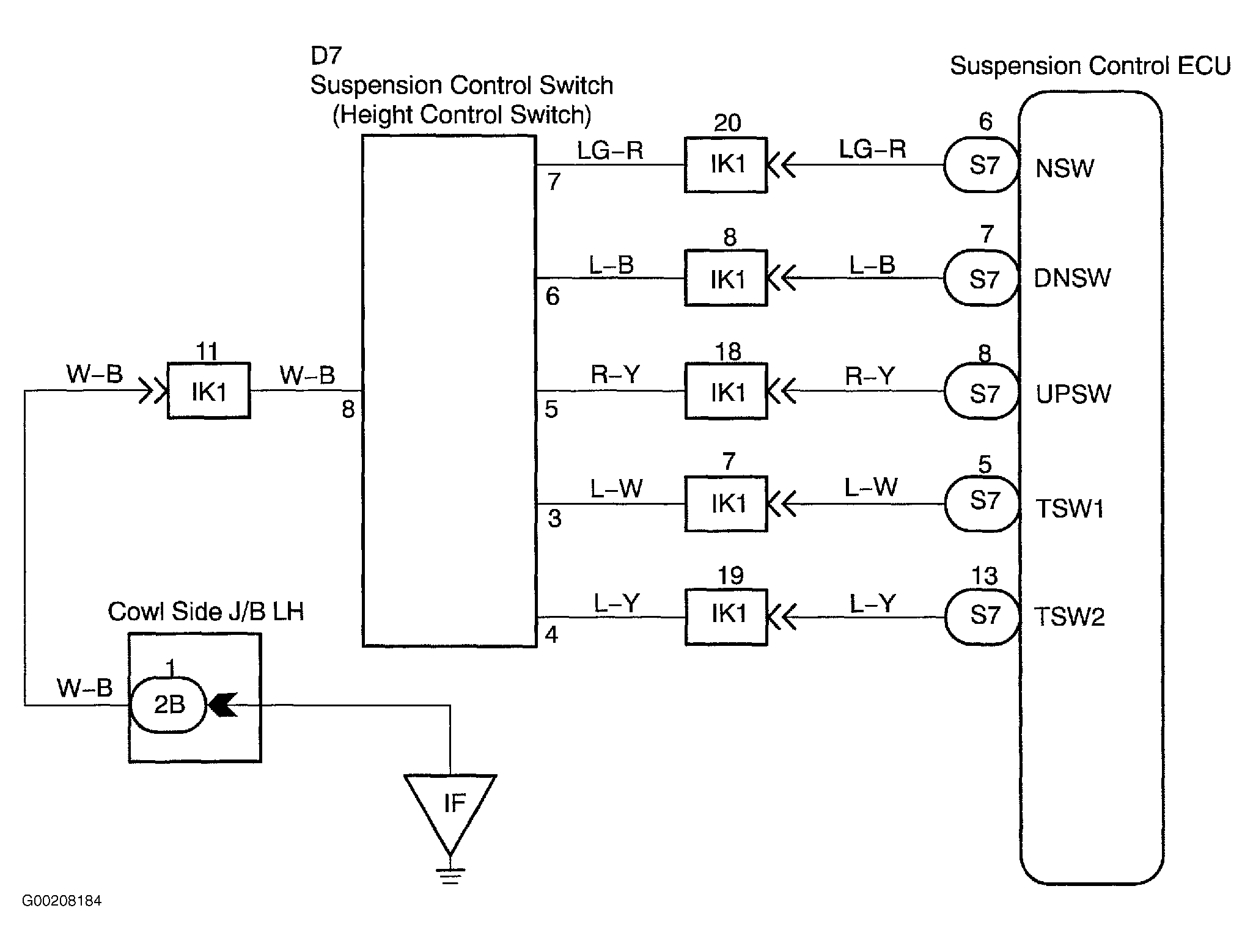
For wiring diagram, see Fig 1. For testing procedure, see Fig 2 and Fig 3 .

Fig 1: Wiring Diagram Height Control Switch Circuit
G00208184Courtesy of © TOYOTA, LICENSE AGREEMENT TMS1002
Fig 2: Testing Procedure Height Control Switch Circuit (1 Of 2)
G00208185Courtesy of © TOYOTA, LICENSE AGREEMENT TMS1002
Fig 3: Testing Procedure Height Control Switch Circuit (2 Of 2)
G00208186Courtesy of © TOYOTA, LICENSE AGREEMENT TMS1002