LEMON Manuals: Even more car manuals for everyone: 1960-2025
Home >> Lexus >> 2005 >> ES 330 >> Repair and Diagnosis >> External Pages >> Different car >> Section 143 (Can Communication System - Diagnostics) >> Yaw Rate Sensor Communication Stop Mode >> Wiring Diagram
April 5, 2026: LEMON Manuals is launched! Read the announcement.

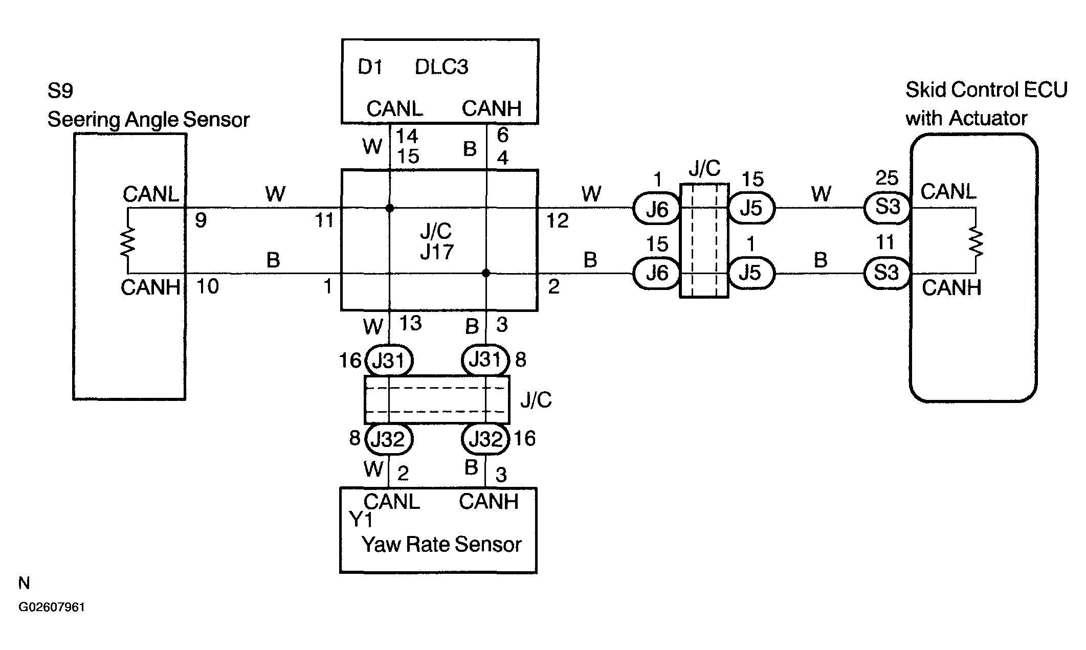
Yaw Rate Sensor Communication Stop Mode: Wiring Diagram

WARNING: This page is about a different car, the 2005 Toyota Sienna. However, it is still accessible from the selected car via links, so may be relevant.
Fig 1: Yaw Rate Sensor - Wiring Diagram
G02607961Courtesy of © TOYOTA, LICENSE AGREEMENT TMS1002