LEMON Manuals: Even more car manuals for everyone: 1960-2025
Home >> Lexus >> 2005 >> GS 430 V8-4.3L (3UZ-FE) >> Repair and Diagnosis >> Powertrain Management >> Computers and Control Systems >> Information Bus >> Diagrams >> Electrical Diagrams >> Multiplex Communication System >> Multiplex Communication System Part 5
April 5, 2026: LEMON Manuals is launched! Read the announcement.

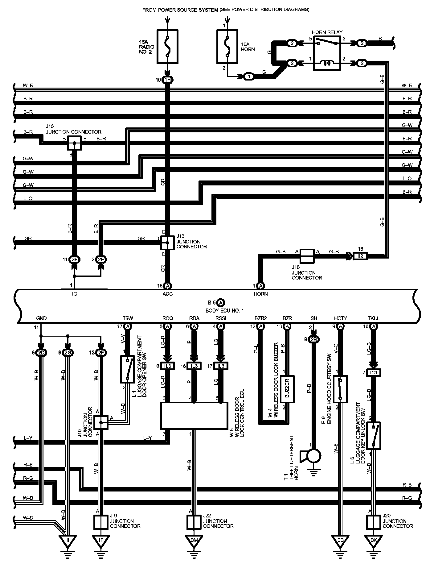
Multiplex Communication System Part 5

Multiplex Communication System Part 5:




Diagram Legend Part 1:




Diagram Legend Part 2:






Next Diagram Multiplex Communication System Part 6

Previous Diagram Multiplex Communication System Part 4

Locations: The locations of components, connectors, ground points, and splices referred to within these diagrams can be found at Vehicle Locations. Locations

Connector Views: The connector views for connectors referred to within these diagrams can be found at the Vehicle level Connector Views. Connector Views