LEMON Manuals: Even more car manuals for everyone: 1960-2025
Home >> Lexus >> 2005 >> GX 470 >> Repair and Diagnosis >> Body & Frame >> Seats >> Front Power Seat Control System (W/Memory) - Diagnostics >> Power Source Circuit >> Wiring Diagram
April 5, 2026: LEMON Manuals is launched! Read the announcement.

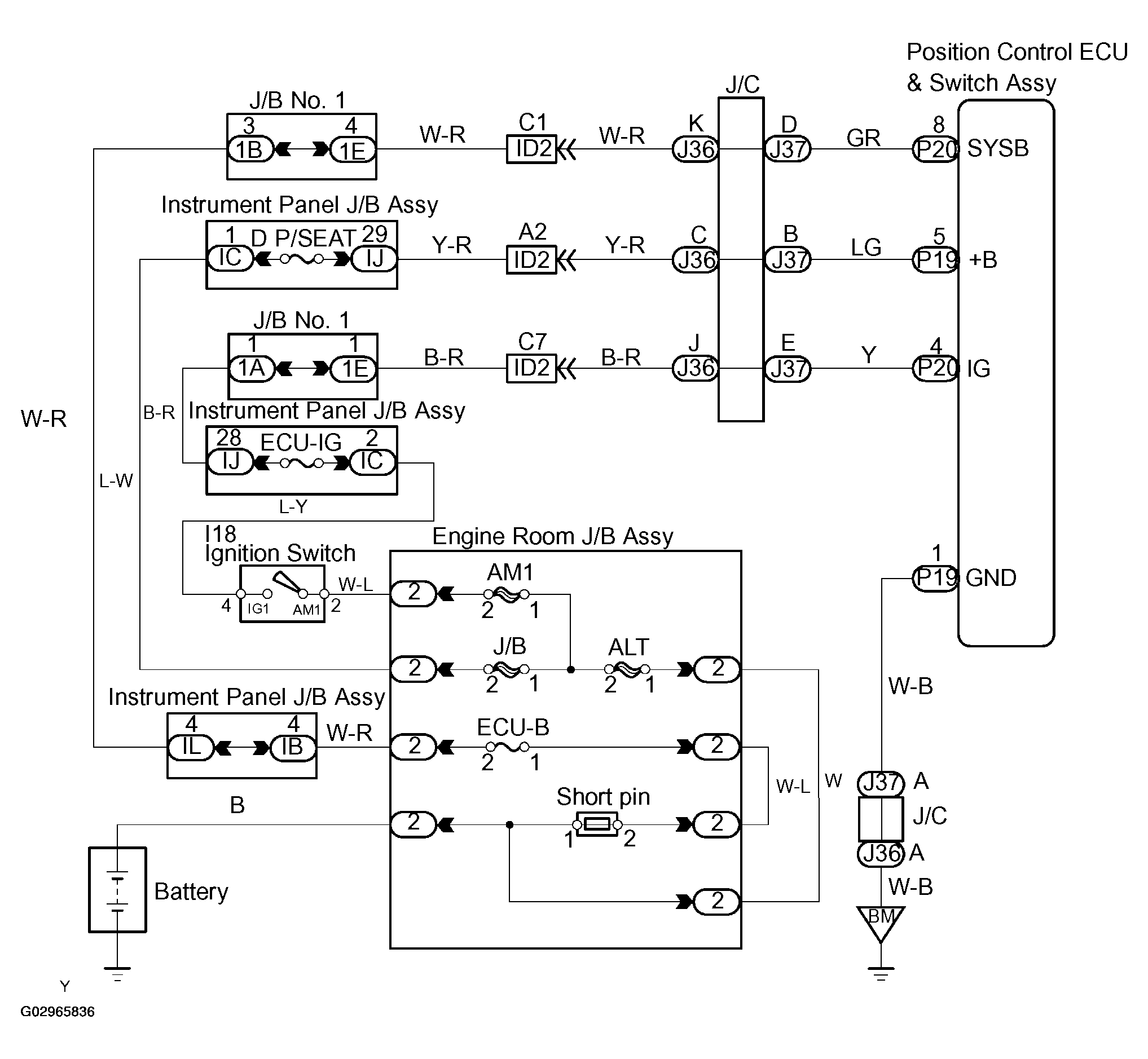
Power Source Circuit: Wiring Diagram

Fig 1: Power Source Circuit Wiring Diagram
G02965836Courtesy of © TOYOTA, LICENSE AGREEMENT TMS1002