LEMON Manuals: Even more car manuals for everyone: 1960-2025
Home >> Lexus >> 2005 >> GX 470 >> Repair and Diagnosis >> Body & Frame >> Windows >> Windshield/WINDOWGLASS/Mirror >> Windshield Glass >> Replacement
April 5, 2026: LEMON Manuals is launched! Read the announcement.

Windshield Glass: Replacement

HINT:

The installation is in the reverse order of the removal. However, when there is a special point concerning the installation, it is indicated.

  1. REMOVE ROOF HEADLINING ASSY (SEE  REPLACEMENT  ) 
    1. Remove the front door weatherstrip LH.
    2. Remove the front door weatherstrip RH.
    3. Remove the 2 assist grips.
    4. Remove the front pillar garnish LH.
    5. Remove the front pillar garnish RH.
    6. Remove the 2 visor bracket covers.
    7. Remove the LH visor assy.
    8. Remove the RH visor assy.
    9. Remove the center visor assy LH.
    10. Remove the center visor assy RH.
    11. Remove the 2 visor holders.
    12. Remove the roof console box assy.
    13. Remove the roof headlining assy.
  2. REMOVE INNER REAR VIEW MIRROR ASSY (See  REPLACEMENT   ) 
  3. REMOVE COWL TOP VENTILATOR LOUVER SUB-ASSY (SEE  WINDSHIELD WIPER MOTOR ASSY  ) 
    1. Remove the 2 front wiper arm covers.
    2. Remove the FR wiper arm LH.
    3. Remove the FR wiper arm RH.
    4. Remove the front fender to the cowl side seal LH.
    5. Remove the front fender to the cowl side seal RH.
    6. Remove the cowl top ventilator louver.
  4. REMOVE RAIN SENSOR (SEE  RAIN SENSOR  ) 
  5. REMOVE WINDSHIELD MOLDING OUTSIDE LH (SEE  REPLACEMENT  ) 
  6. REMOVE WINDSHIELD MOLDING OUTSIDE RH (SEE  REPLACEMENT  ) 
  7. REMOVE WINDSHIELD MOLDING OUTER UPPER 
    1. Using a knife, cut off the molding, as shown in Fig 1.
      NOTE: Do not damage the body with the knife.
    2. Remove the remaining molding.

      HINT:

      When removing, partially cut, pull and remove it by hand.

      Fig 1: Cutting Off Molding
      G02963195Courtesy of © TOYOTA, LICENSE AGREEMENT TMS1002
  8. REMOVE WINDSHIELD GLASS 
    1. Pass a piano wire between the body and glass from the interior.
      Fig 2: Passing Piano Wire Between Body & Glass From Interior
      G02963196Courtesy of © TOYOTA, LICENSE AGREEMENT TMS1002
    2. Tie both wire ends to wooden blocks or similar objects.

      HINT:

      Apply protective tape to the outer surface to prevent the surface from being scratched.

      NOTE:
      • When separating the glass, take care not to damage the paint and the interior and exterior ornaments.
      • To prevent the safety pad from being scratched when removing the glass, place a plastic sheet between the piano wire and safety pad.
        Fig 3: Tying Both Wire Ends To Wooden Blocks
        G02963197Courtesy of © TOYOTA, LICENSE AGREEMENT TMS1002
    3. Cut off the adhesive by pulling the piano wire around the glass.
    4. Disengage the stoppers.
    5. Using a suction cup, remove the glass.
      NOTE: Leave as much adhesive on the body as possible when removing the glass.
  9. CLEAN WINDSHIELD GLASS 
    1. Using a scraper, remove the damaged stoppers, dam and adhesive sticking to the glass.
    2. Clean the outer circumference of the glass with white gasoline.
    NOTE:
    • Do not touch the glass surface after cleaning it.
    • Be careful not to damage the body.
      Fig 4: Removing Damaged Stoppers, Dam & Adhesive Sticking To Glass Using Scraper
      G02963198Courtesy of © TOYOTA, LICENSE AGREEMENT TMS1002
  10. INSTALL WINDSHIELD GLASS STOPPER NO.2 
    1. Coat the installation part of the stopper with Primer G.
      NOTE:
      • Allow the primer coating to dry for 3 minutes or more.
      • Do not keep any of the opened Primer G for later use.
      • Do not apply too much primer.
    2. Install 2 new windshield glass stoppers onto the glass, as shown in Fig 5.

      Dimension: 

      DIMENSION SPECIFICATION

      A 40.0 mm (1.575 in.)
      B 7.8 mm (0.307 in.)
      Fig 5: Installing New Windshield Glass Stoppers Onto Glass
      G02963199Courtesy of © TOYOTA, LICENSE AGREEMENT TMS1002
  11. INSTALL WINDSHIELD GLASS STOPPER NO.1 
    1. Install 2 new windshield glass stoppers to the body, as shown in Fig 6.
      Fig 6: Installing New Windshield Glass Stoppers To Body
      G02963200Courtesy of © TOYOTA, LICENSE AGREEMENT TMS1002
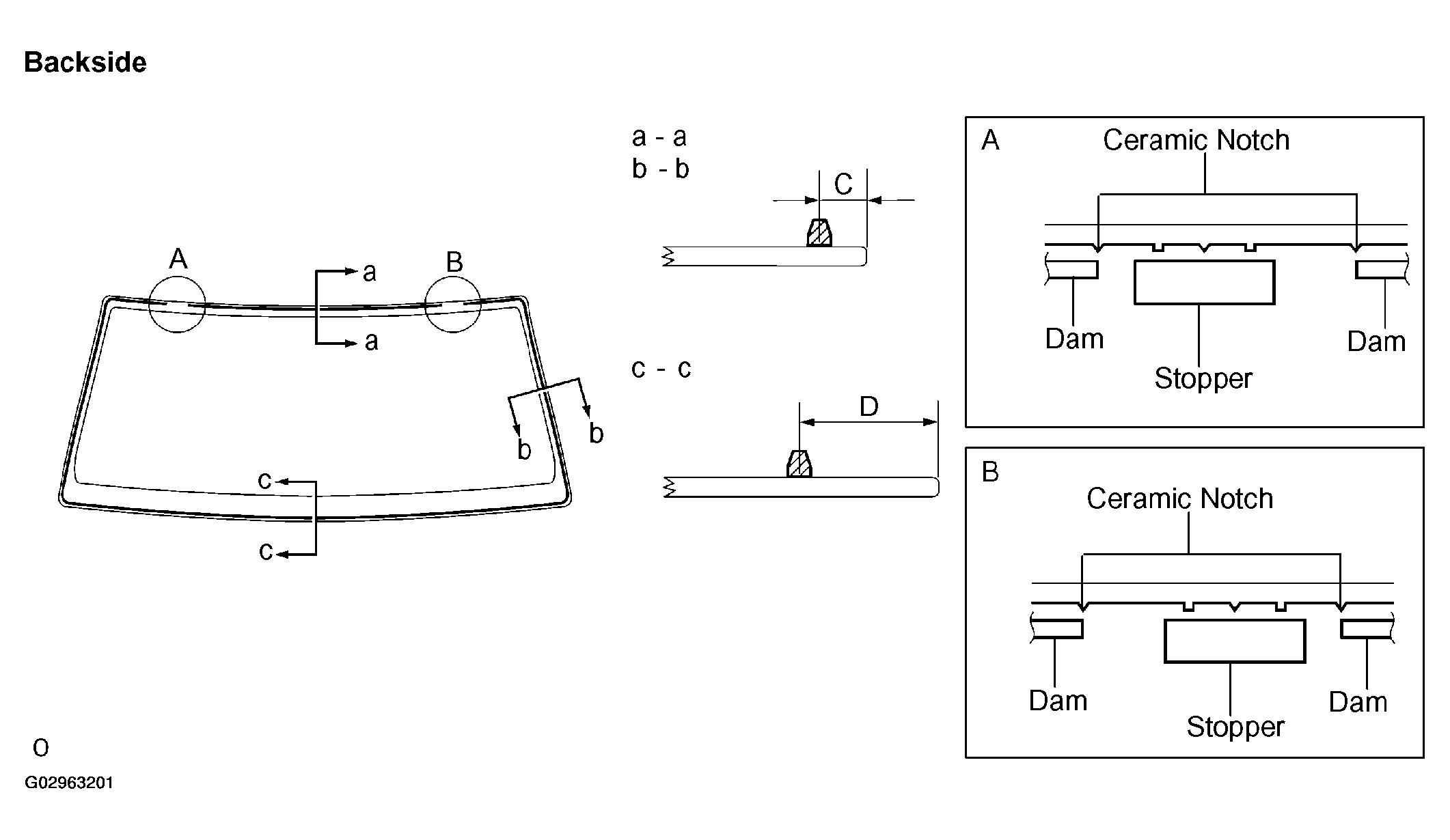
  12. INSTALL WINDOW GLASS ADHESIVE DAM 
    1. Coat the installation part of the window glass adhesive dam with Primer G.
      NOTE:
      • Allow the primer coating to dry for 3 minutes or more.
      • Do not apply too much primer.
    2. Install new dam applying double-sided tape all the way around the glass except where the dam is installed, as shown in Fig 7.
      Fig 7: Installing New Dam Applying Double-Sized Tape Around Glass
      G02963201Courtesy of © TOYOTA, LICENSE AGREEMENT TMS1002

    Dimensions: 

    DIMENSION SPECIFICATION

    C 9.5 mm (0.374 in.)
    D 31.4 mm (1.236 in.)
  13. INSTALL WINDSHIELD MOLDING OUTER UPPER 
    1. Using a brush or sponge, coat the edge of the glass and the contact surface with Primer G.
      NOTE:
      • Allow the primer coating to dry for 3 minutes or more.
      • Do not coat the adhesive with Primer G.
      • Do not keep any of the opened Primer G for later use.
    2. Install the windshield molding outer upper.
  14. INSTALL WINDSHIELD GLASS 
    1. Clean and shape the contact surface of the vehicle body.
      1. Using a knife, cut away any rough adhesive on the contact surface of the body to ensure the appropriate surface shape.

        HINT:

        Leave as much adhesive on the body as possible.

      2. Clean the contact surface of the body with a piece of shop rag saturated with cleaner.

        HINT:

        Even if all the adhesive has been removed, clean the body.

        Fig 8: Installing Windshield Glass
        G02963202Courtesy of © TOYOTA, LICENSE AGREEMENT TMS1002
    2. Position the glass.
      1. Using a suction cup, place the glass in the correct position.
      2. Check that the whole contact surface of the glass rim is perfectly even.
      3. Place reference marks between the glass and body.
        NOTE: Check that the stoppers are attached to the body correctly.

        HINT:

        When reusing the glass, check and correct the reference mark positions.

      4. Remove the glass.
        Fig 9: Placing Reference Marks Between Glass & Body
        G02963203Courtesy of © TOYOTA, LICENSE AGREEMENT TMS1002
    3. Using a brush, coat the exposed part of the body on the vehicle side with Primer M.
      NOTE:
      • Allow the primer coating to dry for 3 minutes or more.
      • Do not coat the adhesive with Primer M.
      • Do not keep any of the opened Primer M for later use.
        Fig 10: Coating Exposed Part Of Body On Vehicle Side With Primer M Using Brush
        G02963204Courtesy of © TOYOTA, LICENSE AGREEMENT TMS1002
    4. Using a brush or sponge, coat the edge of the glass and the contact surface with Primer G.

      HINT:

      If an area other than that specified is coated by accident, wipe off the primer with a clean shop rag before it dries.

      NOTE:
      • Allow the primer coating to dry for 3 minutes or more.
      • Do not keep any of the opened Primer G for later use.
        Fig 11: Coating Edge Of Glass & Contact Surface With Primer G Using Brush Or Sponge
        G02963205Courtesy of © TOYOTA, LICENSE AGREEMENT TMS1002
    5. Apply adhesive.

      Adhesive: Part No. 08850-00801 or equivalent 

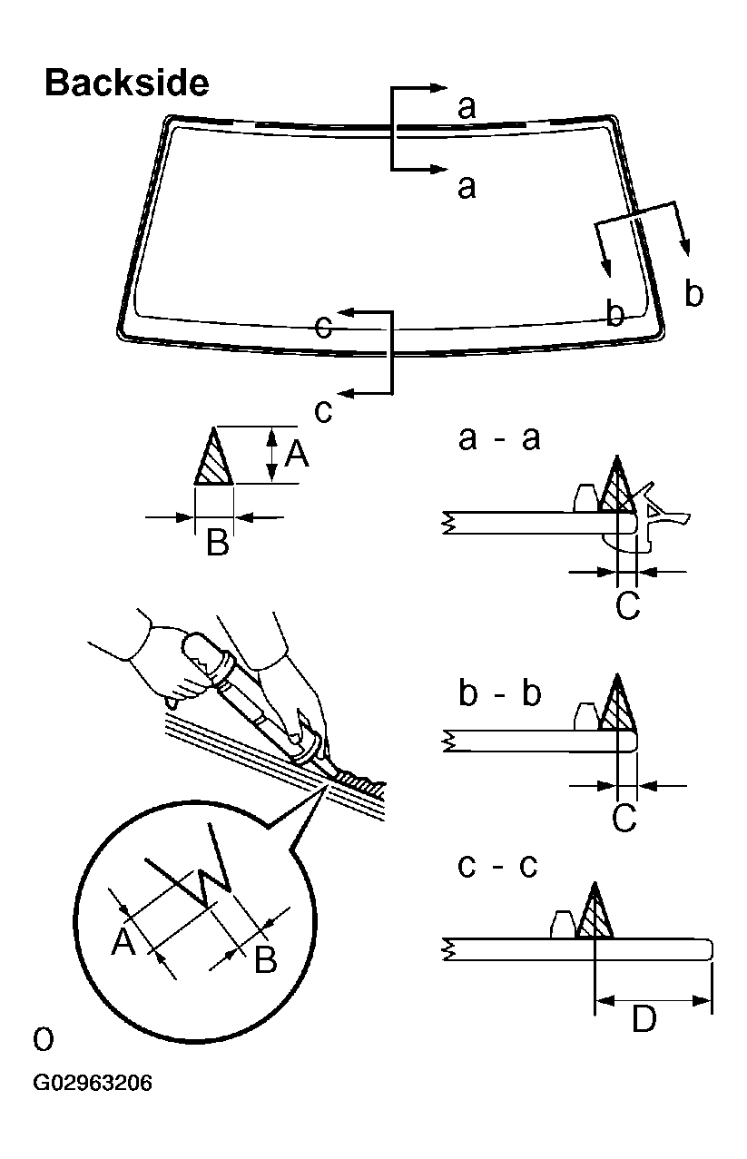
      1. Cut off the tip of the cartridge nozzle, as shown in Fig 12.

        HINT:

        After cutting off the tip, use all adhesive within the time described in TEMPERATURE SPECIFICATION .

        Tack free time: 

        TEMPERATURE SPECIFICATION

        Temperature Tack free Time
        35°C (95°F) 15 minutes
        20°C (68°F) 100 minutes
        5°C (41°F) 8 hours
      2. Load the sealer gun with the cartridge.
      3. Coat the glass with adhesive, as shown in Fig 12.

        Dimensions: 

        DIMENSIONS SPECIFICATION

        A 12.0 mm (0.472 in.)
        B 8.0 mm (0.315 in.)
        C 3.0 mm (0.118 in.)
        D 24.9 mm (0.980 in.)
        Fig 12: Cutting Off Tip Of Cartridge Nozzle
        G02963206Courtesy of © TOYOTA, LICENSE AGREEMENT TMS1002
    6. Install the glass.
      1. Using a suction cup, position the glass so that the reference marks are aligned, and press it in gently along the rim.
        NOTE:
        • Allow the primer coating to dry for 3 minutes or more.
        • Check that the stoppers are attached to the body correctly.
        • Check the clearance between the body and glass.
      2. Lightly press the front surface of the glass to ensure a close fit.
        Fig 13: Positioning Glass To Align Reference Marks Using Suction Cup
        G02963207Courtesy of © TOYOTA, LICENSE AGREEMENT TMS1002
      3. Using a scraper, remove any excess or protruding adhesive.
        Fig 14: Removing Excess Or Protruding Adhesive Using Scraper
        G02963208Courtesy of © TOYOTA, LICENSE AGREEMENT TMS1002

        HINT:

        Apply adhesive onto the glass rim.

      NOTE: The vehicle should not be driven until the time indicated in TEMPERATURE SPECIFICATION  has elapsed.

      Minimum time: 

      TEMPERATURE SPECIFICATION

      Temperature Minimum time prior to driving vehicle
      35°C (95°F) 1.5 hours
      20°C (68°F) 5 hours
      5°C (41°F) 24 hours
      Fig 15: Applying Adhesive Onto Glass Rim
      G02963209Courtesy of © TOYOTA, LICENSE AGREEMENT TMS1002
  15. INSTALL RAIN SENSOR (W/ RAIN SENSOR) 
    1. If reusing the rain sensor:

      Install the new rain sensor tape.

      1. Remove the used rain sensor tape from the windshield glass or rain sensor.
      2. Apply the new rain sensor tape on the lens surface of the rain sensor indicated by the hatched area.
      NOTE:
      • Make sure that no dust or fingerprints are on the tape surface.
      • Apply the tape securely.
        Fig 16: Removing Used Rain Sensor Tape From Windshield Glass Or Rain Sensor
        G02963210Courtesy of © TOYOTA, LICENSE AGREEMENT TMS1002
    2. Install the rain sensor.
      NOTE:
      • If reusing the windshield:

        Check that no rain sensor tape remains on the windshield after removing the rain sensor. If tape remains, remove it. 

      • Clean the glass face with a shop rag, etc.
  16. INSPECT FOR LEAKS AND REPAIR 
    1. Conduct a leak test after the adhesive has completely hardened.
    2. Seal any leaks with auto glass sealer.