LEMON Manuals: Even more car manuals for everyone: 1960-2025
Home >> Lexus >> 2005 >> GX 470 >> Repair and Diagnosis >> External Pages >> Different car >> Section 21 (LEXUS Navigation System - Diagnostics) >> Circuit Inspection >> Power Source Circuit (Multi-Display Assembly) >> Wiring Diagram
April 5, 2026: LEMON Manuals is launched! Read the announcement.

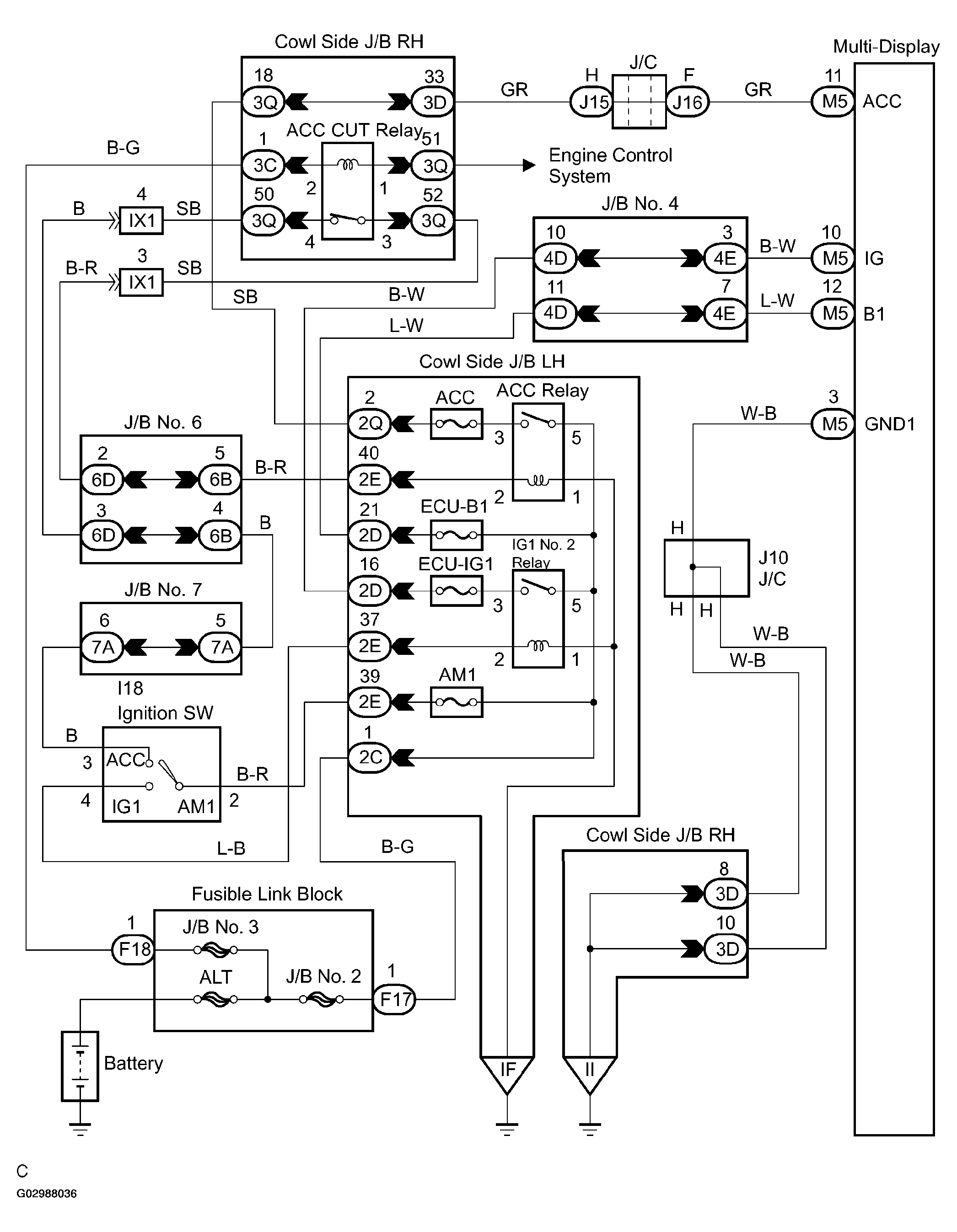
Power Source Circuit (Multi-Display Assembly): Wiring Diagram

WARNING: This page is about a different car, the 2005 Lexus LX 470. However, it is still accessible from the selected car via links, so may be relevant.
Fig 1: Power Source Circuit (Multi-Display Assembly) - Wiring Diagram
G02988036Courtesy of © TOYOTA, LICENSE AGREEMENT TMS1002