LEMON Manuals: Even more car manuals for everyone: 1960-2025
Home >> Lexus >> 2005 >> IS 300 Base, Automatic >> Repair and Diagnosis >> Transmission >> Automatic Trans >> Automatic Transmission - Diagnostics >> Problem Symptoms Table >> Pattern Select Switch Circuit >> Wiring Diagram
April 5, 2026: LEMON Manuals is launched! Read the announcement.

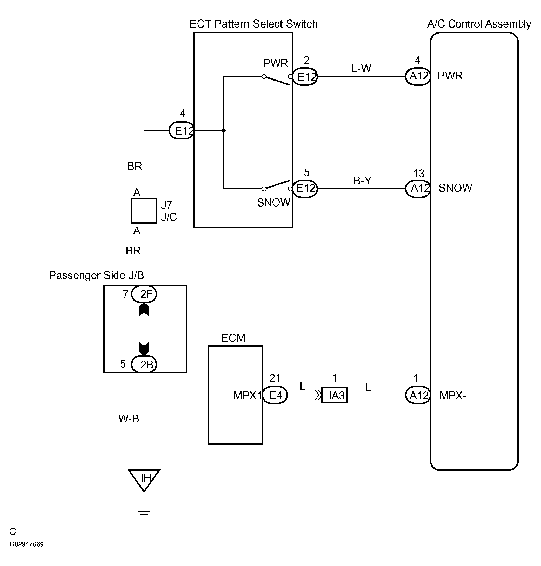
Pattern Select Switch Circuit: Wiring Diagram

Fig 1: Wiring Diagram - Pattern Select Switch Circuit
G02947669Courtesy of © TOYOTA, LICENSE AGREEMENT TMS1002