LEMON Manuals: Even more car manuals for everyone: 1960-2025
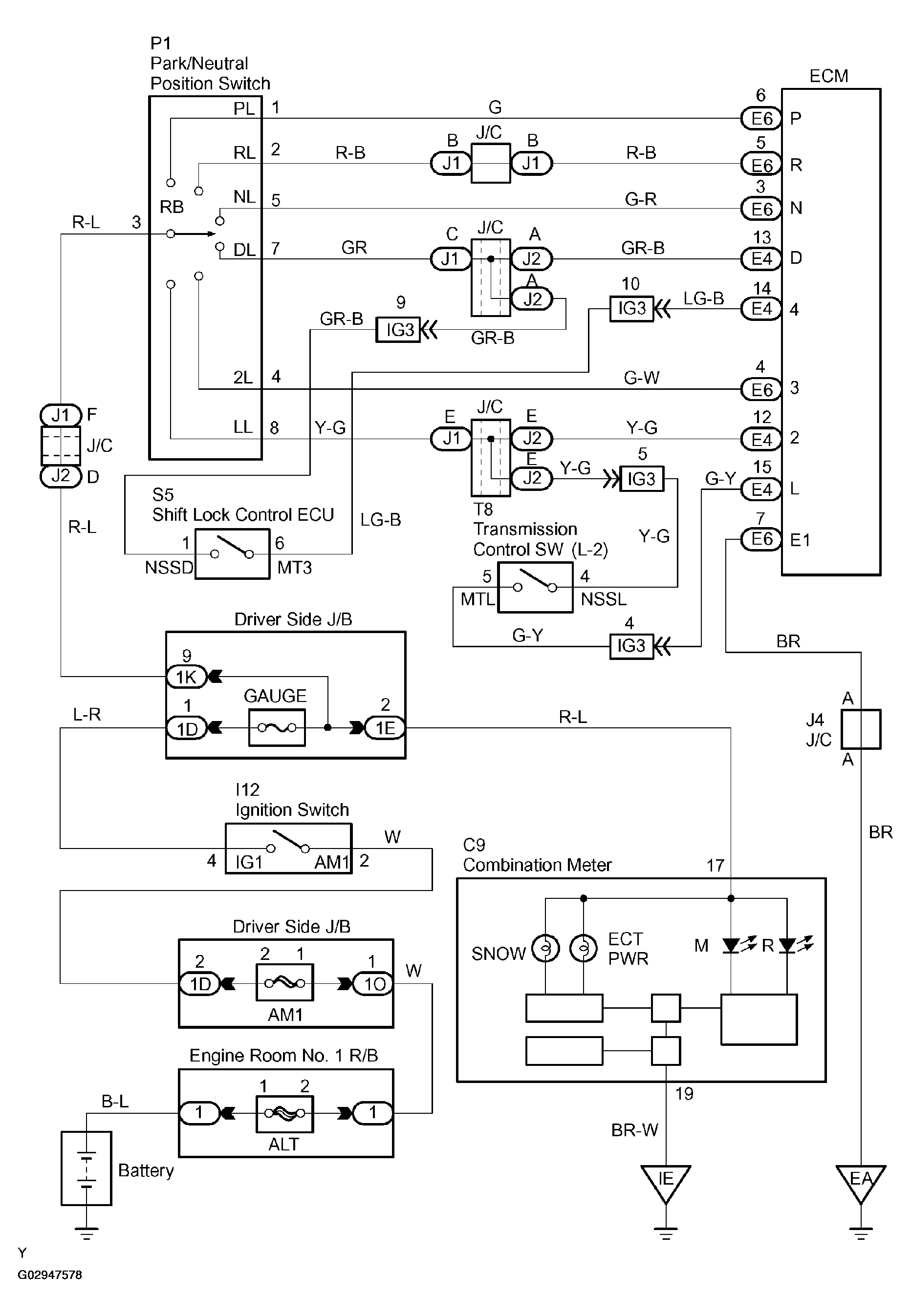
Home >> Lexus >> 2005 >> IS 300 Base, Standard >> Repair and Diagnosis >> External Pages >> Different variant/trim >> Section 2 (Automatic Transmission - Diagnostics) >> Problem Symptoms Table >> DTC P0705: Transmission Range Sensor Circuit Malfunction (PRNDL Input) >> Wiring Diagram
April 5, 2026: LEMON Manuals is launched! Read the announcement.

DTC P0705: Transmission Range Sensor Circuit Malfunction (PRNDL Input): Wiring Diagram

WARNING: This page is about a different variant/trim than selected.
Fig 1: Wiring Diagram - Transmission Range Sensor Circuit
G02947578Courtesy of © TOYOTA, LICENSE AGREEMENT TMS1002