LEMON Manuals: Even more car manuals for everyone: 1960-2025
Home >> Lexus >> 2005 >> LS 430 V8-4.3L (3UZ-FE) >> Repair and Diagnosis >> Diagrams >> Exploded Views >> Engine >> Oil Pump, Engine
April 5, 2026: LEMON Manuals is launched! Read the announcement.

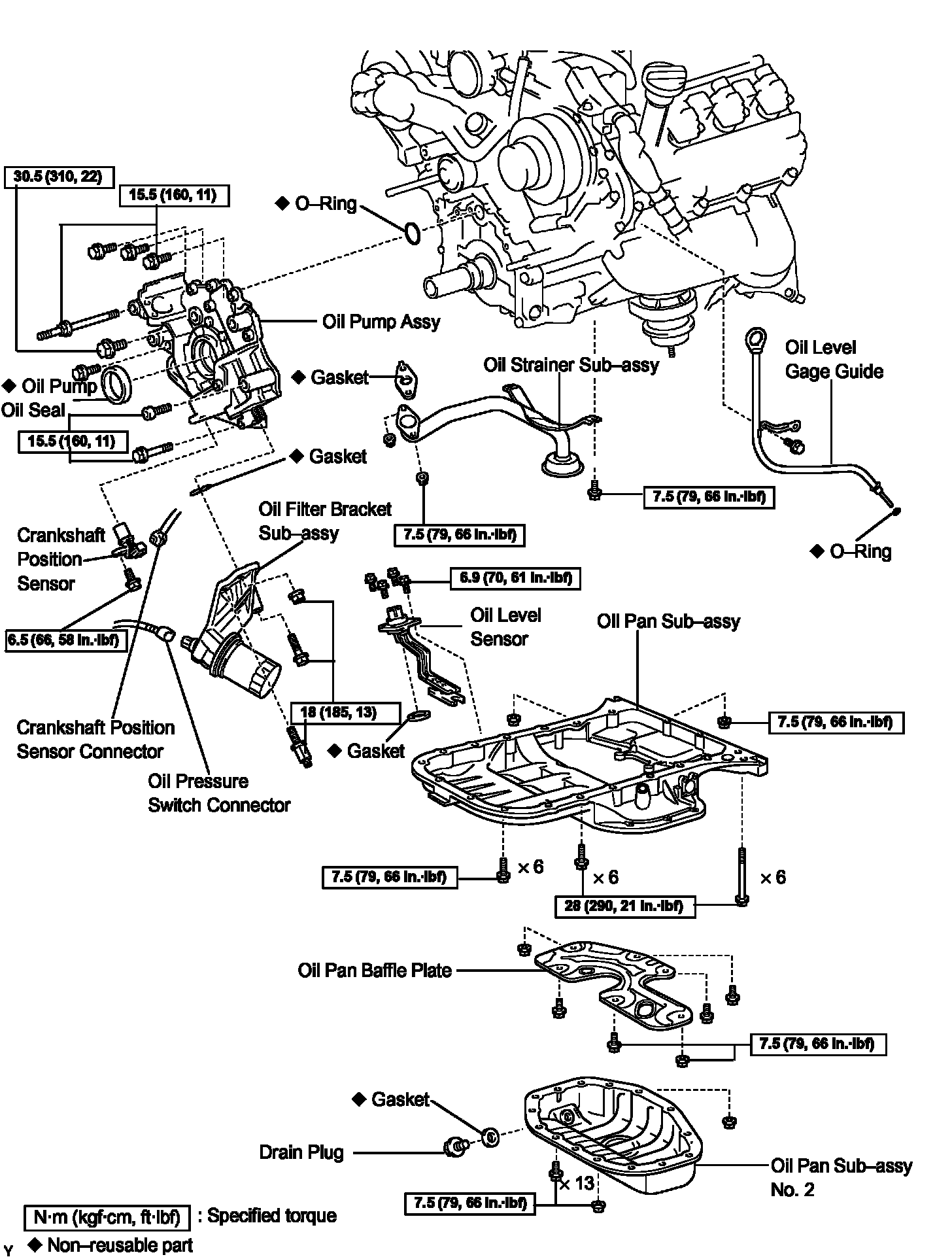
Oil Pump, Engine