LEMON Manuals: Even more car manuals for everyone: 1960-2025
Home >> Lexus >> 2005 >> RX 330 AWD >> Repair and Diagnosis >> Body & Frame >> Mirrors >> Power Mirror Control System (W/ Memory) - Diagnostics >> Driving Position Memory Switch Circuit >> Wiring Diagram
April 5, 2026: LEMON Manuals is launched! Read the announcement.

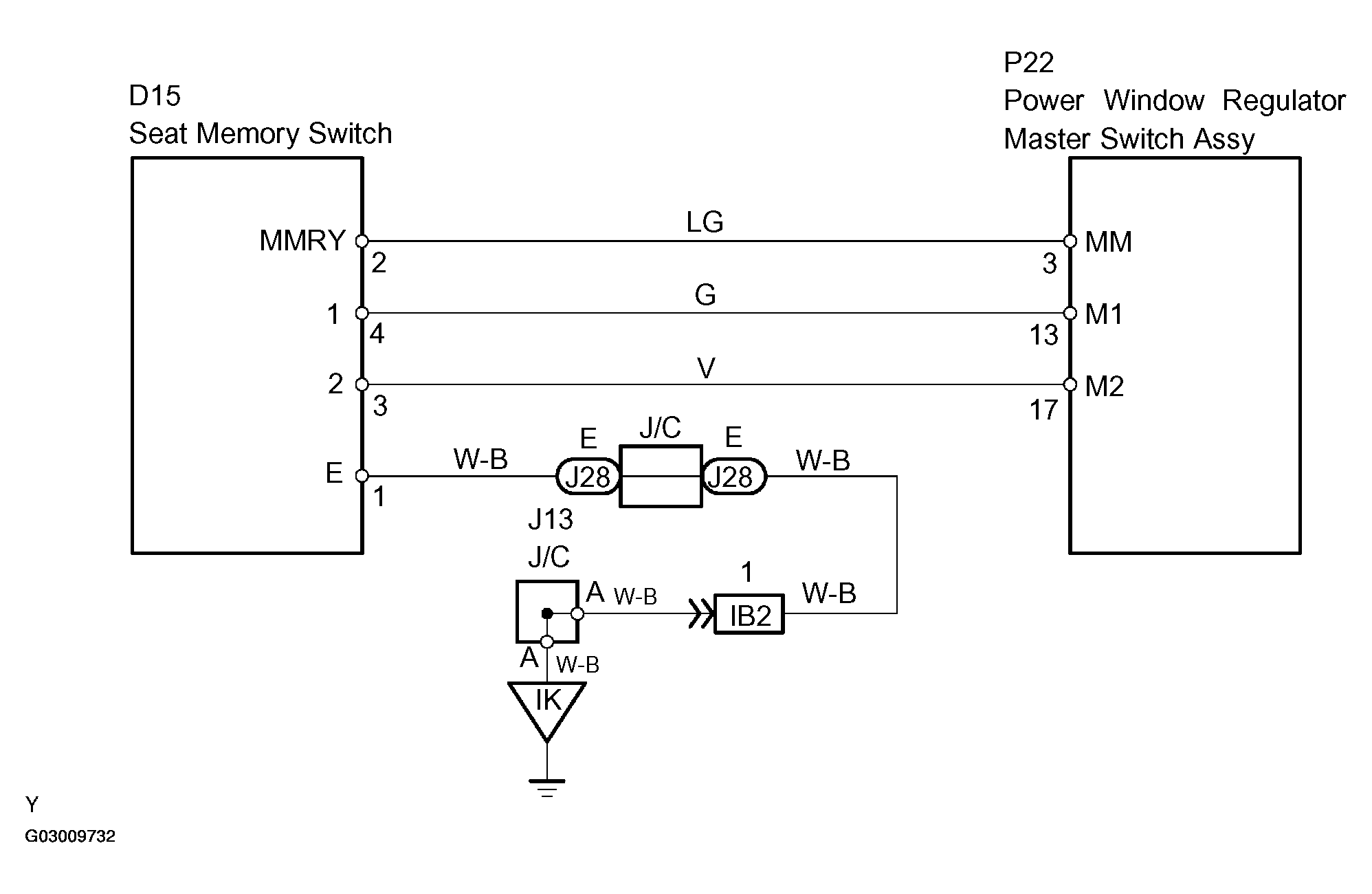
Driving Position Memory Switch Circuit: Wiring Diagram

Fig 1: Driving Position Memory Switch Circuit Wiring Diagram
G03009732Courtesy of © TOYOTA, LICENSE AGREEMENT TMS1002