LEMON Manuals: Even more car manuals for everyone: 1960-2025
Home >> Lexus >> 2005 >> RX 330 AWD >> Repair and Diagnosis >> External Pages >> Different car >> Section 573 (Multiplex Communication) >> Multiplex Communication System >> System Diagram
April 5, 2026: LEMON Manuals is launched! Read the announcement.

System Diagram

WARNING: This page is about a different car, the 2008 Lexus RX 350. However, it is still accessible from the selected car via links, so may be relevant.
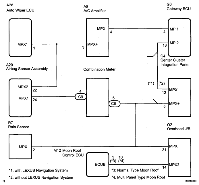
  1. MULTIPLEX COMMUNICATION SYSTEM (BEAN) DESCRIPTION 
    1. The BEAN communication line is used to control the following items:
      • Gateway ECU
      • Transponder key ECU
      • Main body ECU
      • Power window control switch rear LH
      • Power window control switch rear RH
      • Power window control switch front RH
      • Power window master switch
      • Remote control mirror ECU LH
      • Remote control mirror ECU RH
      • Power back door ECU
      • Power seat ECU (Driver side seat)
      • AFS ECU
      • Tilt and telescopic ECU
      • Tire pressure warning ECU
      • Air conditioning amplifier (A/C ECU)
      • Auto wiper ECU
      • Airbag sensor assembly
      • Combination meter ECU
      • Overhead J/B
      • Sliding roof control ECU (Moon roof control ECU)
      • Rain sensor
      • Center cluster integration panel

      If there is a short-circuit (bus-down) in the line, communication to the system that has a short-circuit (bus-down) will be disabled and the DTC concerning the system will be output from the multiplex network body ECU.

      Fig 1: Identifying Multiplex Communication System Diagram (1 Of 2)
      G05274943Courtesy of © TOYOTA, LICENSE AGREEMENT TMS1002
      Fig 2: Identifying Multiplex Communication System Diagram (2 Of 2)
      G05274944Courtesy of © TOYOTA, LICENSE AGREEMENT TMS1002
    2. If DTC indicating ECU communication stop is output, the connectors may be disconnected or the communication buses may be open at 2 points. Only 1 communication bus open will not set DTC.
      Fig 3: Identifying ECU Communication Diagram (1 Of 2)
      G05274945Courtesy of © TOYOTA, LICENSE AGREEMENT TMS1002
    3. If 2 communication buses are open at the positions as shown in the illustration, DTC indicating ECU communication stop between those 2 buses is output.
    Fig 4: Identifying ECU Communication Diagram (2 Of 2)
    G05274946Courtesy of © TOYOTA, LICENSE AGREEMENT TMS1002