LEMON Manuals: Even more car manuals for everyone: 1960-2025
Home >> Lexus >> 2005 >> RX 330 AWD >> Repair and Diagnosis >> External Pages >> Different car >> Section 613 (Navigation) >> Navigation System >> Steering Pad Switch Circuit >> Wiring Diagram
April 5, 2026: LEMON Manuals is launched! Read the announcement.

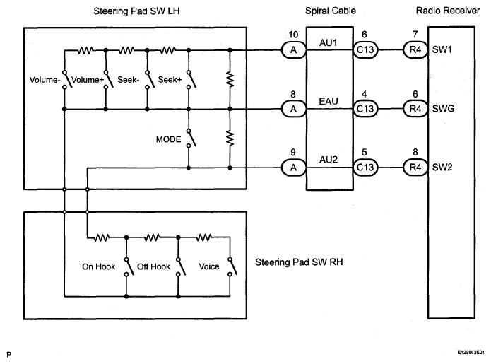
Steering Pad Switch Circuit: Wiring Diagram

WARNING: This page is about a different car, the 2008 Lexus RX 350. However, it is still accessible from the selected car via links, so may be relevant.
Fig 1: Identifying Steering Pad Switch Circuit Wiring Diagram
G05270938Courtesy of © TOYOTA, LICENSE AGREEMENT TMS1002