LEMON Manuals: Even more car manuals for everyone: 1960-2025
Home >> Lexus >> 2005 >> SC 430 >> Repair and Diagnosis >> Body & Frame >> Door Locks >> Wireless Door Lock Control System - Diagnostics >> Only Wireless Control Function Is Inoperative >> Wiring Diagram
April 5, 2026: LEMON Manuals is launched! Read the announcement.

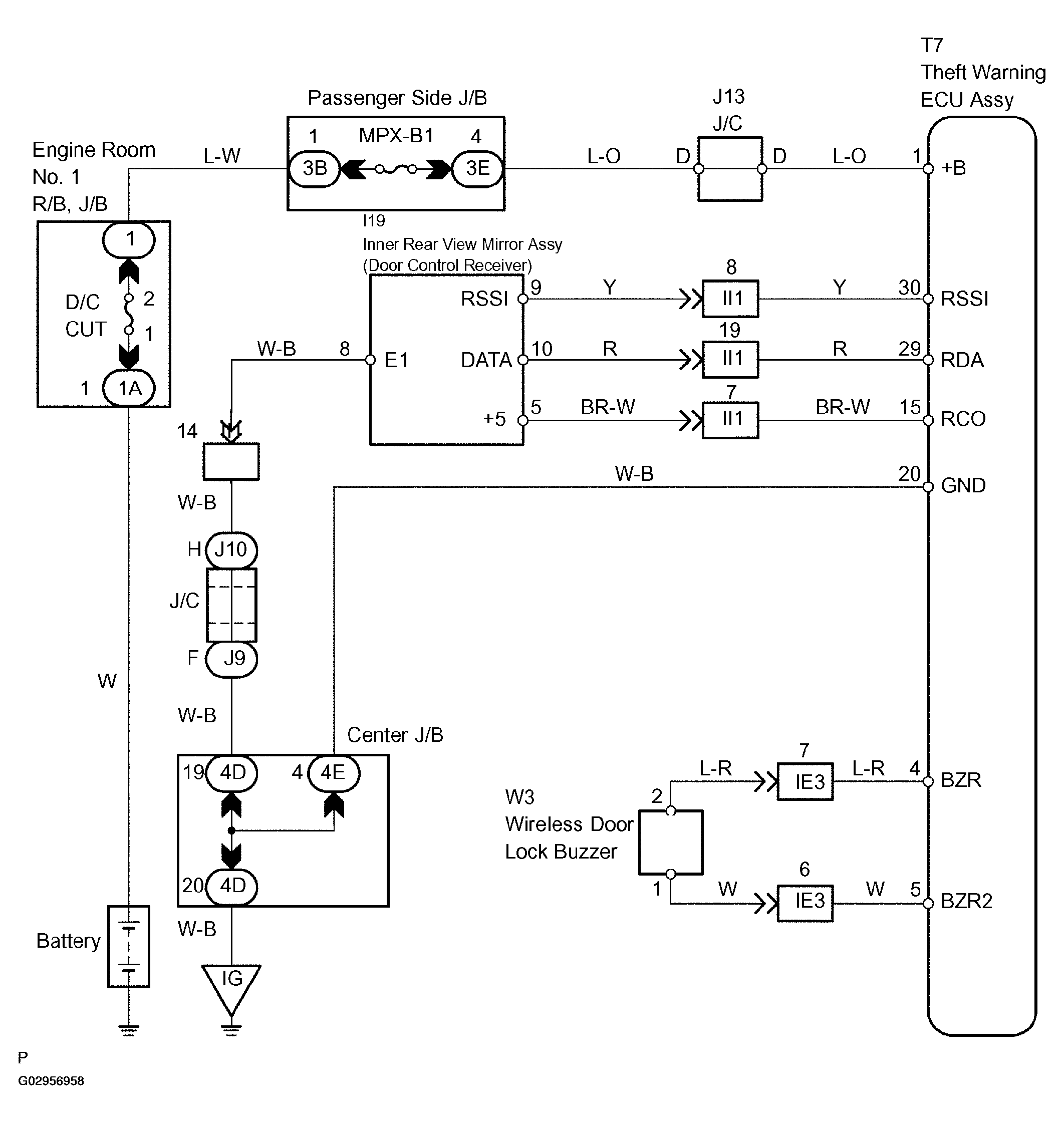
Only Wireless Control Function Is Inoperative: Wiring Diagram

Fig 1: Wireless Control Function Inoperative - Wiring Diagram
G02956958Courtesy of © TOYOTA, LICENSE AGREEMENT TMS1002