LEMON Manuals: Even more car manuals for everyone: 1960-2025
Home >> Lexus >> 2005 >> SC 430 >> Repair and Diagnosis >> Engine Mechanical >> Auxiliary Emission Control Systems >> Emission Control >> Emission Control System >> System Diagram
April 5, 2026: LEMON Manuals is launched! Read the announcement.

System Diagram

Fig 1: Emission Control System Diagram (1 Of 2)
G02957842Courtesy of © TOYOTA, LICENSE AGREEMENT TMS1002
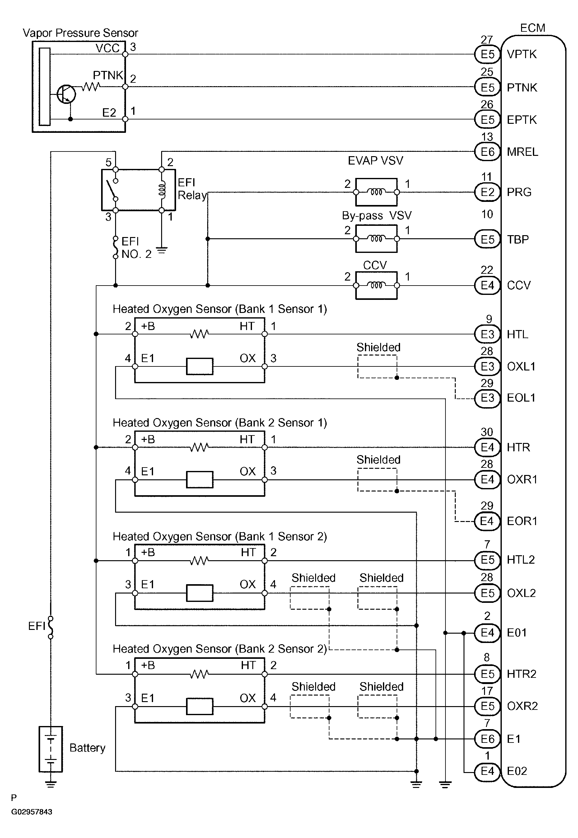
Fig 2: Emission Control System Diagram (2 Of 2)
G02957843Courtesy of © TOYOTA, LICENSE AGREEMENT TMS1002