LEMON Manuals: Even more car manuals for everyone: 1960-2025
Home >> Lexus >> 2006 >> ES 330 >> Repair and Diagnosis (Single Page) >> Electrical >> Body Electrical >> OEM System Circuits >> Abs >> Notes
April 5, 2026: LEMON Manuals is launched! Read the announcement.

OEM System Circuits: Abs: Notes

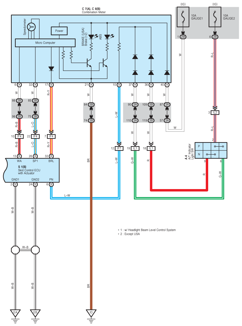
Fig 1: ABS - Wiring Diagram (1 Of 2)
G08930059Courtesy of © TOYOTA, LICENSE AGREEMENT TMS1002
Fig 2: ABS - Wiring Diagram (2 Of 2)
G08930060Courtesy of © TOYOTA, LICENSE AGREEMENT TMS1002