LEMON Manuals: Even more car manuals for everyone: 1960-2025
Home >> Lexus >> 2006 >> ES 330 >> Repair and Diagnosis (Single Page) >> Electrical >> Body Electrical >> OEM System Circuits >> Power Window >> Notes
April 5, 2026: LEMON Manuals is launched! Read the announcement.

Power Window: Notes

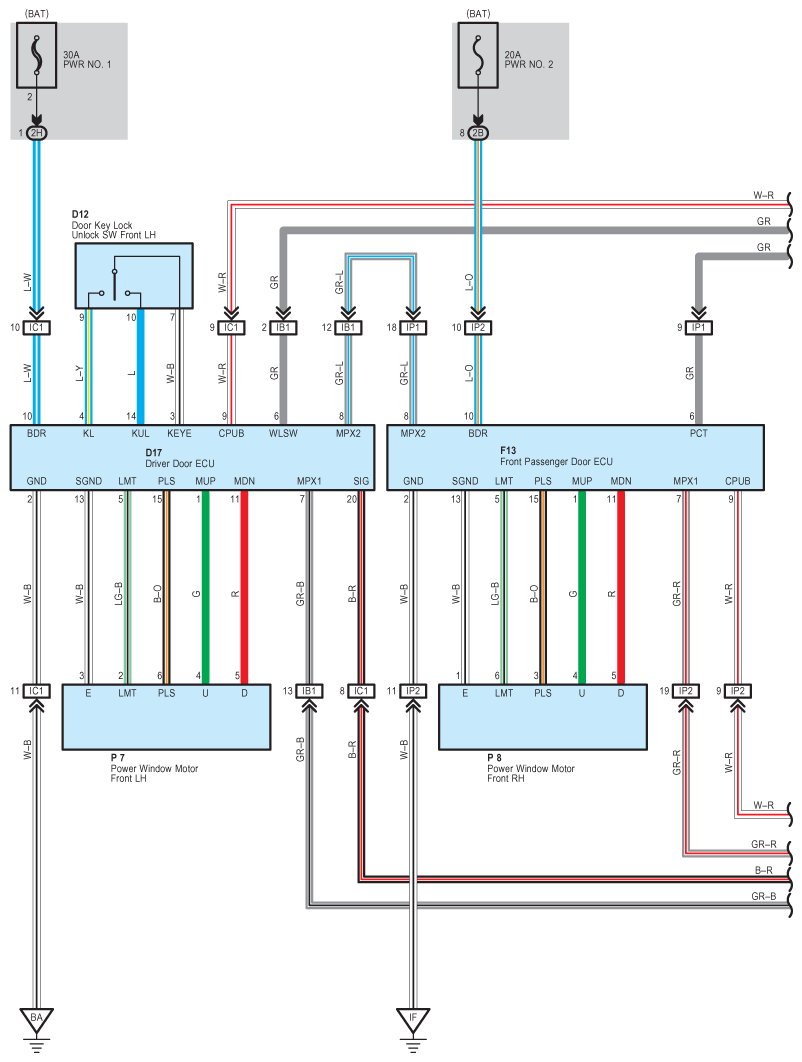
Fig 1: Power Window - Wiring Diagram (1 Of 5)
G08930040Courtesy of © TOYOTA, LICENSE AGREEMENT TMS1002
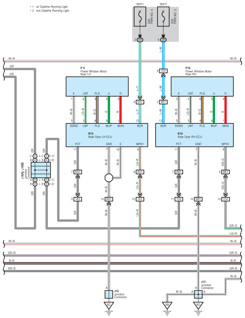
Fig 2: Power Window - Wiring Diagram (2 Of 5)
G08930041Courtesy of © TOYOTA, LICENSE AGREEMENT TMS1002
Fig 3: Power Window - Wiring Diagram (3 Of 5)
G08930042Courtesy of © TOYOTA, LICENSE AGREEMENT TMS1002
Fig 4: Power Window - Wiring Diagram (4 Of 5)
G08930043Courtesy of © TOYOTA, LICENSE AGREEMENT TMS1002