LEMON Manuals: Even more car manuals for everyone: 1960-2025
Home >> Lexus >> 2006 >> ES 330 >> Repair and Diagnosis (Single Page) >> Electrical >> Body Electrical >> OEM System Circuits >> Remote Control Mirror with Driving Position Memory >> Notes
April 5, 2026: LEMON Manuals is launched! Read the announcement.

Remote Control Mirror with Driving Position Memory: Notes

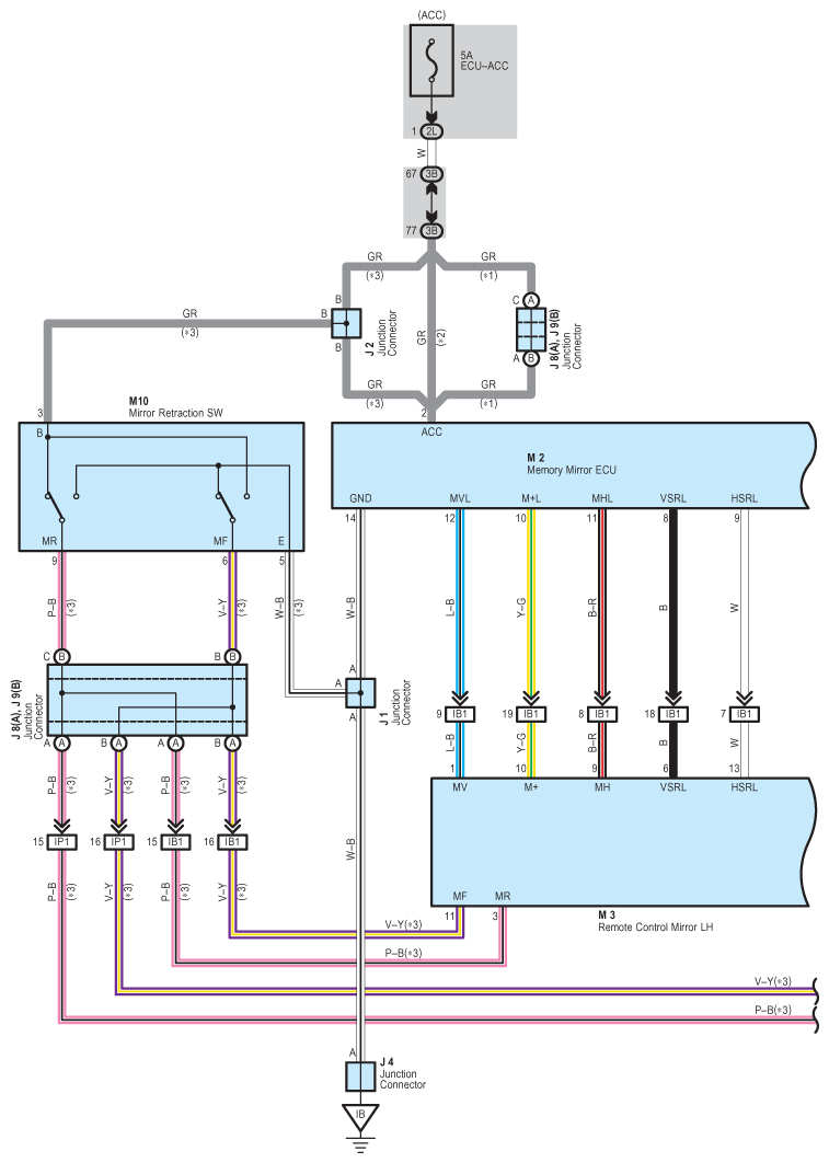
Fig 1: Remote Control Mirror With Driving Position Memory - Wiring Diagram (1 Of 3)
G08930084Courtesy of © TOYOTA, LICENSE AGREEMENT TMS1002
Fig 2: Remote Control Mirror With Driving Position Memory - Wiring Diagram (2 Of 3)
G08930085Courtesy of © TOYOTA, LICENSE AGREEMENT TMS1002
Fig 3: Remote Control Mirror With Driving Position Memory - Wiring Diagram (3 Of 3)
G08930086Courtesy of © TOYOTA, LICENSE AGREEMENT TMS1002