LEMON Manuals: Even more car manuals for everyone: 1960-2025
Home >> Lexus >> 2006 >> ES 330 >> Repair and Diagnosis >> Electrical >> Body Electrical >> OEM System Circuits >> Engine Control >> Notes
April 5, 2026: LEMON Manuals is launched! Read the announcement.

Engine Control: Notes

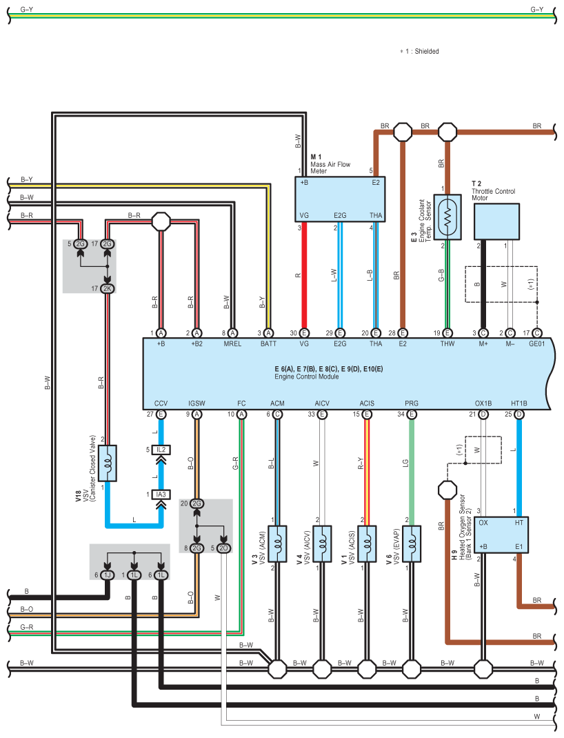
Fig 1: Engine Control - Wiring Diagram (1 Of 9)
G08929990Courtesy of © TOYOTA, LICENSE AGREEMENT TMS1002
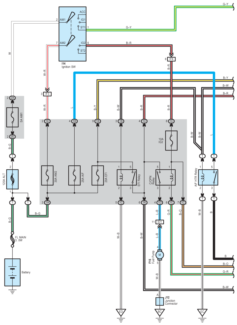
Fig 2: Engine Control - Wiring Diagram (2 Of 9)
G08929991Courtesy of © TOYOTA, LICENSE AGREEMENT TMS1002
Fig 3: Engine Control - Wiring Diagram (3 Of 9)
G08929992Courtesy of © TOYOTA, LICENSE AGREEMENT TMS1002
Fig 4: Engine Control - Wiring Diagram (4 Of 9)
G08929993Courtesy of © TOYOTA, LICENSE AGREEMENT TMS1002
Fig 5: Engine Control - Wiring Diagram (5 Of 9)
G08929994Courtesy of © TOYOTA, LICENSE AGREEMENT TMS1002
Fig 6: Engine Control - Wiring Diagram (6 Of 9)
G08929995Courtesy of © TOYOTA, LICENSE AGREEMENT TMS1002
Fig 7: Engine Control - Wiring Diagram (7 Of 9)
G08929996Courtesy of © TOYOTA, LICENSE AGREEMENT TMS1002