LEMON Manuals: Even more car manuals for everyone: 1960-2025
Home >> Lexus >> 2006 >> ES 330 >> Repair and Diagnosis >> Electrical >> Body Electrical >> OEM System Circuits >> Fog Light >> Notes
April 5, 2026: LEMON Manuals is launched! Read the announcement.

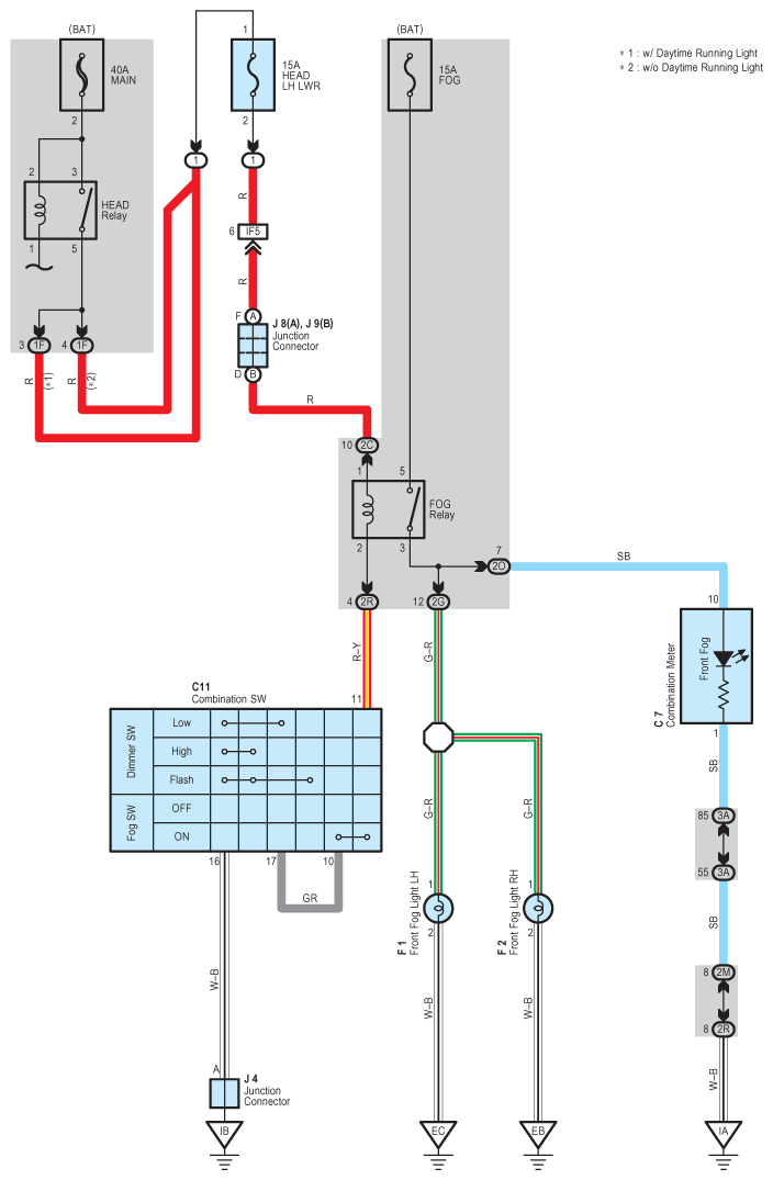
Fog Light: Notes

Fig 1: Fog Light - Wiring Diagram
G08930054Courtesy of © TOYOTA, LICENSE AGREEMENT TMS1002