LEMON Manuals: Even more car manuals for everyone: 1960-2025
Home >> Lexus >> 2006 >> ES 330 >> Repair and Diagnosis >> Electrical >> Body Electrical >> OEM System Circuits >> Headlight without Daytime Running Light >> Notes
April 5, 2026: LEMON Manuals is launched! Read the announcement.

Headlight without Daytime Running Light: Notes

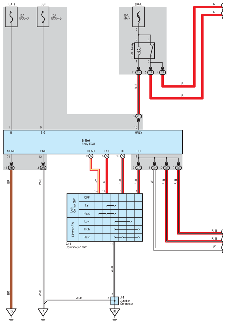
Fig 1: Headlight Without Daytime Running Light - Wiring Diagram (1 Of 2)
G08930022Courtesy of © TOYOTA, LICENSE AGREEMENT TMS1002
Fig 2: Headlight Without Daytime Running Light - Wiring Diagram (2 Of 2)
G08930023Courtesy of © TOYOTA, LICENSE AGREEMENT TMS1002