LEMON Manuals: Even more car manuals for everyone: 1960-2025
Home >> Lexus >> 2006 >> ES 330 >> Repair and Diagnosis >> Electrical >> Body Electrical >> OEM System Circuits >> Power Adjustable Pedals >> Notes
April 5, 2026: LEMON Manuals is launched! Read the announcement.

Power Adjustable Pedals: Notes

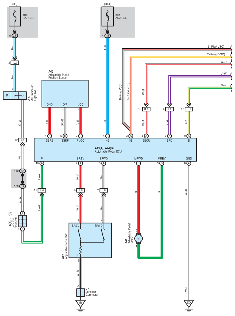
Fig 1: Power Adjustable Pedals - Wiring Diagram (1 Of 2)
G08930003Courtesy of © TOYOTA, LICENSE AGREEMENT TMS1002
Fig 2: Power Adjustable Pedals - Wiring Diagram (2 Of 2)
G08930004Courtesy of © TOYOTA, LICENSE AGREEMENT TMS1002