LEMON Manuals: Even more car manuals for everyone: 1960-2025
Home >> Lexus >> 2006 >> ES 330 >> Repair and Diagnosis >> Electrical >> Body Electrical >> OEM System Circuits >> Starting and Ignition >> Notes
April 5, 2026: LEMON Manuals is launched! Read the announcement.

Starting and Ignition: Notes

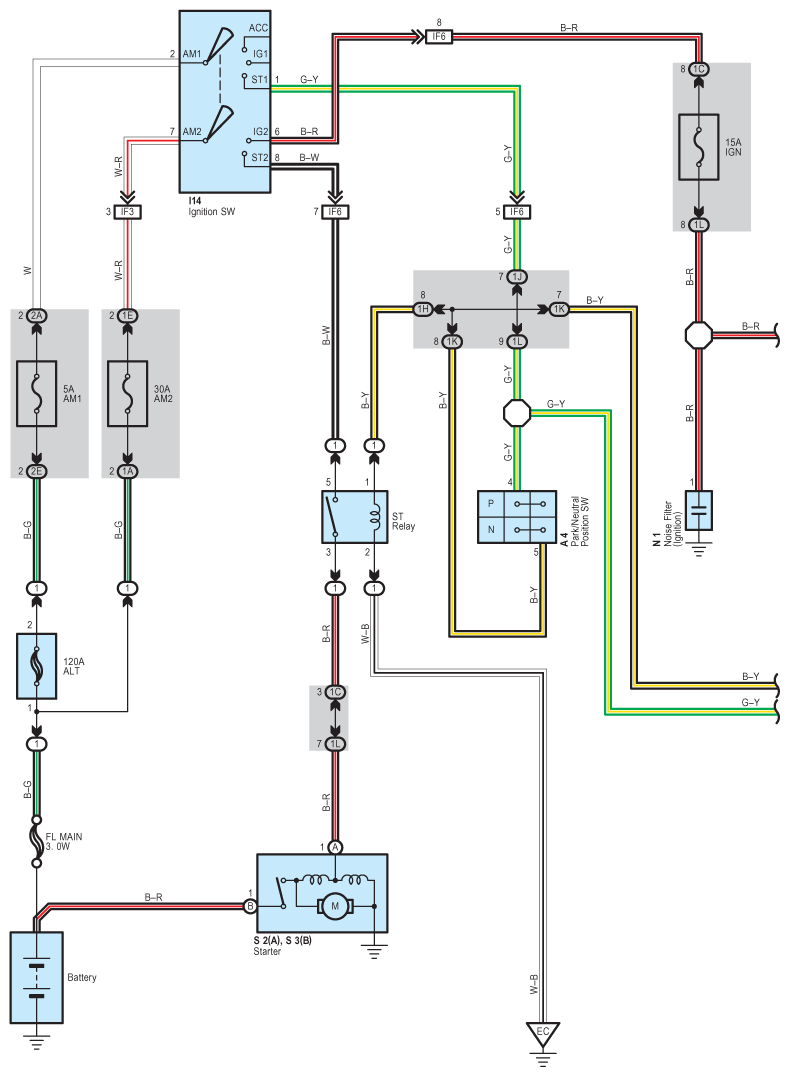
Fig 1: Starting And Ignition - Wiring Diagram (1 Of 2)
G08929987Courtesy of © TOYOTA, LICENSE AGREEMENT TMS1002
Fig 2: Starting And Ignition - Wiring Diagram (2 Of 2)
G08929988Courtesy of © TOYOTA, LICENSE AGREEMENT TMS1002