LEMON Manuals: Even more car manuals for everyone: 1960-2025
Home >> Lexus >> 2006 >> ES 330 >> Repair and Diagnosis >> Electrical >> Body Electrical >> OEM System Circuits >> Theft Deterrent and Door Lock Control >> Notes
April 5, 2026: LEMON Manuals is launched! Read the announcement.

Theft Deterrent and Door Lock Control: Notes

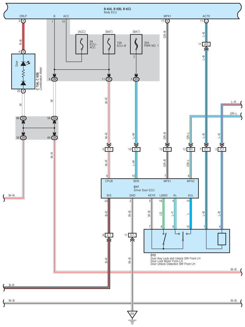
Fig 1: Theft Deterrent And Door Lock Control - Wiring Diagram (1 Of 5)
G08930031Courtesy of © TOYOTA, LICENSE AGREEMENT TMS1002
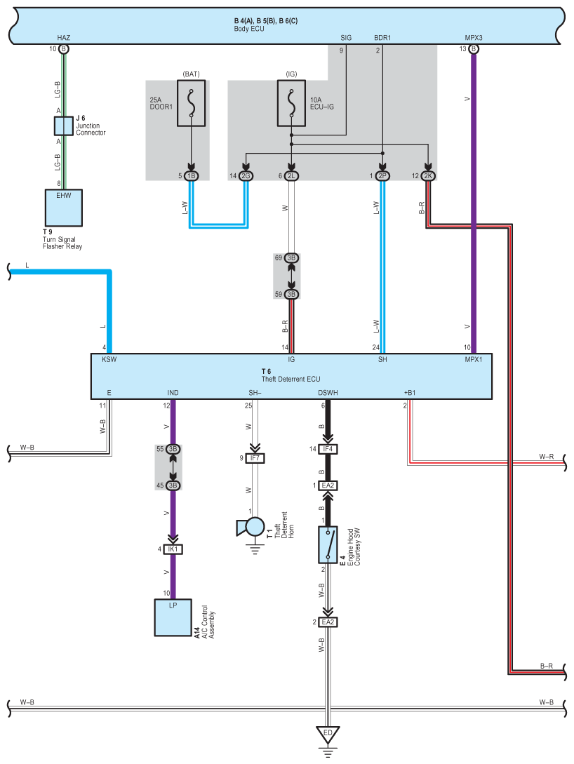
Fig 2: Theft Deterrent And Door Lock Control - Wiring Diagram (2 Of 5)
G08930032Courtesy of © TOYOTA, LICENSE AGREEMENT TMS1002
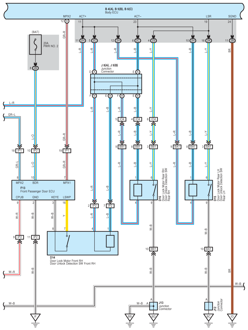
Fig 3: Theft Deterrent And Door Lock Control - Wiring Diagram (3 Of 5)
G08930033Courtesy of © TOYOTA, LICENSE AGREEMENT TMS1002
Fig 4: Theft Deterrent And Door Lock Control - Wiring Diagram (4 Of 5)
G08930034Courtesy of © TOYOTA, LICENSE AGREEMENT TMS1002
Fig 5: Theft Deterrent And Door Lock Control - Wiring Diagram (5 Of 5)
G08930035Courtesy of © TOYOTA, LICENSE AGREEMENT TMS1002