LEMON Manuals: Even more car manuals for everyone: 1960-2025
Home >> Lexus >> 2006 >> GS 300 AWD >> Repair and Diagnosis >> Engine Performance >> System >> Engine Control System (3GR-FSE) - SFI System Diagnostics Introduction, Precaution, Parts Location, System Diagram, Diagnostic Trouble Code Chart >> SFI System >> System Diagram
April 5, 2026: LEMON Manuals is launched! Read the announcement.

System Diagram

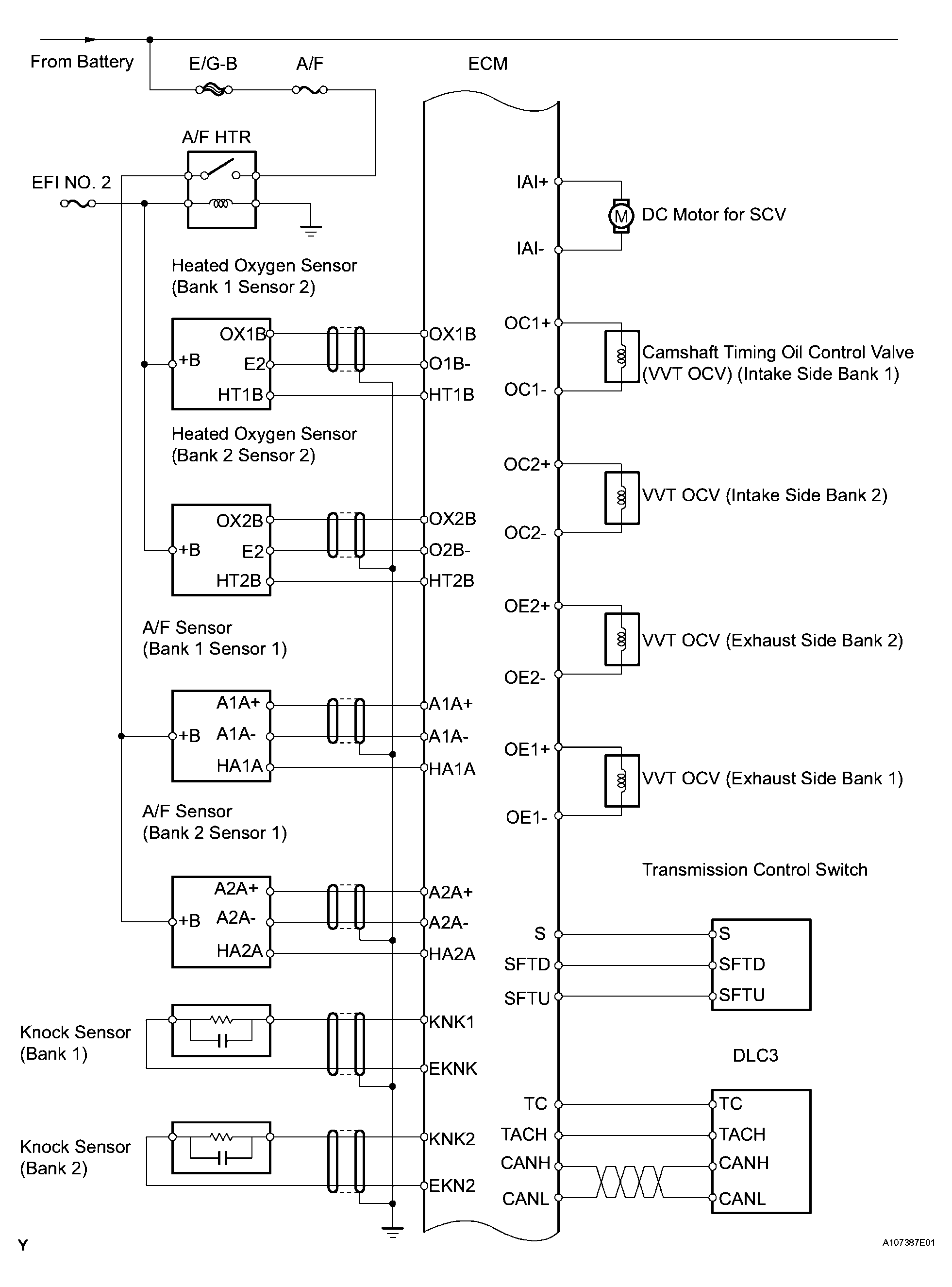
Fig 1: Engine Control System - System Diagram (3GR-FSE) (1 Of 5)
G04017708Courtesy of © TOYOTA, LICENSE AGREEMENT TMS1002
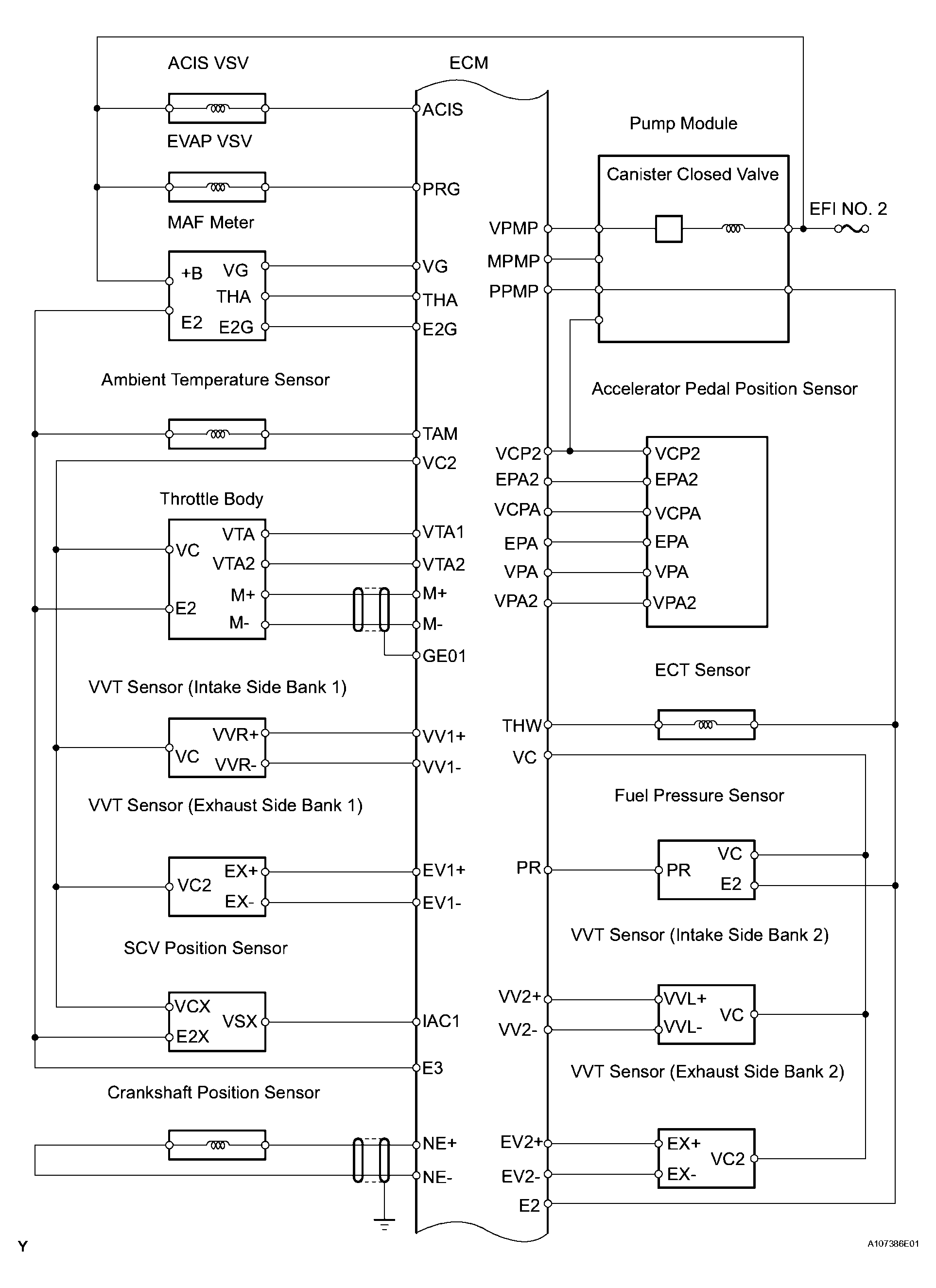
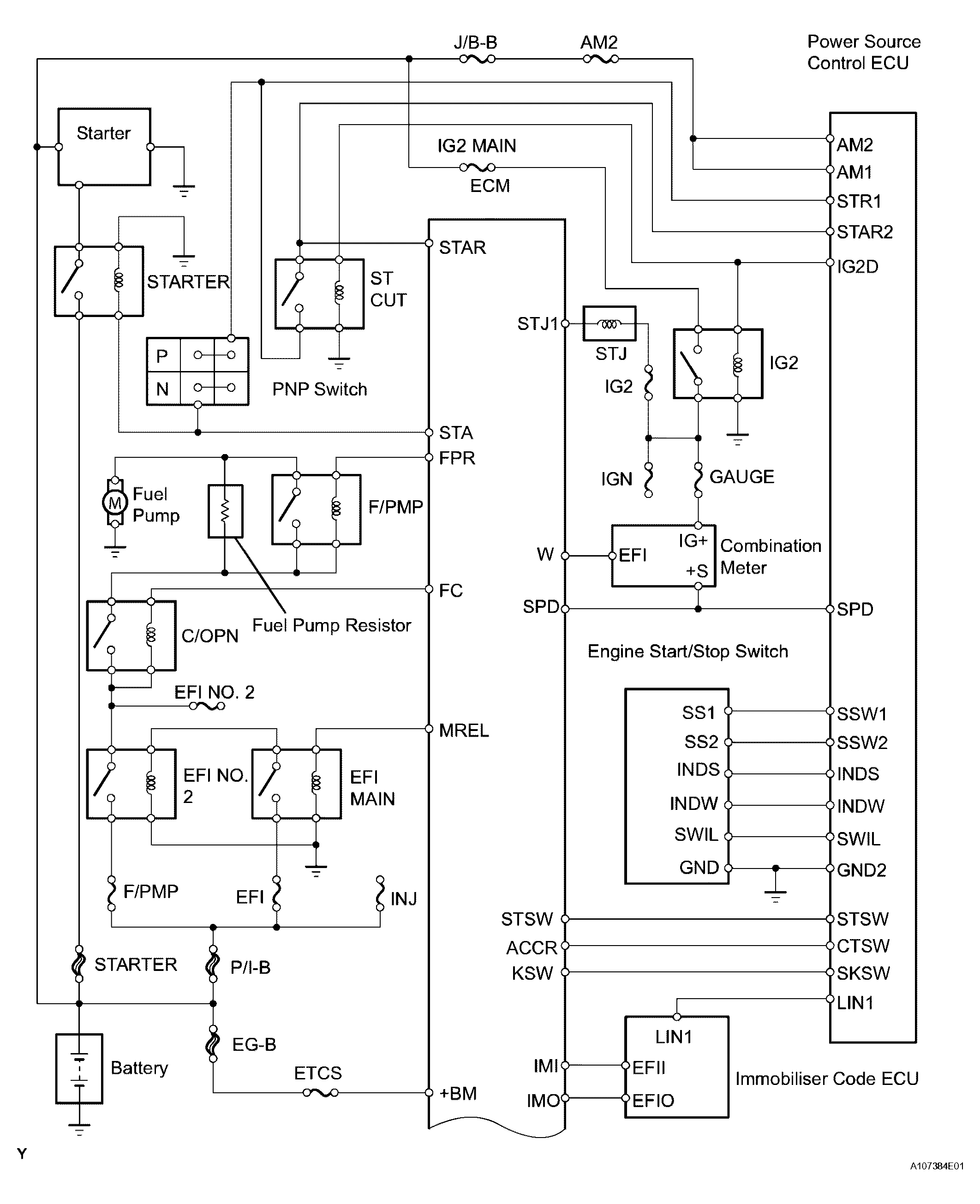
Fig 2: Engine Control System - System Diagram (3GR-FSE) (2 Of 5)
G04017709Courtesy of © TOYOTA, LICENSE AGREEMENT TMS1002
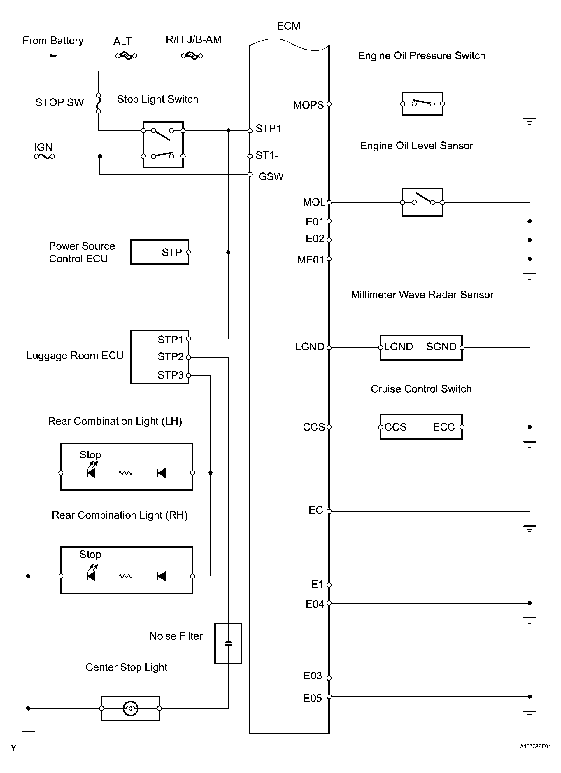
Fig 3: Engine Control System - System Diagram (3GR-FSE) (3 Of 5)
G04017710Courtesy of © TOYOTA, LICENSE AGREEMENT TMS1002
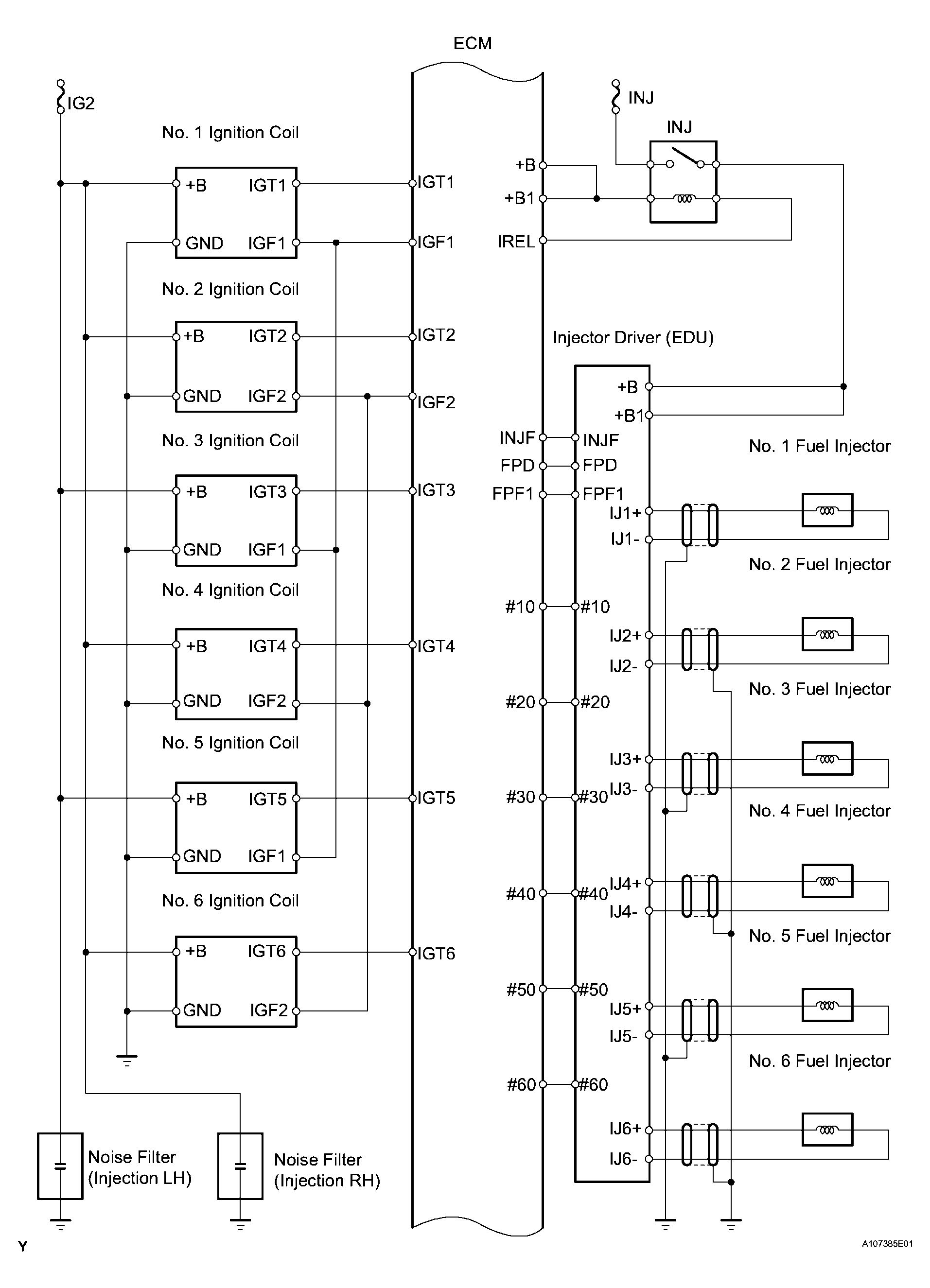
Fig 4: Engine Control System - System Diagram (3GR-FSE) (4 Of 5)
G04017711Courtesy of © TOYOTA, LICENSE AGREEMENT TMS1002
Fig 5: Engine Control System - System Diagram (3GR-FSE) (5 Of 5)
G04017712Courtesy of © TOYOTA, LICENSE AGREEMENT TMS1002