LEMON Manuals: Even more car manuals for everyone: 1960-2025
Home >> Lexus >> 2006 >> GS 300 AWD >> Repair and Diagnosis >> Engine Performance >> System >> Engine Control System (3GR-FSE) - System And Circuit Testing, On-Vehicle Inspection, Removal, Inspection And Installation >> ECM Power Source Circuit >> Wiring Diagram
April 5, 2026: LEMON Manuals is launched! Read the announcement.

ECM Power Source Circuit: Wiring Diagram

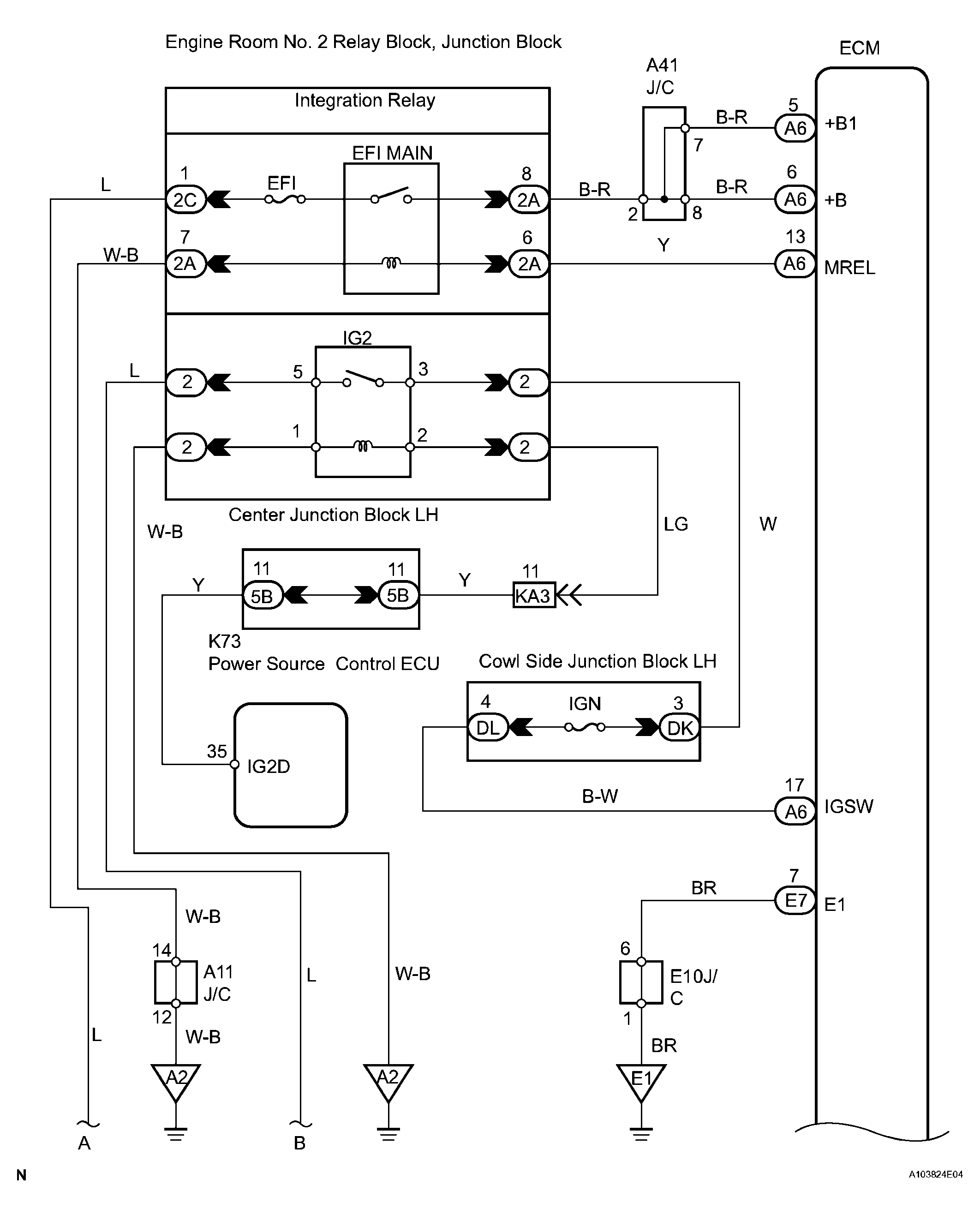
Fig 1: Wiring Diagram - ECM Power Source Circuit (1 Of 2)
G04017990Courtesy of © TOYOTA, LICENSE AGREEMENT TMS1002
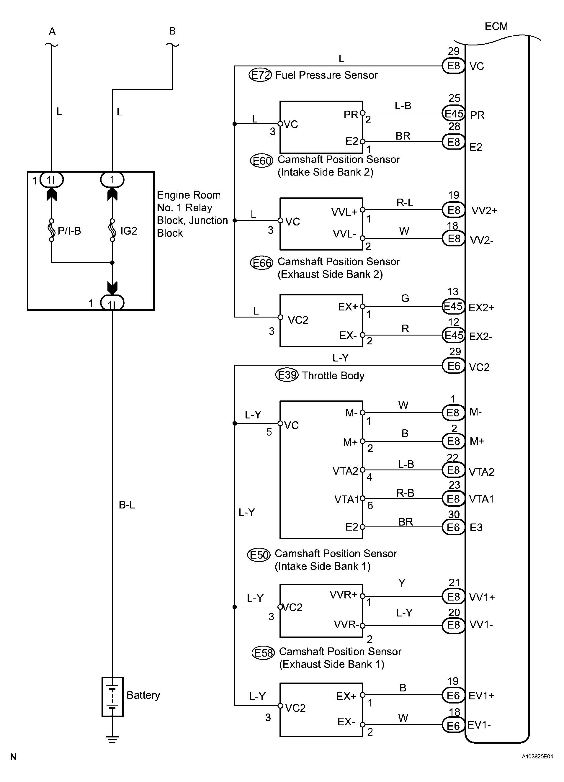
Fig 2: Wiring Diagram - ECM Power Source Circuit (2 Of 2)
G04017991Courtesy of © TOYOTA, LICENSE AGREEMENT TMS1002
  1. INSPECT ECM (+B, +B1 VOLTAGE) 
    1. Turn the engine switch on (IG).
    2. Measure the voltage of the A6 and E7 ECM connectors.

      Standard voltage 

      ECM TERMINALS VOLTAGE SPECIFICATIONS

      Tester Connection Specified Condition
      +B (A6-6) - E1 (E7-7)  9 to 14 V 
      +B1 (A6-5) - E1 (E7-7)  9 to 14 V 

    OK : PROCEED TO NEXT CIRCUIT INSPECTION SHOWN ON  PROBLEM SYMPTOMS TABLE 

    Fig 3: Identifying A6 And E7 ECM Connectors
    G04017992Courtesy of © TOYOTA, LICENSE AGREEMENT TMS1002

    NG : GO TO NEXT STEP 

  2. CHECK HARNESS AND CONNECTOR (ECM - BODY GROUND) 
    1. Disconnect the E7 ECM connector.
    2. Measure the resistance of the wire harness side connector.

      Standard resistance (Check for open) 

      ECM TERMINALS RESISTANCE SPECIFICATIONS (CHECK FOR OPEN)

      Tester Connection Specified Condition
      E1 (E7-7) - Body ground  Below 1 Ω 
    3. Reconnect the ECM connector.

    NG : REPAIR OR REPLACE HARNESS AND CONNECTOR 

    Fig 4: Identifying E7 ECM Connector
    G04017993Courtesy of © TOYOTA, LICENSE AGREEMENT TMS1002

    OK : GO TO NEXT STEP 

  3. INSPECT ECM (IGSW VOLTAGE) 
    1. Turn the engine switch on (IG).
    2. Measure the voltage of the A6 and E7 ECM connectors.

      Standard voltage 

      ECM TERMINALS VOLTAGE SPECIFICATIONS

      Tester Connection Specified Condition
      IGSW (A6-17) - E1 (E7-7)  9 to 14 V 

    OK : Go to step   6 

    Fig 5: Identifying A6 And E7 ECM Connectors
    G04017994Courtesy of © TOYOTA, LICENSE AGREEMENT TMS1002

    NG : GO TO NEXT STEP 

  4. CHECK FUSE (IGN FUSE) 
    1. Remove the IGN fuse from the cowl side junction block RH.
    2. Measure the resistance of the IGN fuse.

      Standard resistance: 

      Below 1 Ω 

    3. Reinstall the IGN fuse.

    NG : CHECK FOR SHORT IN ALL HARNESSES AND COMPONENTS CONNECTED TO FUSE 

    Fig 6: Identifying IGN Fuse
    G04017995Courtesy of © TOYOTA, LICENSE AGREEMENT TMS1002

    OK : GO TO NEXT STEP 

  5. INSPECT IG2 RELAY 
    1. Remove the IG2 relay from the engine room No. 2 relay block.
    2. Measure the resistance of the IG2 relay.

      Standard resistance 

      IG2 RELAY TERMINALS RESISTANCE SPECIFICATIONS

      Tester Connection Specified Condition
      3 - 5  10 kΩ or higher 
      3 - 5  Below 1 Ω (when battery voltage applied to terminals 1 and 2) 

    NG : REPLACE IG2 RELAY 

    Fig 7: Measuring Resistance Of IG2 Relay
    G04017996Courtesy of © TOYOTA, LICENSE AGREEMENT TMS1002

    OK : PUSH BUTTON START SYSTEM 

  6. INSPECT ECM (MREL VOLTAGE) 
    1. Turn the engine switch on (IG).
    2. Measure the voltage of the A6 and E7 ECM connectors.

      Standard voltage 

      ECM TERMINALS VOLTAGE SPECIFICATIONS

      Tester Connection Specified Condition
      MREL (A6-17)- E1 (7-7)  9 to 14 V 

    NG : REPLACE ECM 

    Fig 8: Identifying A6 And E7 ECM Connectors
    G04017997Courtesy of © TOYOTA, LICENSE AGREEMENT TMS1002

    OK : GO TO NEXT STEP 

  7. CHECK FUSE (EFI FUSE) 
    1. Remove the EFI fuse from the engine room No. 2 junction block.
    2. Measure the resistance of the EFI fuse.

      Standard resistance: 

      Below 1 Ω 

    3. Reinstall the EFI fuse.

    NG : CHECK FOR SHORT IN ALL HARNESSES AND COMPONENTS CONNECTED TO FUSE 

    Fig 9: Identifying EFI Fuse
    G04017998Courtesy of © TOYOTA, LICENSE AGREEMENT TMS1002

    OK : GO TO NEXT STEP 

  8. INSPECT INTEGRATION RELAY (EFI MAIN RELAY) 
    1. Remove the integration relay from the engine room No. 2 junction block.
    2. Measure the resistance of the EFI MAIN relay.

      Standard resistance: 

      EFI MAIN RELAY TERMINALS RESISTANCE SPECIFICATIONS

      Tester Connection Specified Condition
      2C-1 - 2A-8 10 kΩ or higher
      Below 1 Ω (when battery voltage applied to terminals 2A-6 and 2A-7)

    NG : REPLACE INTEGRATION RELAY 

    Fig 10: Identifying Integration Relay From Engine Room No 2 Junction Block
    G04017999Courtesy of © TOYOTA, LICENSE AGREEMENT TMS1002

    OK : GO TO NEXT STEP 

  9. CHECK HARNESS AND CONNECTOR (INTEGRATION RELAY- ECM, INTEGRATION RELAY - BODY GROUND) 
    1. Check the harness and the connectors between the integration relay and the ECM.
      1. Remove the integration relay from the engine room No. 2 relay block, junction block.
      2. Disconnect the A6 ECM connector.
      3. Measure the resistance of the wire harness side connectors.

        Standard resistance (Check for open) 

        INTEGRATION RELAY TERMINALS RESISTANCE SPECIFICATIONS (CHECK FOR OPEN)

        Tester Connection Specified Condition
        2A-6 - MREL (A6-13)  Below 1 Ω 

        Standard resistance (Check for short) 

        INTEGRATION RELAY TERMINALS RESISTANCE SPECIFICATIONS (CHECK FOR SHORT)

        Tester Connection Specified Condition
        2A-6 or MREL (A6-13) - Body ground  10 kΩ or higher 
    2. Check the harness and the connectors between the integration relay and body ground.
      1. Remove the integration relay from the engine room No. 2 relay block, junction block.
      2. Measure the resistance of the wire harness side connector and body ground.

        Standard resistance (Check for open) 

        INTEGRATION RELAY TERMINALS RESISTANCE SPECIFICATIONS (CHECK FOR OPEN)

        Tester Connection Specified condition
        2A-7 - Body ground  Below 1 Ω 

    NG : REPAIR OR REPLACE HARNESS AND CONNECTOR 

    Fig 11: Identifying A6 ECM Connector
    G04018000Courtesy of © TOYOTA, LICENSE AGREEMENT TMS1002

    OK : CHECK AND REPAIR HARNESS AND CONNECTOR (TERMINAL +B OF ECM - BATTERY POSITIVE TERMINAL)