LEMON Manuals: Even more car manuals for everyone: 1960-2025
Home >> Lexus >> 2006 >> GS 300 AWD >> Repair and Diagnosis >> Steering >> Manual Steering >> Power Steering >> Electronic Power Steering System >> DTC U0073 Control Module Communication Bus OFF; DTC U0105 Lost Communication with ECM; DTC U0121 Lost Communication with Anti-lock Brake System (ABS) Control Module; DTC U0122 Lost Communication with Vehicle Dynamics Control Module; DTC U0130 Lost Communication with VGRS >> Wiring Diagram
April 5, 2026: LEMON Manuals is launched! Read the announcement.

DTC U0073 Control Module Communication Bus OFF; DTC U0105 Lost Communication with ECM; DTC U0121 Lost Communication with Anti-lock Brake System (ABS) Control Module; DTC U0122 Lost Communication with Vehicle Dynamics Control Module; DTC U0130 Lost Communication with VGRS: Wiring Diagram

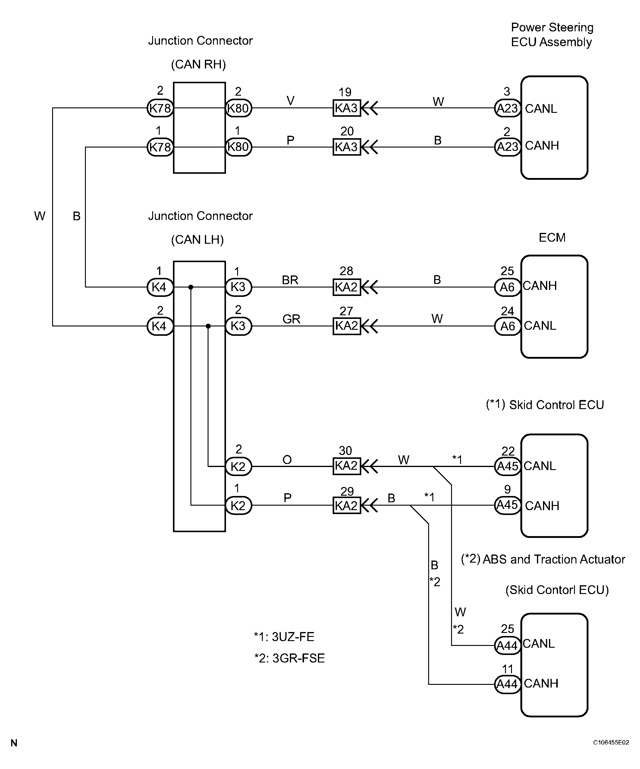
Fig 1: Wiring Diagram - Control Module Communication
G04025673Courtesy of © TOYOTA, LICENSE AGREEMENT TMS1002
  1. CHECK DTC 
    1. Using the intelligent tester, check for DTCs.

    NEXT: GO TO CAN COMMUNICATION SYSTEM TROUBLESHOOTING