LEMON Manuals: Even more car manuals for everyone: 1960-2025
Home >> Lexus >> 2006 >> GS 430 V8-4.3L (3UZ-FE) >> Repair and Diagnosis >> Powertrain Management >> Computers and Control Systems >> Information Bus >> Testing and Inspection >> Component Tests and General Diagnostics >> Absorber Control ECU Communication Stop Mode
April 5, 2026: LEMON Manuals is launched! Read the announcement.

Absorber Control ECU Communication Stop Mode

Absorber Control ECU Communication Stop Mode

Detection Item:




DESCRIPTION

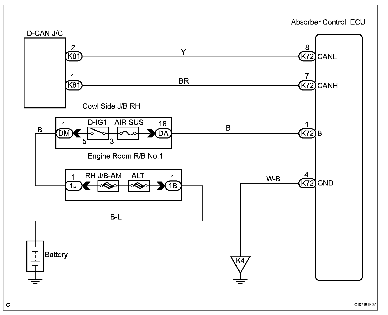
Wiring Diagram:






Step 1:




Step 1(continued)-2:




INSPECTION PROCEDURE