LEMON Manuals: Even more car manuals for everyone: 1960-2025
Home >> Lexus >> 2006 >> GS 430 >> Repair and Diagnosis >> Accessories & Equipment >> Cruise Control Systems >> Cruise Control >> Dynamic Radar Cruise Control System >> Distance Control ECU Power Source Circuit >> Wiring Diagram
April 5, 2026: LEMON Manuals is launched! Read the announcement.

Distance Control ECU Power Source Circuit: Wiring Diagram

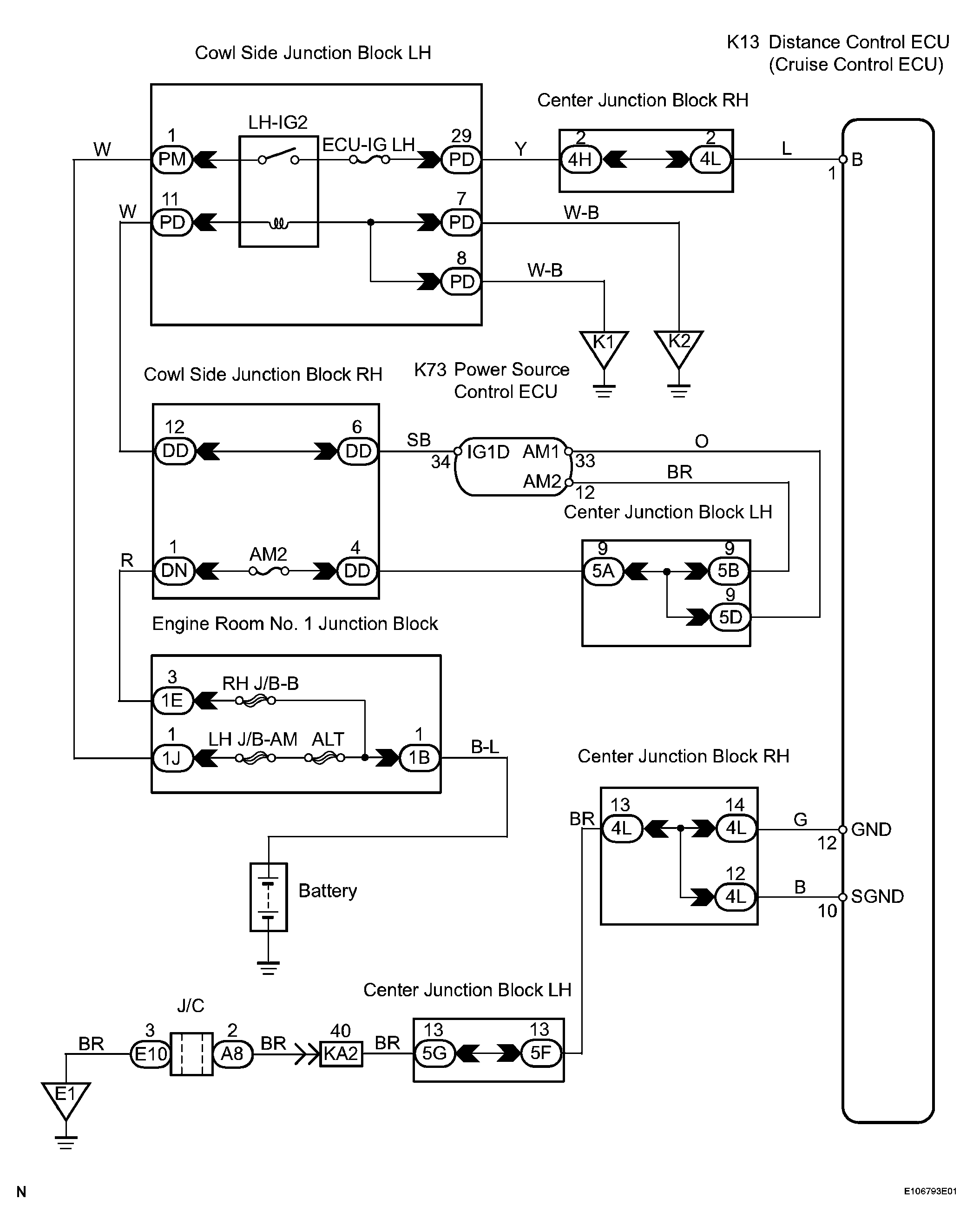
Fig 1: Distance Control ECU Power Source Circuit - Wiring Diagram
G04024090Courtesy of © TOYOTA, LICENSE AGREEMENT TMS1002
  1. CHECK DISTANCE CONTROL ECU 
    1. Disconnect the distance control ECU connector.
    2. Measure the voltage according to the value(s) in the table below.

      Standard voltage 

      TESTER CONNECTION AND SPECIFIED CONDITION CHART

      Tester Connection Condition Specified Condition
      K13-1 (B) - Body ground Engine switch on (IG) 10 to 14 V
    3. Measure the resistance according to the value(s) in the table below.

      Standard resistance 

      TESTER CONNECTION AND SPECIFIED CONDITION CHART

      Tester Connection Condition Specified Condition
      K13-10 (SGND) - Body ground Always Below 1 Ω
      K13-12 (GND) - Body ground Always Below 1 Ω

    NG : REPAIR OR REPLACE WIRE HARNESS AND CONNECTOR 

    Fig 2: Identifying Distance Control ECU Connector Terminals
    G04024091Courtesy of © TOYOTA, LICENSE AGREEMENT TMS1002

    OK : PROCEED TO NEXT CIRCUIT INSPECTION SHOWN IN  PROBLEM SYMPTOMS TABLE