LEMON Manuals: Even more car manuals for everyone: 1960-2025
Home >> Lexus >> 2006 >> GS 430 >> Repair and Diagnosis >> Brakes >> Brakes Control Systems >> Brake Control >> Electronically Controlled Brake System >> System Diagram
April 5, 2026: LEMON Manuals is launched! Read the announcement.

System Diagram

Fig 1: Electronically Controlled Brake System - System Diagram (1 Of 4)
G04025056Courtesy of © TOYOTA, LICENSE AGREEMENT TMS1002
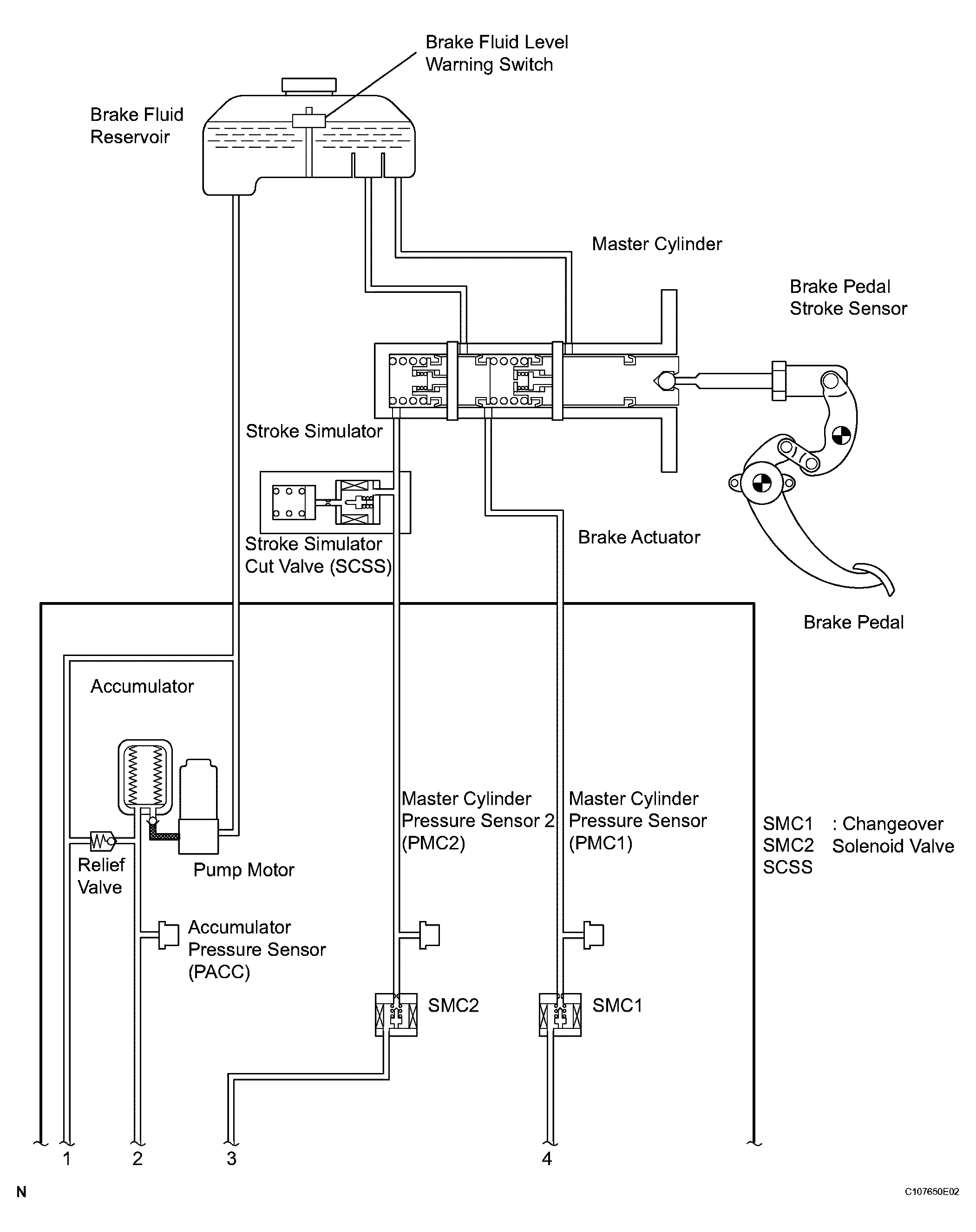
Fig 2: Electronically Controlled Brake System - System Diagram (2 Of 4)
G04025057Courtesy of © TOYOTA, LICENSE AGREEMENT TMS1002
Fig 3: Electronically Controlled Brake System - System Diagram (3 Of 4)
G04025058Courtesy of © TOYOTA, LICENSE AGREEMENT TMS1002
Fig 4: Electronically Controlled Brake System - System Diagram (4 Of 4)
G04025059Courtesy of © TOYOTA, LICENSE AGREEMENT TMS1002
ECU SIGNALS

Transmitting ECU (Transmitter) Receiving ECU Signals Communication Method
ECM Skid control ECU
  • Shift position signal
  • Throttle position signal
  • Engine revolution signal
  • Intake air temperature signal
  • Engine torque request signal
  • HAC prohibit request signal
  • Accelerator pedal position signal
CAN communication system
Skid control ECU Yaw rate and acceleration sensor Yaw rate and acceleration request signal CAN communication system Skid control ECU
Skid control ECU Steering angle sensor Steering angle sensor request signal CAN communication system Skid control ECU
Skid control ECU ECM
  • Wheel speed signal
  • VSC data signal
CAN communication system Skid control ECU
Skid control ECU Gateway ECU
  • ABS warning light ON signal
  • BRAKE warning light ON signal
  • Brake control warning light ON signal
  • SLIP indicator light ON signal
CAN communication system Skid control ECU
Skid control ECU Power steering (EPS) ECU Target additional torque signal CAN communication system
Power steering (EPS) ECU Skid control ECU EPS cooperative control enabling signal CAN communication system Skid control ECU
Skid control ECU Steering control (VGRS) ECU Target relative angle signal CAN communication system
Steering control (VGRS) ECU Skid control ECU
  • VGRS cooperative control enabling signal
  • VGRS relative angle (speed) signal
CAN communication system
Distance control ECU Skid control ECU Brake control request signal CAN communication system