LEMON Manuals: Even more car manuals for everyone: 1960-2025
Home >> Lexus >> 2006 >> GS 430 >> Repair and Diagnosis >> Electrical >> Body Electrical >> OEM System Circuits >> Air Conditioning >> Notes
April 5, 2026: LEMON Manuals is launched! Read the announcement.

Air Conditioning: Notes

Fig 1: Air Conditioning System Wiring Diagram (1 Of 8)
G08910634Courtesy of © TOYOTA, LICENSE AGREEMENT TMS1002
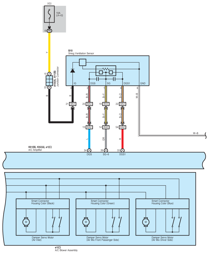
Fig 2: Air Conditioning System Wiring Diagram (2 Of 8)
G08910635Courtesy of © TOYOTA, LICENSE AGREEMENT TMS1002
Fig 3: Air Conditioning System Wiring Diagram (3 Of 8)
G08910636Courtesy of © TOYOTA, LICENSE AGREEMENT TMS1002
Fig 4: Air Conditioning System Wiring Diagram (4 Of 8)
G08910637Courtesy of © TOYOTA, LICENSE AGREEMENT TMS1002
Fig 5: Air Conditioning System Wiring Diagram (5 Of 8)
G08910638Courtesy of © TOYOTA, LICENSE AGREEMENT TMS1002
Fig 6: Air Conditioning System Wiring Diagram (6 Of 8)
G08910639Courtesy of © TOYOTA, LICENSE AGREEMENT TMS1002
Fig 7: Air Conditioning System Wiring Diagram (7 Of 8)
G08910640Courtesy of © TOYOTA, LICENSE AGREEMENT TMS1002
Fig 8: Air Conditioning System Wiring Diagram (8 Of 8)
G08910641Courtesy of © TOYOTA, LICENSE AGREEMENT TMS1002