LEMON Manuals: Even more car manuals for everyone: 1960-2025
Home >> Lexus >> 2006 >> GS 430 >> Repair and Diagnosis >> Electrical >> Body Electrical >> OEM System Circuits >> Climate Control Seat >> Notes
April 5, 2026: LEMON Manuals is launched! Read the announcement.

Climate Control Seat: Notes

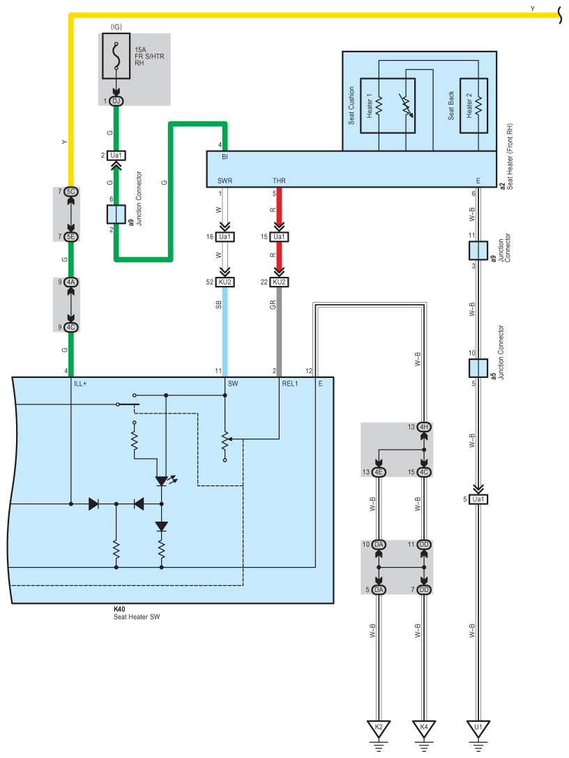
Fig 1: Climate Control Seat System Wiring Diagram (1 Of 5)
G08910574Courtesy of © TOYOTA, LICENSE AGREEMENT TMS1002
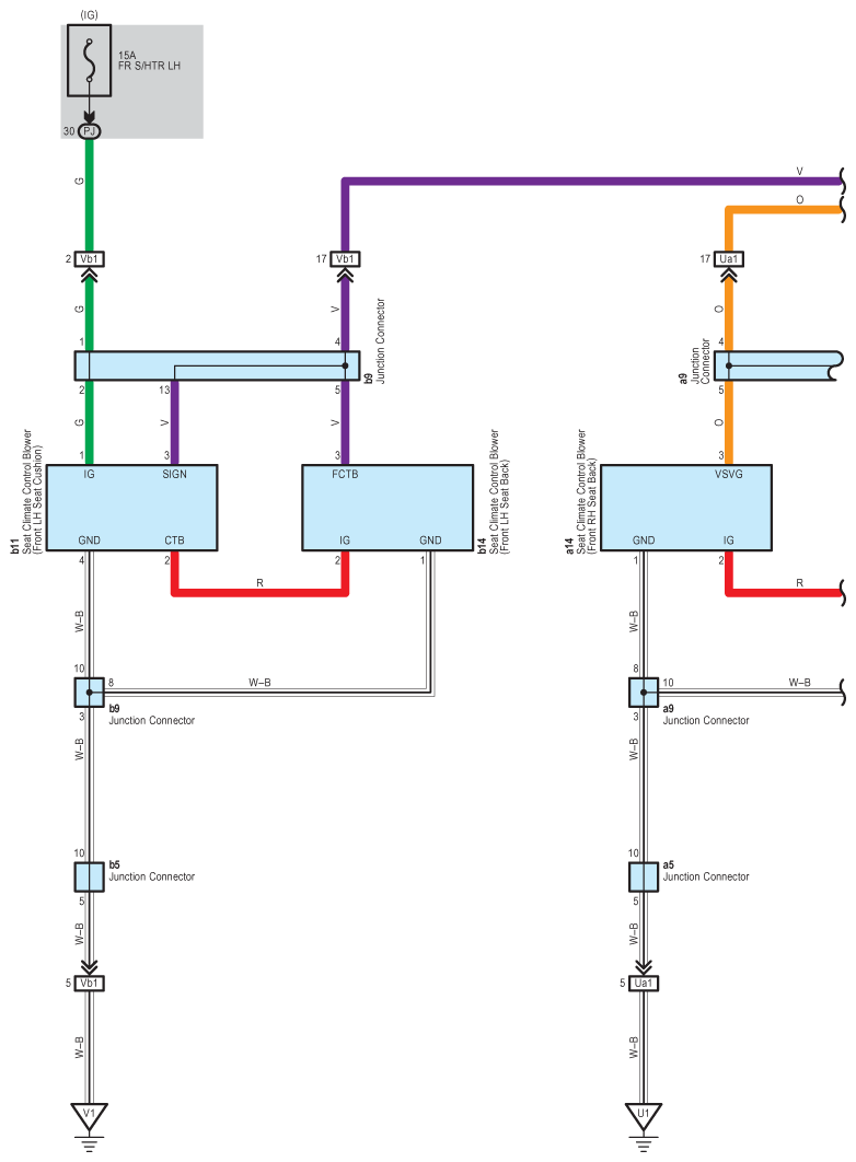
Fig 2: Climate Control Seat System Wiring Diagram (2 Of 5)
G08910575Courtesy of © TOYOTA, LICENSE AGREEMENT TMS1002
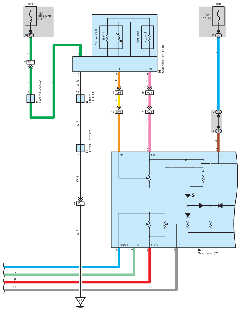
Fig 3: Climate Control Seat System Wiring Diagram (3 Of 5)
G08910576Courtesy of © TOYOTA, LICENSE AGREEMENT TMS1002
Fig 4: Climate Control Seat System Wiring Diagram (4 Of 5)
G08910577Courtesy of © TOYOTA, LICENSE AGREEMENT TMS1002
Fig 5: Climate Control Seat System Wiring Diagram (5 Of 5)
G08910578Courtesy of © TOYOTA, LICENSE AGREEMENT TMS1002