LEMON Manuals: Even more car manuals for everyone: 1960-2025
Home >> Lexus >> 2006 >> GS 430 >> Repair and Diagnosis >> Electrical >> Body Electrical >> OEM System Circuits >> Cooling Fan >> Notes
April 5, 2026: LEMON Manuals is launched! Read the announcement.

Cooling Fan: Notes

Fig 1: Cooling Fan System Wiring Diagram (1 Of 4)
G08910630Courtesy of © TOYOTA, LICENSE AGREEMENT TMS1002
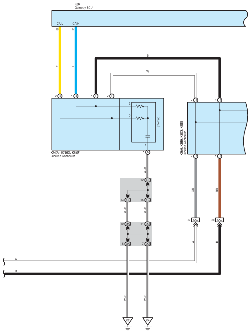
Fig 2: Cooling Fan System Wiring Diagram (2 Of 4)
G08910631Courtesy of © TOYOTA, LICENSE AGREEMENT TMS1002
Fig 3: Cooling Fan System Wiring Diagram (3 Of 4)
G08910632Courtesy of © TOYOTA, LICENSE AGREEMENT TMS1002
Fig 4: Cooling Fan System Wiring Diagram (4 Of 4)
G08910633Courtesy of © TOYOTA, LICENSE AGREEMENT TMS1002