LEMON Manuals: Even more car manuals for everyone: 1960-2025
Home >> Lexus >> 2006 >> GS 430 >> Repair and Diagnosis >> Electrical >> Body Electrical >> OEM System Circuits >> Front Wiper and Washer >> Notes
April 5, 2026: LEMON Manuals is launched! Read the announcement.

Front Wiper and Washer: Notes

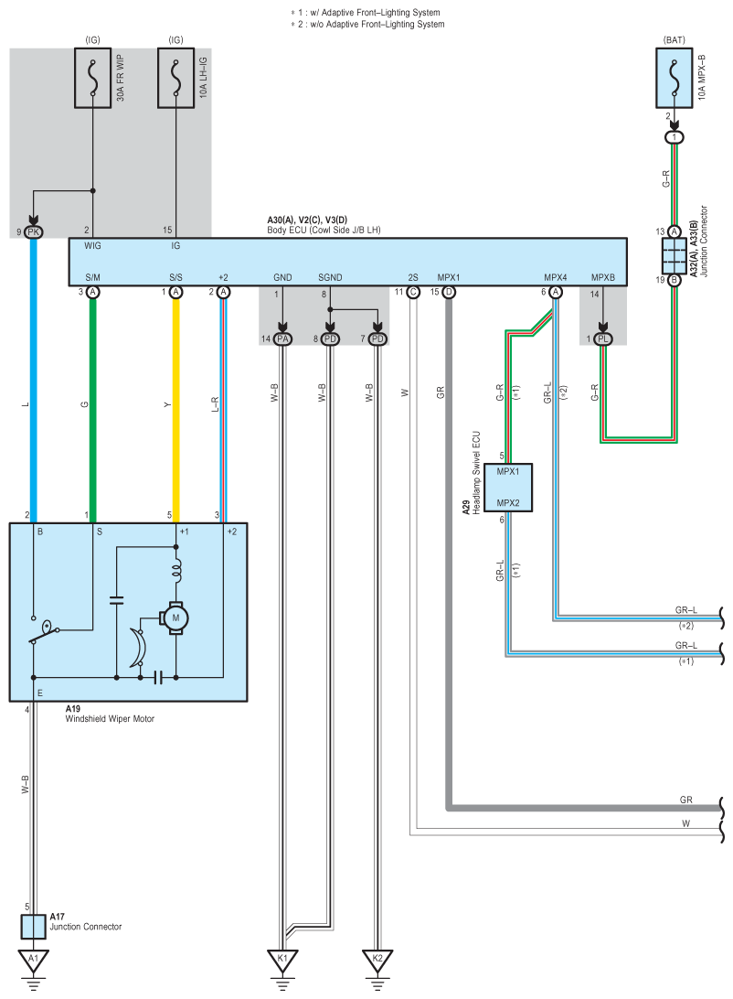
Fig 1: Front Wiper And Washer System Wiring Diagram (1 Of 9)
G08910360Courtesy of © TOYOTA, LICENSE AGREEMENT TMS1002
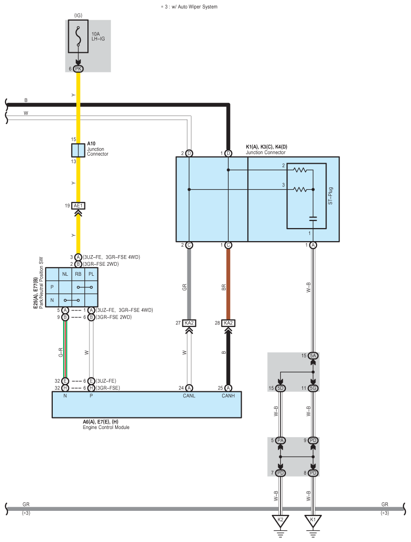
Fig 2: Front Wiper And Washer System Wiring Diagram (2 Of 9)
G08910361Courtesy of © TOYOTA, LICENSE AGREEMENT TMS1002
Fig 3: Front Wiper And Washer System Wiring Diagram (3 Of 9)
G08910362Courtesy of © TOYOTA, LICENSE AGREEMENT TMS1002
Fig 4: Front Wiper And Washer System Wiring Diagram (4 Of 9)
G08910363Courtesy of © TOYOTA, LICENSE AGREEMENT TMS1002
Fig 5: Front Wiper And Washer System Wiring Diagram (5 Of 9)
G08910364Courtesy of © TOYOTA, LICENSE AGREEMENT TMS1002
Fig 6: Front Wiper And Washer System Wiring Diagram (6 Of 9)
G08910365Courtesy of © TOYOTA, LICENSE AGREEMENT TMS1002
Fig 7: Front Wiper And Washer System Wiring Diagram (7 Of 9)
G08910366Courtesy of © TOYOTA, LICENSE AGREEMENT TMS1002
Fig 8: Front Wiper And Washer System Wiring Diagram (8 Of 9)
G08910367Courtesy of © TOYOTA, LICENSE AGREEMENT TMS1002
Fig 9: Front Wiper And Washer System Wiring Diagram (9 Of 9)
G08910368Courtesy of © TOYOTA, LICENSE AGREEMENT TMS1002