LEMON Manuals: Even more car manuals for everyone: 1960-2025
Home >> Lexus >> 2006 >> GS 430 >> Repair and Diagnosis >> Electrical >> Body Electrical >> OEM System Circuits >> Ignition for 3GR-FSE >> Notes
April 5, 2026: LEMON Manuals is launched! Read the announcement.

Ignition for 3GR-FSE: Notes

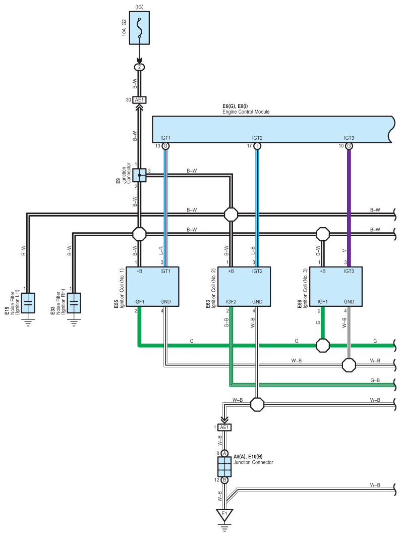
Fig 1: Ignition System Wiring Diagram - 3GR-FSE (1 Of 2)
G08910246Courtesy of © TOYOTA, LICENSE AGREEMENT TMS1002
Fig 2: Ignition System Wiring Diagram - 3GR-FSE (2 Of 2)
G08910247Courtesy of © TOYOTA, LICENSE AGREEMENT TMS1002