LEMON Manuals: Even more car manuals for everyone: 1960-2025
Home >> Lexus >> 2006 >> GS 430 >> Repair and Diagnosis >> Electrical >> Body Electrical >> OEM System Circuits >> Interior Light >> Notes
April 5, 2026: LEMON Manuals is launched! Read the announcement.

Interior Light: Notes

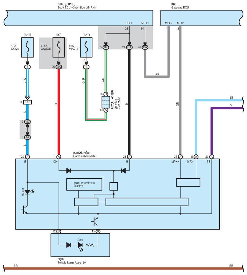
Fig 1: Interior Light System Wiring Diagram (1 Of 14)
G08910296Courtesy of © TOYOTA, LICENSE AGREEMENT TMS1002
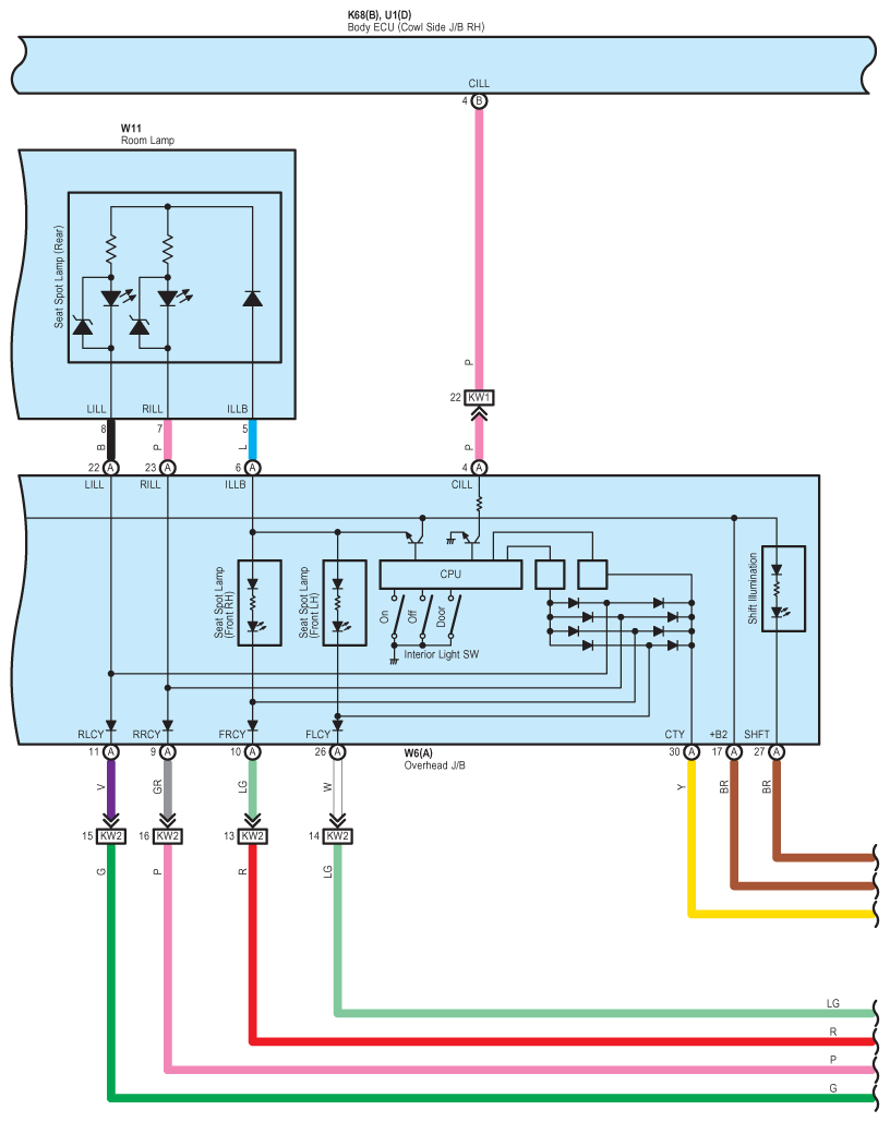
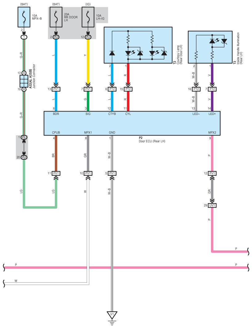
Fig 2: Interior Light System Wiring Diagram (2 Of 14)
G08910297Courtesy of © TOYOTA, LICENSE AGREEMENT TMS1002
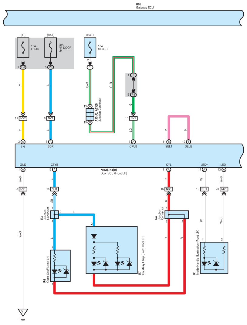
Fig 3: Interior Light System Wiring Diagram (3 Of 14)
G08910298Courtesy of © TOYOTA, LICENSE AGREEMENT TMS1002
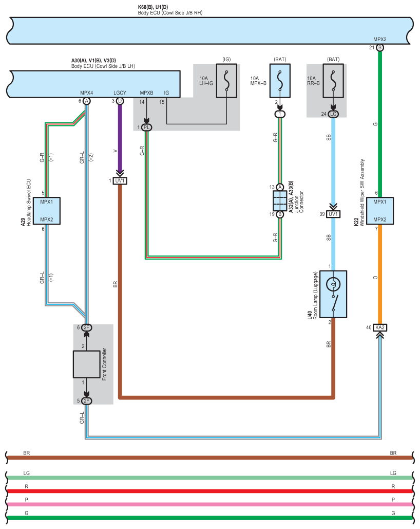
Fig 4: Interior Light System Wiring Diagram (4 Of 14)
G08910299Courtesy of © TOYOTA, LICENSE AGREEMENT TMS1002
Fig 5: Interior Light System Wiring Diagram (5 Of 14)
G08910300Courtesy of © TOYOTA, LICENSE AGREEMENT TMS1002
Fig 6: Interior Light System Wiring Diagram (6 Of 14)
G08910301Courtesy of © TOYOTA, LICENSE AGREEMENT TMS1002
Fig 7: Interior Light System Wiring Diagram (7 Of 14)
G08910302Courtesy of © TOYOTA, LICENSE AGREEMENT TMS1002
Fig 8: Interior Light System Wiring Diagram (8 Of 14)
G08910303Courtesy of © TOYOTA, LICENSE AGREEMENT TMS1002
Fig 9: Interior Light System Wiring Diagram (9 Of 14)
G08910304Courtesy of © TOYOTA, LICENSE AGREEMENT TMS1002
Fig 10: Interior Light System Wiring Diagram (10 Of 14)
G08910305Courtesy of © TOYOTA, LICENSE AGREEMENT TMS1002
Fig 11: Interior Light System Wiring Diagram (11 Of 14)
G08910306Courtesy of © TOYOTA, LICENSE AGREEMENT TMS1002
Fig 12: Interior Light System Wiring Diagram (12 Of 14)
G08910307Courtesy of © TOYOTA, LICENSE AGREEMENT TMS1002
Fig 13: Interior Light System Wiring Diagram (13 Of 14)
G08910308Courtesy of © TOYOTA, LICENSE AGREEMENT TMS1002
Fig 14: Interior Light System Wiring Diagram (14 Of 14)
G08910309Courtesy of © TOYOTA, LICENSE AGREEMENT TMS1002