LEMON Manuals: Even more car manuals for everyone: 1960-2025
Home >> Lexus >> 2006 >> GS 430 >> Repair and Diagnosis >> Electrical >> Body Electrical >> OEM System Circuits >> Mirror Heater >> Notes
April 5, 2026: LEMON Manuals is launched! Read the announcement.

Mirror Heater: Notes

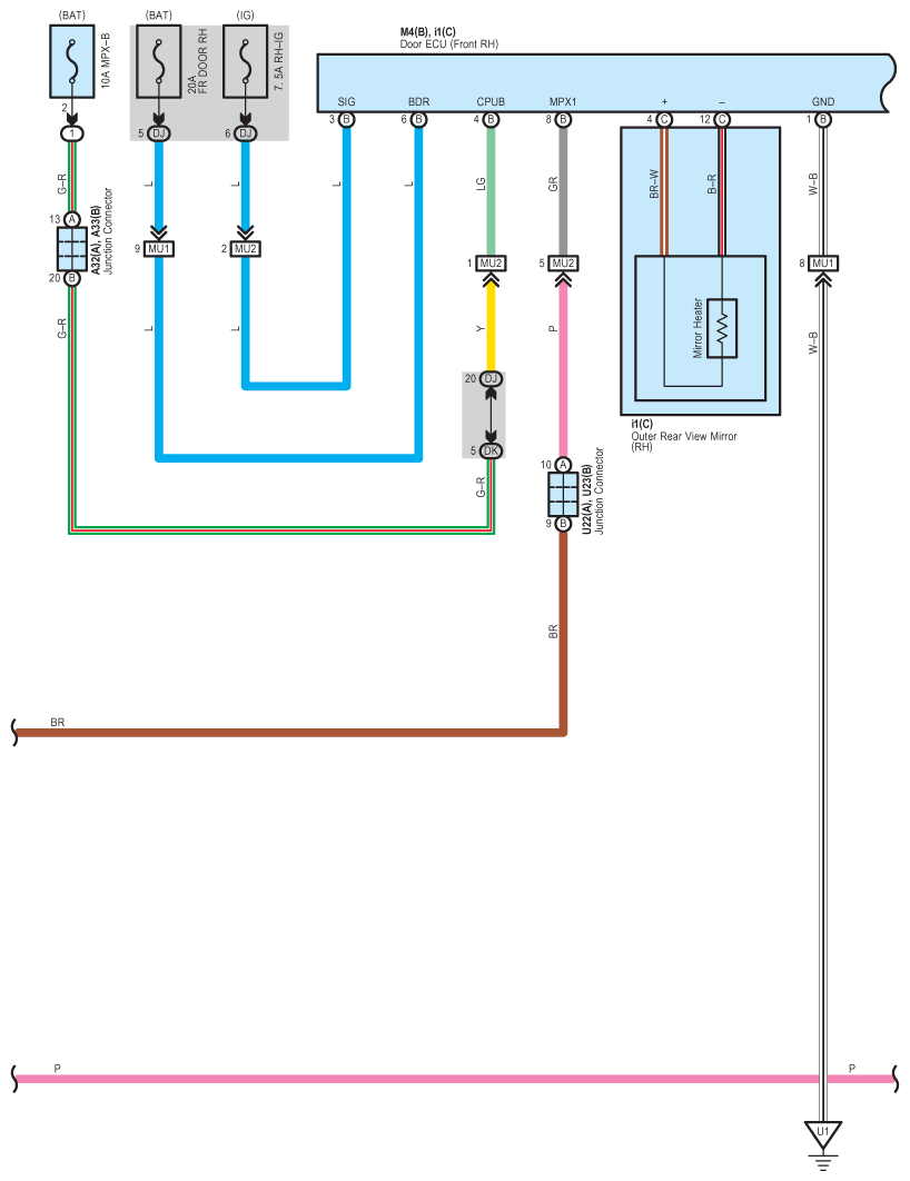
Fig 1: Mirror Heater System Wiring Diagram (1 Of 3)
G08910592Courtesy of © TOYOTA, LICENSE AGREEMENT TMS1002
Fig 2: Mirror Heater System Wiring Diagram (2 Of 3)
G08910593Courtesy of © TOYOTA, LICENSE AGREEMENT TMS1002
Fig 3: Mirror Heater System Wiring Diagram (3 Of 3)
G08910594Courtesy of © TOYOTA, LICENSE AGREEMENT TMS1002