LEMON Manuals: Even more car manuals for everyone: 1960-2025
Home >> Lexus >> 2006 >> GS 430 >> Repair and Diagnosis >> Electrical >> Body Electrical >> OEM System Circuits >> Pre-Collision Safety System >> Notes
April 5, 2026: LEMON Manuals is launched! Read the announcement.

Pre-Collision Safety System: Notes

Fig 1: Pre-Collision Safety System Wiring Diagram (1 Of 5)
G08910516Courtesy of © TOYOTA, LICENSE AGREEMENT TMS1002
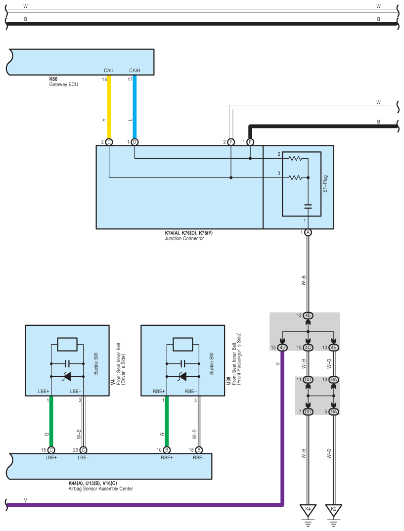
Fig 2: Pre-Collision Safety System Wiring Diagram (2 Of 5)
G08910517Courtesy of © TOYOTA, LICENSE AGREEMENT TMS1002
Fig 3: Pre-Collision Safety System Wiring Diagram (3 Of 5)
G08910518Courtesy of © TOYOTA, LICENSE AGREEMENT TMS1002
Fig 4: Pre-Collision Safety System Wiring Diagram (4 Of 5)
G08910519Courtesy of © TOYOTA, LICENSE AGREEMENT TMS1002
Fig 5: Pre-Collision Safety System Wiring Diagram (5 Of 5)
G08910520Courtesy of © TOYOTA, LICENSE AGREEMENT TMS1002