LEMON Manuals: Even more car manuals for everyone: 1960-2025
Home >> Lexus >> 2006 >> GS 430 >> Repair and Diagnosis >> Engine Performance >> System >> Engine Control System (3UZ-FE) >> SFI System >> ECM Power Source Circuit >> Wiring Diagram
April 5, 2026: LEMON Manuals is launched! Read the announcement.

ECM Power Source Circuit: Wiring Diagram

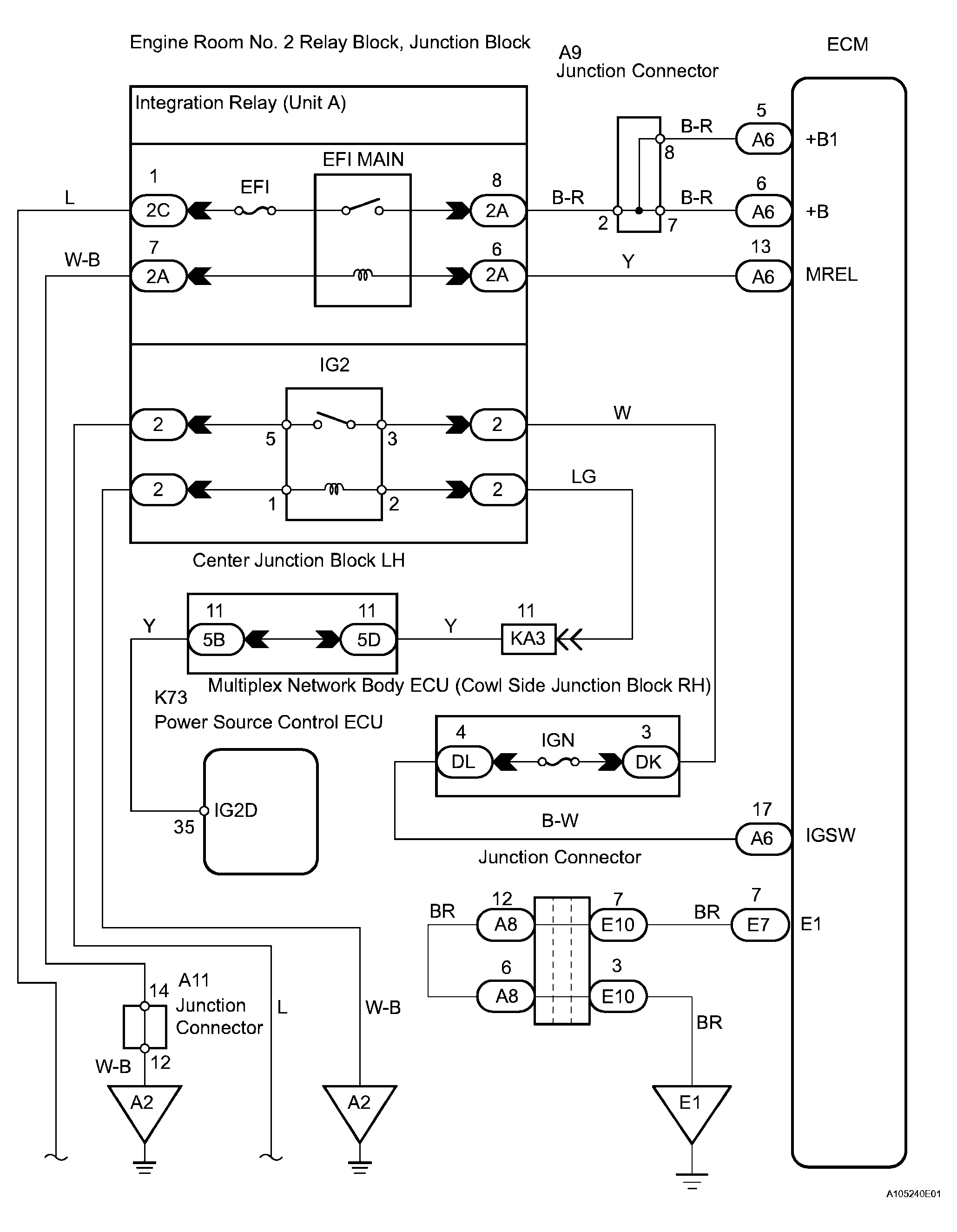
Fig 1: ECM Power Source Circuit Wiring Diagram (1 Of 2)
G04027137Courtesy of © TOYOTA, LICENSE AGREEMENT TMS1002
Fig 2: ECM Power Source Circuit Wiring Diagram (2 Of 2)
G04027138Courtesy of © TOYOTA, LICENSE AGREEMENT TMS1002
  1. CHECK ECM (+B, +B1 VOLTAGE) 
    1. Turn the engine switch on (IG).
    2. Measure the voltage of the ECM connectors.
      Fig 3: Measuring Voltage Of ECM Connectors
      G04027139Courtesy of © TOYOTA, LICENSE AGREEMENT TMS1002

      Standard voltage 

      TESTER CONNECTION AND SPECIFIED CONDITION CHART

      Tester Connection Specified Condition
      A6-6 (+B) - E7-7 (E1) 9 to 14 V
      A6-5 (+B1) - E7-7 (E1) 9 to 14 V

    OK : PROCEED TO NEXT CIRCUIT INSPECTION SHOWN ON  PROBLEM SYMPTOMS TABLE  

    NG : GO TO NEXT STEP. 

  2. CHECK WIRE HARNESS (ECM - BODY GROUND) 
    1. Disconnect the E7 ECM connector.
    2. Measure the resistance of the wire harness side connector.
      Fig 4: Identifying E7 ECM Connector
      G04027140Courtesy of © TOYOTA, LICENSE AGREEMENT TMS1002

      Standard resistance 

      TESTER CONNECTION AND SPECIFIED CONDITION CHART

      Tester Connection Specified Condition
      E7-7 (E1) - Body ground Below 1 Ω

    NG : REPAIR OR REPLACE HARNESS AND CONNECTOR 

    OK : GO TO NEXT STEP. 

  3. CHECK ECM (IGSW VOLTAGE) 
    1. Turn the engine switch on (IG).
    2. Measure the voltage of the ECM connectors.
      Fig 5: Measuring Voltage Of ECM Connectors
      G04027141Courtesy of © TOYOTA, LICENSE AGREEMENT TMS1002

      Standard voltage 

      TESTER CONNECTION AND SPECIFIED CONDITION CHART

      Tester Connection Specified Condition
      A6-17 (IGSW) - E7-7 (E1) 9 to 14 V

    OK : Go to step   6 

    NG : GO TO NEXT STEP. 

  4. INSPECT FUSE (IGN) 
    1. Remove the IGN fuse from the body ECU.
    2. Measure the resistance of the IGN fuse.
      Fig 6: Measuring Resistance Of IGN Fuse
      G04027142Courtesy of © TOYOTA, LICENSE AGREEMENT TMS1002

      Standard resistance: 

      Below 1 Ω 

    NG : CHECK AND REPLACE HARNESS AND CONNECTOR (POWER SOURCE CONTROL ECU, POWER SOURCE CONTROL ECU - ECM) 

    OK : GO TO NEXT STEP. 

  5. INSPECT RELAY (Marking IG2) 
    1. Remove the IG2 relay from engine room No. 2 relay block.
    2. Measure the resistance of the IG2 relay.
      Fig 7: Identifying IG2 Relay From Engine Room Relay Block
      G04027143Courtesy of © TOYOTA, LICENSE AGREEMENT TMS1002

      Standard resistance 

      TESTER CONNECTION AND SPECIFIED CONDITION CHART

      Tester Connection Specified Condition
      3 - 5 10 kΩ or higher
      3 - 5 Below 1 Ω (when battery voltage is applied to terminals 1 and 2)

    NG : REPLACE RELAY 

    OK : PUSH BUTTON START SYSTEM 

  6. CHECK ECM (MREL VOLTAGE) 
    1. Turn the engine switch on (IG).
    2. Measure the voltage of the ECM connectors.
      Fig 8: Measuring Voltage Of ECM Connectors
      G04027144Courtesy of © TOYOTA, LICENSE AGREEMENT TMS1002

      Standard voltage 

      TESTER CONNECTION AND SPECIFIED CONDITION CHART

      Tester Connection Specified Condition
      A6-13 (MREL) - E7-7 (E1) 9 to 14 V

    NG : REPLACE ECM 

    OK : GO TO NEXT STEP. 

  7. INSPECT FUSE (EFI) 
    1. Remove the EFI fuse from the engine room No. 2 relay block.
    2. Measure the resistance of the EFI fuse.
      Fig 9: Identifying EFI Fuse From Engine Room Relay Block
      G04027145Courtesy of © TOYOTA, LICENSE AGREEMENT TMS1002

      Standard resistance: 

      Below 1 Ω 

    NG : CHECK FOR SHORT IN ALL HARNESS AND COMPONENTS CONNECTED 

    OK : GO TO NEXT STEP. 

  8. INSPECT INTEGRATION RELAY (Marking EFI MAIN) 
    1. Remove the integration relay from the engine room No. 2 junction block.
    2. Measure the resistance of the EFI MAIN relay.
      Fig 10: Identifying Integration Relay At Engine Room Junction Block
      G04026951Courtesy of © TOYOTA, LICENSE AGREEMENT TMS1002

      Standard resistance 

      TESTER CONNECTION AND SPECIFIED CONDITION CHART

      Terminal Connections Specified Condition
      2A-8 - 2C-1 10 kΩ or higher
      2A-8 - 2C-1 Below 1 Ω (when battery voltage is applied to terminals 2A-6 and 2A-7)

    NG : REPAIR POWER SOURCE CONTROL ECU 

    OK : GO TO NEXT STEP. 

  9. CHECK WIRE HARNESS (INTEGRATION RELAY - ECM, INTEGRATION RELAY - BODY GROUND) 
    1. Check the wire harness between the integration relay and the ECM.
      1. Remove the integration relay from the engine room No. 2 junction block
      2. Disconnect the A6 ECM connector.
      3. Measure the resistance of the wire harness side connectors.
        Fig 11: Measuring Resistance Of Wire Harness Side Connectors
        G04027147Courtesy of © TOYOTA, LICENSE AGREEMENT TMS1002

        Standard resistance 

        TESTER CONNECTION AND SPECIFIED CONDITION CHART

        Tester Connection Specified Condition
        2A-6 - A6-13 (MREL) Below 1 Ω
        2A-6 or A6-13 (MREL) - Body ground 10 kΩ or higher
    2. Check the wire harness between the integration relay and body ground.
      1. Remove the integration relay from the engine room No. 2 junction block.
      2. Measure the resistance of the wire harness side connectors.

        Standard resistance 

        TESTER CONNECTION AND SPECIFIED CONDITION CHART

        Tester Connection Specified Condition
        2A-7 - Body ground Below 1 Ω

    NG : REPAIR OR REPLACE HARNESS AND CONNECTOR 

    OK : REPAIR OR REPLACE HARNESS AND CONNECTOR (TERMINAL +B OF ECM - POSITIVE BATTERY (+) TERMINAL)