LEMON Manuals: Even more car manuals for everyone: 1960-2025
Home >> Lexus >> 2006 >> GS 430 >> Repair and Diagnosis >> Engine Performance >> System >> Engine Control System (3UZ-FE) >> SFI System >> EVAP System >> Wiring Diagram
April 5, 2026: LEMON Manuals is launched! Read the announcement.

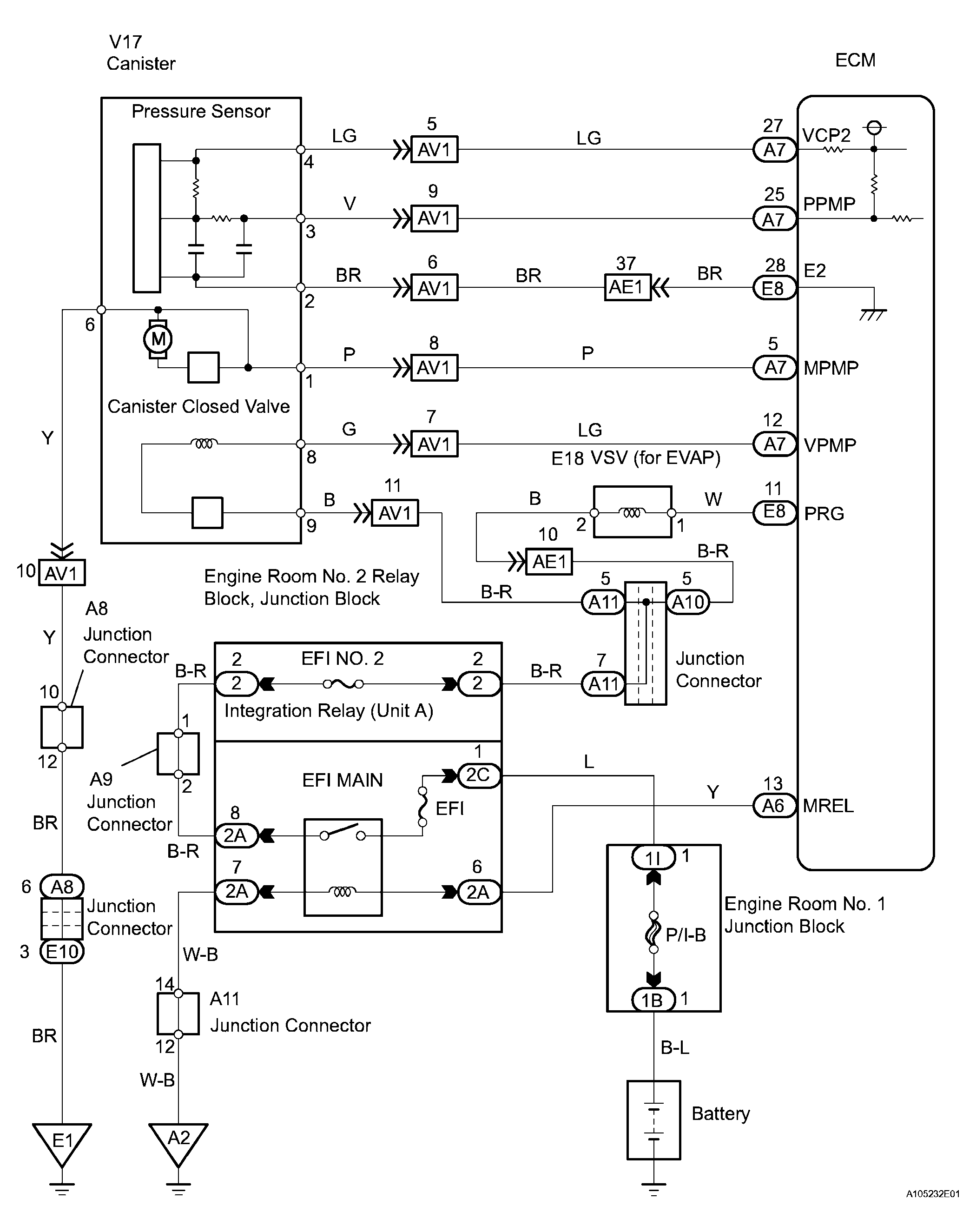
EVAP System: Wiring Diagram

Fig 1: DTC U0001 Wiring Diagram
G04027110Courtesy of © TOYOTA, LICENSE AGREEMENT TMS1002
NOTE: The intelligent tester is required to conduct the following diagnostic troubleshooting procedure.

HINT:

  1. CONFIRM DTC 
    1. Turn the engine switch off and wait for 10 seconds.
    2. Turn the engine switch on (IG).
    3. Turn the engine switch off and wait for 10 seconds.
    4. Connect the intelligent tester to the CAN VIM. Then connect the CAN VIM to the DLC3.
    5. Turn the engine switch on (IG).
    6. Enter the following menus: DIAGNOSIS / ENHANCED OBD II/ DTC INFO / CURRENT CODES.
    7. Confirm DTCs and freeze frame data.

      If any EVAP system DTCs are set, the malfunctioning area can be determined using the table below.

      NOTE: If the 0.02 inch reference pressure difference between the first and second checks is greater than the specification, the DTCs corresponding to the reference pressure (P043E, P043F, P0441, P0455, P0456, P2401 and P2420) will all be stored.
      Fig 2: Identifying DTC Malfunction Area
      G04027111Courtesy of © TOYOTA, LICENSE AGREEMENT TMS1002

    NEXT 

  2. PERFORM EVAP SYSTEM CHECK (AUTO OPERATION) 
    NOTE:
    • In the EVAP SYSTEM CHECK (AUTO OPERATION), the series of 5 EVAP SYSTEM CHECK steps are performed automatically. It takes a maximum of approximately 18 minutes.
    • Do not perform the EVAP SYSTEM CHECK when the fuel tank is more than 90% full because the cut-off valve may be closed, making the leak check of the fuel tank unavailable.
    • Do not run the engine in this step.
    • When the temperature of the fuel is 35°C (95°F) or more, a large amount of vapor forms and any check results become inaccurate. When performing the EVAP SYSTEM CHECK, keep the temperature below 35°C (95°F).
    1. Clear the DTCs (see DIAGNOSIS SYSTEM  ).
    2. Enter the following menus: DIAGNOSIS / ENHANCED OBD II / SYSTEM CHECK / EVAP SYS CHECK / AUTO OPERATION.
    3. After the EVAP SYSTEM CHECK is completed, check for pending DTCs by entering the following menus: DIAGNOSIS / ENHANCED OBD II / DTC INFO / PENDING CODES.

      HINT:

      If no pending DTC is displayed, perform the Monitor Confirmation after the repair is completed. After this confirmation, check for pending DTCs. If no DTC is displayed, the EVAP system is normal.

    NEXT 

  3. PERFORM EVAP SYSTEM CHECK (MANUAL OPERATION) 
    Fig 3: Identifying EVAP System Operation Chart
    G04027112Courtesy of © TOYOTA, LICENSE AGREEMENT TMS1002
    NOTE:
    • In the EVAP SYSTEM CHECK (MANUAL OPERATION), the series of 5 EVAP SYSTEM CHECK steps are performed manually.
    • Do not perform the EVAP SYSTEM CHECK when the fuel tank is more than 90% full because the cut-off valve may be closed, making the leak check of the fuel tank unavailable.
    • Do not run the engine in this step.
    • When the temperature of the fuel is 35°C (95°F) or more, a large amount of vapor forms and any check results become inaccurate. When performing the EVAP SYSTEM CHECK, keep the temperature below 35°C (95°F).
    1. Clear the DTCs (see DIAGNOSIS SYSTEM  ).
    2. Enter the following menus: DIAGNOSIS / ENHANCED OBD II / SYSTEM CHECK / EVAP SYS CHECK / MANUAL OPERATION.

    NEXT 

  4. PERFORM EVAP SYSTEM CHECK (STEP 1/5) 
    Fig 4: Identifying EVAP System (Step 1/5)
    G04027113Courtesy of © TOYOTA, LICENSE AGREEMENT TMS1002
    1. Check the EVAP pressure in step 1/5.

      Result 

      DIAGNOSTIC TROUBLE CODE CHART

      DTC No. (1) Test Results Suspected Trouble Areas Proceed to
      - Virtually no variation in EVAP pressure Not yet determined A
      P0451 EVAP pressure fluctuates by +- 0.3 kPa (2.25 mmHg) or more Pressure sensor noising B
      (1) The DTCs related to the EVAP system are displayed on the intelligent tester when checking.

    B : Go to step   30 

    A : GO TO NEXT STEP. 

  5. PERFORM EVAP SYSTEM CHECK (STEP 1/5 TO 2/5) 
    Fig 5: Identifying EVAP System (Step 1/5 To 2/5)
    G04027114Courtesy of © TOYOTA, LICENSE AGREEMENT TMS1002
    1. Check the EVAP pressure in step 1/5 and 2/5.

      Result 

      DIAGNOSTIC TROUBLE CODE CHART

      DTC No. (1) Test Results Suspected Trouble Areas Proceed to
      - Virtually no variation in EVAP pressure during step 1/5. Then decreases to 0.02 inch leak pressure standard Not yet determined A
      P2402 Small difference between EVAP pressures during steps 1/5 and 2/5 Vacuum pump stuck ON B
      (1) The DTCs related to the EVAP system are displayed on the intelligent tester when checking.

      HINT:

      The first 0.02 inch leak pressure standard is the value determined in step 2/5.

    B : Go to step   23 

    A : GO TO NEXT STEP. 

  6. PERFORM EVAP SYSTEM CHECK (STEP 2/5) 
    Fig 6: Identifying EVAP System Graph (Step 2/5)
    G04027115Courtesy of © TOYOTA, LICENSE AGREEMENT TMS1002

    HINT:

    Make a note of the pressures checked in the steps below.

    1. Check the EVAP pressure 4 seconds after the vacuum pump is activated*.
    2. Check the EVAP pressure again when it has stabilized. This pressure is the 0.02 inch leak pressure standard.

      *: The vacuum pump begins to operate as step 1/5 is proceeded to step 2/5.

      Result 

      DIAGNOSTIC TROUBLE CODE CHART

      DTC No.(1) Test Results Suspected Trouble Areas Proceed to
      - EVAP pressure in step (b) between -4.85 kPa and -1.06 kPa (-36.38 mmHg and -7.95 mmHg) Not yet determined A
      P043F and P2401 EVAP pressure in step (b) -1.06 kPa (-7.95 mmHg) or more
      • 0.02 inch orifice high-flow
      • Vacuum pump stuck OFF
      B
      P043E EVAP pressure in step (b) below -4.85 kPa (-36.38 mmHg) 0.02 inch orifice clogged C
      P2419 EVAP pressure in step (a) more than -1.06 kPa (-7.95 mmHg) Vent valve stuck closed D
      (1) The DTCs related to the EVAP system are displayed on the intelligent tester when checking.

    B : Go to step   11 

    C : Go to step   30 

    D : Go to step   19 

    A : GO TO NEXT STEP. 

  7. PERFORM EVAP SYSTEM CHECK (STEP 2/5 TO 3/5) 
    Fig 7: Identifying EVAP System Chart(Step 2/5 To 3/5)
    G04027116Courtesy of © TOYOTA, LICENSE AGREEMENT TMS1002
    1. Check the EVAP pressure in step 3/5.

      Result 

      DIAGNOSTIC TROUBLE CODE CHART

      DTC No. (1) Test Results Suspected Trouble Areas Proceed to
      - EVAP pressure increases by 0.3 kPa (2.25 mmHg) or more within 10 seconds of proceeding from step 2/5 to step 3/5 Not yet determined A
      P2420 No variation in EVAP pressure despite proceeding from step 2/5 to step 3/5 Vent valve stuck open (vent) B
      P0451 No variation in EVAP pressure during steps 1/5 through 3/5 Pressure sensor malfunction (stuck) C
      (1) The DTCs related to the EVAP system are displayed on the intelligent tester when checking.

    B : Go to step   20 

    C : Go to step   30 

    A : GO TO NEXT STEP. 

  8. PERFORM EVAP SYSTEM CHECK (STEP 3/5) 
    Fig 8: Identifying EVAP System Chart (Step 3/5)
    G04027117Courtesy of © TOYOTA, LICENSE AGREEMENT TMS1002
    1. Wait until the EVAP pressure change is less than 0.1 kPa (0.75 mmHg) for 30 seconds.
    2. Measure the EVAP pressure and record it.

      HINT:

      A few minutes are required for the EVAP pressure to become saturated. When there is little fuel in the fuel tank, it takes up to 15 minutes.

    NEXT 

  9. PERFORM EVAP SYSTEM CHECK (STEP 4/5) 
    Fig 9: Identifying EVAP System Chart (Step 4/5)
    G04027118Courtesy of © TOYOTA, LICENSE AGREEMENT TMS1002
    1. Check the EVAP pressure in step 4/5.

      Result 

      DIAGNOSTIC TROUBLE CODE CHART

      DTC No. (1) Test Results Suspected Trouble Areas Proceed to
      - EVAP pressure increases by 0.3 kPa (2.25 mmHg) or more within 10 seconds of proceeding from step 3/5 to step 4/5 Not yet determined A
      P0441 EVAP pressure increases by 0.3 kPa (2.25 mmHg) or more within 10 seconds of proceeding from step 3/5 to step 4/5 Problems in EVAP hose between VSV (for EVAP) and intake manifold B
      P0441 Variation in EVAP pressure less than 0.3 kPa (2.25 mmHg) for 10 seconds, after proceeding from step 3/5 to step 4/5 VSV (for EVAP) stuck closed C
      (1) The DTCs related to the EVAP system are displayed on the intelligent tester when checking.

    B : Go to step   15 

    C : Go to step   12 

    A : GO TO NEXT STEP. 

  10. PERFORM EVAP SYSTEM CHECK (STEP 5/5) 
    Fig 10: Identifying EVAP System Chart (Step 5/5)
    G04027119Courtesy of © TOYOTA, LICENSE AGREEMENT TMS1002
    1. Check the EVAP pressure in step 5/5.
    2. Compare the EVAP pressure in step 3/5 and the second 0.02 inch leak pressure standard (step 5/5).

      Result 

      DIAGNOSTIC TROUBLE CODE CHART

      DTC No. (1) Test Results Suspected Trouble Areas Proceed to
      - EVAP pressure (step 3/5) lower than second 0.02 inch leak pressure standard (step 5/5) Not yet determined A
      P0441 and P0455 EVAP pressure (step 3/5) higher than [second 0.02 inch leak pressure standard (step 5/5) x 0.2]
      • VSV (for EVAP) stuck open
      • EVAP gross leak
      B
      P0456 EVAP pressure (step 3/5) higher than second 0.02 inch leak pressure standard (step 5/5) EVAP small leak C
      (1) The DTCs related to the EVAP system are displayed on the intelligent tester when checking.

    A : Go to step   36 

    B : Go to step   12 

  11. PERFORM EVAP SYSTEM CHECK (STEP 3/5) 
    Fig 11: Identifying EVAP System Chart (Step 3/5)
    G04027120Courtesy of © TOYOTA, LICENSE AGREEMENT TMS1002
    1. Check the EVAP pressure in step 3/5.

      Result 

      DIAGNOSTIC TROUBLE CODE CHART

      DTC No.(1) Test Results Suspected Trouble Areas Proceed to
      P043F EVAP pressure less than [0.02 inch leak pressure standard] measured at 2/5 0.02 inch orifice high-flow A
      P2401 EVAP pressure almost same as [0.02 inch leak pressure standard] measured at 2/5 Vacuum pump stuck OFF B
      (1) The DTCs related to the EVAP system are displayed on the intelligent tester when checking.

      HINT:

      The first 0.02 inch leak pressure standard is the value determined in step 2/5.

    A : Go to step   30 

    B : Go to step   23 

  12. PERFORM ACTIVE TEST USING INTELLIGENT TESTER (VSV (for EVAP)) 
    1. Enter the following menus: DIAGNOSIS / ENHANCED OBD II / ACTIVE TEST / VSV (for EVAP).
    2. Disconnect the hose (connected to the canister) from the VSV (for EVAP).
    3. Turn the engine switch on (IG).
    4. Using the tester, turn the VSV (for EVAP) OFF.
    5. Use your finger to confirm that the VSV (for EVAP) has no suction.
    6. Using the tester, turn the VSV (for EVAP) ON.
    7. Use your finger to confirm that the VSV (for EVAP) has suction.
      Fig 12: Identifying Hose (Connected To Canister) From VSV
      G04027121Courtesy of © TOYOTA, LICENSE AGREEMENT TMS1002

      Result 

      TEST RESULT CHART

      Test Results Suspected Trouble Areas Proceed to
      No suction when VSV (for EVAP) turned OFF, and suction applied when turned ON VSV (for EVAP) normal A
      Suction applied when VSV (for EVAP) turned OFF VSV (for EVAP) stuck open B
      No suction when VSV (for EVAP) turned ON
      • VSV (for EVAP) stuck closed
      • Problems with EVAP hose between VSV (for EVAP) and intake manifold
      C

    B : Go to step   14 

    C : Go to step   15 

    A : GO TO NEXT STEP. 

  13. CHECK FUEL TANK CAP 
    1. Check that the fuel tank cap is correctly installed.
    2. Confirm that the fuel tank cap is tightened until a few click sounds are heard.

      HINT:

      If an EVAP tester is available, check the fuel tank cap using the tester.

      1. Remove the fuel tank cap and install it onto the fuel tank cap adaptor.
      2. Connect an EVAP tester pump hose to the adaptor, and pressurize the cap to 3.2 to 3.7 kPa (24 to 28 mmHg) using an EVAP tester pump.
      3. Seal the adaptor and wait for 2 minutes.
      4. Check the pressure. If the pressure is 2 kPa (15 mmHg) or more, the fuel tank cap is normal.

        Result 

        TEST RESULT CHART

        Test Results Suspected Trouble Areas Proceed to
        Fuel tank cap correctly installed - A
        Fuel tank cap loose
        • Fuel tank cap improperly installed
        • Defective fuel tank cap
        • Fuel tank cap does not meet OEM specifications
        B
        No fuel tank cap - B

    A : Go to step   29 

    B : Go to step   27 

    C : Go to step   28 

  14. INSPECT DUTY VACUUM SWITCHING VALVE (VSV (for EVAP)) 
    1. Turn the engine switch off.
    2. Disconnect the E18 VSV (for EVAP) connector.
    3. Disconnect the hose (connected to the canister) from the VSV (for EVAP).
    4. Turn the engine switch on (IG).
    5. Use your finger to confirm that the VSV (for EVAP) has no suction.
      Fig 13: Inspecting Duty Vacuum Switching Valve (VSV (For EVAP))
      G04027122Courtesy of © TOYOTA, LICENSE AGREEMENT TMS1002

      Result 

      TEST RESULT CHART

      Test Results Suspected Trouble Areas Proceed to
      No suction ECM A
      Suction applied VSV (for EVAP) B

    A : Go to step   35 

    B : Go to step   31 

  15. CHECK EVAP HOSE (VSV (for EVAP) - INTAKE MANIFOLD) 
    1. Disconnect the hose (connected to the intake manifold) from the VSV (for EVAP).
    2. Turn the engine switch on (IG).
    3. Use your finger to confirm that the hose has suction.
      Fig 14: Identifying Hose (Connected To Intake Manifold) From VSV
      G04027123Courtesy of © TOYOTA, LICENSE AGREEMENT TMS1002

      Result 

      TEST RESULT CHART

      Test Results Suspected Trouble Areas Proceed to
      Suction applied EVAP hose between VSV (for EVAP) and intake manifold normal A
      No suction
      • Intake manifold port
      • EVAP hose between VSV (for EVAP) and intake manifold
      B

    B : Go to step   26 

    A : GO TO NEXT STEP. 

  16. INSPECT DUTY VACUUM SWITCHING VALVE (VSV (for EVAP)) 
    1. Remove the VSV (for EVAP) connector.
    2. Apply battery voltage to the terminals of the VSV (for EVAP).
    3. Using an air gun, confirm that air flows from port A to port B.
      Fig 15: Identifying VSV (For EVAP) Connector
      G04027124Courtesy of © TOYOTA, LICENSE AGREEMENT TMS1002

      Result 

      TEST RESULT CHART

      Test Results Suspected Trouble Areas Proceed to
      Air flows VSV (for EVAP) normal A
      No air flows VSV (for EVAP) B

    B : Go to step   31 

    A : GO TO NEXT STEP. 

  17. CHECK WIRE HARNESS (POWER SOURCE OF VSV (for EVAP)) 
    1. Disconnect the E18 VSV (for EVAP) connector.
    2. Turn the engine switch on (IG).
    3. Measure the voltage between terminal 1 of the VSV (for EVAP) connector and the body ground.
      Fig 16: Identifying E18 VSV (For EVAP) Connector
      G04027125Courtesy of © TOYOTA, LICENSE AGREEMENT TMS1002

      Result 

      TEST RESULT CHART

      Test Results Suspected Trouble Areas Proceed to
      Between 11 V and 14 V Normal A
      Other than result above Wire harness or connectors between VSV (for EVAP) and ECM B

    B : Go to step   32 

    A : GO TO NEXT STEP. 

  18. CHECK WIRE HARNESS (VSV (for EVAP) - ECM) 
    1. Disconnect the E18 VSV (for EVAP) connector.
    2. Disconnect the E8 ECM connector.
    3. Measure the resistance of the wire harness side connectors.
      Fig 17: Identifying E18 VSV (For EVAP) Connector
      G04027126Courtesy of © TOYOTA, LICENSE AGREEMENT TMS1002

      Standard resistance 

      TESTER CONNECTION AND SPECIFIED CONDITION CHART

      Tester Connections Specified Conditions
      E18-1 - E8-11 (PRG) Below 1 Ω
      E18-1 or E8-11 (PRG) - Body ground 10 kΩ or higher

    OK : Go to step   35 

    NG : Go to step   32 

  19. PERFORM ACTIVE TEST USING INTELLIGENT TESTER (FOR VENT VALVE) 
    1. Turn the engine switch on (IG).
    2. Enter the following menus: DIAGNOSIS / ENHANCED OBD II / ACTIVE TEST / VENT VALVE (ALONE).
    3. Measure the voltage between terminal VPMP of the ECM connector and the body ground when the vent valve is turned ON (close) and OFF (vent) using the tester.
      Fig 18: Measuring Voltage Between Terminal VPMP Of ECM Connector
      G04027127Courtesy of © TOYOTA, LICENSE AGREEMENT TMS1002

      Result 

      TEST RESULT CHART

      Test Results Suspected Trouble Areas Proceed to
      Between 9 V and 14 V when OFF Below 3 V when ON Vent valve A
      Below 3 V when OFF and ON ECM B

    A : Go to step   22 

    B : Go to step   35 

  20. PERFORM ACTIVE TEST USING INTELLIGENT TESTER (FOR VENT VALVE) 
    1. Turn the engine switch on (IG).
    2. Enter the following menus: DIAGNOSIS / ENHANCED OBD II / ACTIVE TEST / VENT VALVE (ALONE).
    3. Measure the voltage between terminal VPMP of the ECM connector and the body ground when the vent valve is turned ON (close) and OFF (vent) using the tester.
      Fig 19: Measuring Voltage Between Terminal VPMP Of ECM Connector And Body Ground
      G04027128Courtesy of © TOYOTA, LICENSE AGREEMENT TMS1002

      Result 

      TEST RESULT CHART

      Test Results Suspected Trouble Areas Proceed to
      Below 3 V when OFF and ON Power source of vent valve A
      Between 9 V and 14 V when OFF Below 3 V when ON Vent valve B
      Between 9 V and 14 V when OFF and ON ECM C

    B : Go to step   22 

    C : Go to step   35 

    A : GO TO NEXT STEP. 

  21. INSPECT PUMP MODULE (POWER SOURCE FOR VENT VALVE) 
    1. Turn the engine switch off.
    2. Disconnect the V17 canister connector.
    3. Turn the engine switch on (IG).
    4. Measure the voltage between terminal 9 of the canister connector and the body ground.
      Fig 20: Measuring Voltage Between Terminal Of Canister Connector And Body Ground
      G04027129Courtesy of © TOYOTA, LICENSE AGREEMENT TMS1002

      Result 

      TEST RESULT CHART

      Test Results Suspected Trouble Areas Proceed to
      Between 9 V and 14 V Normal A
      Between 0 V and 3 V Power source wire harness of vent valve B

    B : Go to step   32 

    A : GO TO NEXT STEP. 

  22. INSPECT PUMP MODULE (VENT VALVE OPERATION) 
    1. Turn the engine switch off.
    2. Disconnect the V17 canister connector.
    3. Apply the battery voltage to terminals 9 and 8 of the pump module.
    4. Touch the pump module to confirm the vent valve operation.
      Fig 21: Applying Battery Voltage To Terminals 9 And 8 Of Pump Module
      G04027130Courtesy of © TOYOTA, LICENSE AGREEMENT TMS1002

      Result 

      TEST RESULT CHART

      Test Results Suspected Trouble Areas Proceed to
      Operating Wire harness between vent valve and ECM A
      Not operating Vent valve B

    A : Go to step   32 

    B : Go to step   30 

  23. PERFORM ACTIVE TEST USING INTELLIGENT TESTER (FOR PUMP MODULE (VACUUM CAP)) 
    1. Enter the following menus: DIAGNOSIS / ENHANCED OBD II / ACTIVE TEST / VACUUM PUMP (ALONE).
    2. Measure the voltage between MPMP terminal of ECM connector and the body ground when the vacuum pump is turned ON and OFF using the tester.
      Fig 22: Measuring Voltage Between MPMP Terminal Of ECM Connector And Body Ground
      G04027131Courtesy of © TOYOTA, LICENSE AGREEMENT TMS1002

      Result 

      TEST RESULT CHART

      Test Results Suspected Trouble Areas Proceed to
      Between 0 V and 3 V when OFF Between 9 V and 14 V when ON ECM normal A
      Between 9 V and 14 V when OFF Between 0 V and 3 V when ON ECM B

    B : Go to step   35 

    A : GO TO NEXT STEP. 

  24. CHECK WIRE HARNESS (PUMP MODULE - ECM) 
    1. Turn the engine switch off.
    2. Disconnect the V17 canister connector.
    3. Turn the engine switch on (IG).
    4. Enter the following menus: DIAGNOSIS / ENHANCED OBD II / ACTIVE TEST / VACUUM PUMP (ALONE).
    5. Turn the vacuum pump ON.
    6. Measure the voltage between terminal 1 of the canister connector and the body ground.
      Fig 23: Measuring Voltage Between Terminal Of Canister Connector And Body Ground
      G04027132Courtesy of © TOYOTA, LICENSE AGREEMENT TMS1002

      Result 

      TEST RESULT CHART

      Test Results Suspected Trouble Areas Proceed to
      Between 9 V and 14 V Normal A
      Between 0 V and 3 V Wire harness between ECM and vacuum pump B

    B : Go to step   32 

    A : GO TO NEXT STEP. 

  25. CHECK WIRE HARNESS (PUMP MODULE - GROUND) 
    1. Disconnect the V17 canister connector.
    2. Turn the engine switch off.
    3. Measure the resistance of the wire harness side connectors between terminal 6 of the canister connector and the body ground.
      Fig 24: Measuring Resistance Of Wire Harness Side Connectors Between Terminal 6 Of Canister Connector And Body Ground
      G04027133Courtesy of © TOYOTA, LICENSE AGREEMENT TMS1002

      Result 

      TEST RESULT CHART

      Test Results Suspected Trouble Areas Proceed to
      Below 1 Ω Vacuum pump A
      10 kΩ or higher Wire harness between vacuum pump and body ground B

    A : Go to step   30 

    B : Go to step   32 

  26. INSPECT INTAKE MANIFOLD (EVAP PURGE PORT) 
    1. Turn the engine switch off.
    2. Disconnect the EVAP hose from the intake manifold.
    3. Turn the engine switch on (IG).
    4. Use your finger to confirm that the port of the intake manifold has suction.

      Result 

      TEST RESULT CHART

      Test Results Suspected Trouble Areas Proceed to
      Suction applied EVAP hose between intake manifold and VSV (for EVAP) A
      No suction Intake manifold B

    A : Go to step   33 

    B : Go to step   34 

  27. CORRECTLY REINSTALL OR REPLACE FUEL TANK CAP 

    HINT:

    • When reinstalling the fuel tank cap, tighten it until a few click sounds are heard.
    • When replacing the fuel tank cap, use a fuel tank cap that meets OEM specifications, and install it until a few click sounds are heard.

    NEXT : Go to step   37 

  28. REPLACE FUEL TANK CAP 

    HINT:

    When installing the fuel tank cap, tighten it until a few "click" sounds are heard.

    NEXT : Go to step   37 

  29. REPAIR EVAP LEAKING PART 
    1. Reinstall the fuel tank cap.
    2. Using SST, pinch the atmospheric side hose of the pump module to close the canister passage to air.
    3. Connect a pressure gauge (SST) to the service port (green cap near the air cleaner box).
    4. Pressurize the EVAP system to 3.2 to 3.7 kPa (24 to 28 mmHg).
    5. Apply soapy water to the piping and connecting parts of the EVAP system. Look for areas where bubbles appear. This indicates leaking parts.
    6. Repair or replace leaking point.

      HINT:

      Disconnect the hose between the canister and the fuel tank from the canister. Close the canister hose connected to the fuel tank, and conduct an inspection. In this way, the fuel tank can be excluded as an area suspected of causing fuel leaks.

      Fig 25: Pinching Atmospheric Side Hose Of Pump Module
      G04027134Courtesy of © TOYOTA, LICENSE AGREEMENT TMS1002

    NEXT : Go to step   37 

  30. REPLACE CANISTER 

    NEXT : Go to step   37 

  31. REPLACE DUTY VACUUM SWITCHING VALVE (VSV (for EVAP)) 
    1. Disconnect the connector and hoses from the VSV (for EVAP).
    2. Remove the VSV (for EVAP).
    3. Install a new VSV (for EVAP).
      Fig 26: Identifying Connector And Hoses From VSV
      G04027135Courtesy of © TOYOTA, LICENSE AGREEMENT TMS1002

    NEXT : Go to step   37 

  32. REPAIR OR REPLACE HARNESS AND CONNECTOR 

    NEXT : Go to step   37 

  33. REPLACE EVAP HOSE (INTAKE MANIFOLD - VSV (for EVAP)) 

    NEXT : Go to step   37 

  34. INSPECT INTAKE MANIFOLD (EVAP PURGE PORT) 
    1. Check that the EVAP purge port of the intake manifold is not clogged. If necessary, replace the intake manifold.

    NEXT : Go to step   37 

  35. REPLACE ECM 

    NEXT : Go to step   37 

  36. REPAIR OR REPLACE PARTS AND COMPONENTS INDICATED BY OUTPUT DTCS 
    1. Repair the malfunctioning areas indicated by the DTCs that had been confirmed when the vehicle was brought in.

    NEXT : Go to step   37 

  37. PERFORM EVAP SYSTEM CHECK (AUTO OPERATION) 

    HINT:

    • In the EVAP SYSTEM CHECK (AUTO OPERATION), the series of 5 EVAP SYSTEM CHECK steps are performed automatically. It takes a maximum of approximately 18 minutes.
    • Do not perform the EVAP SYSTEM CHECK when the fuel tank is more than 90% full because the cut-off valve may be closed, making the leak check of the fuel tank unavailable.
    • Do not run the engine in this step.
    • When the temperature of the fuel is 35°C (95°F) or more, a large amount of vapor forms and any check results become inaccurate. When performing an EVAP SYSTEM CHECK, keep the temperature below 35°C (95°F).
    1. Clear the DTCs (see DIAGNOSIS SYSTEM  ).
    2. Enter the following menus: DIAGNOSIS / ENHANCED OBD II / SYSTEM CHECK / EVAP SYS CHECK / AUTO OPERATION.
    3. After the SYSTEM CHECK is completed, check for pending DTCs by entering the following menus: DIAGNOSIS / ENHANCED OBD II / DTC INFO / PENDING CODES.

      HINT:

      If no pending DTC is found, the repair has been successfully completed.

    NEXT: COMPLETED