LEMON Manuals: Even more car manuals for everyone: 1960-2025
Home >> Lexus >> 2006 >> GS 430 >> Repair and Diagnosis >> Engine Performance >> System >> Engine Control System (3UZ-FE) >> SFI System >> Fuel Pump Control Circuit >> Wiring Diagram
April 5, 2026: LEMON Manuals is launched! Read the announcement.

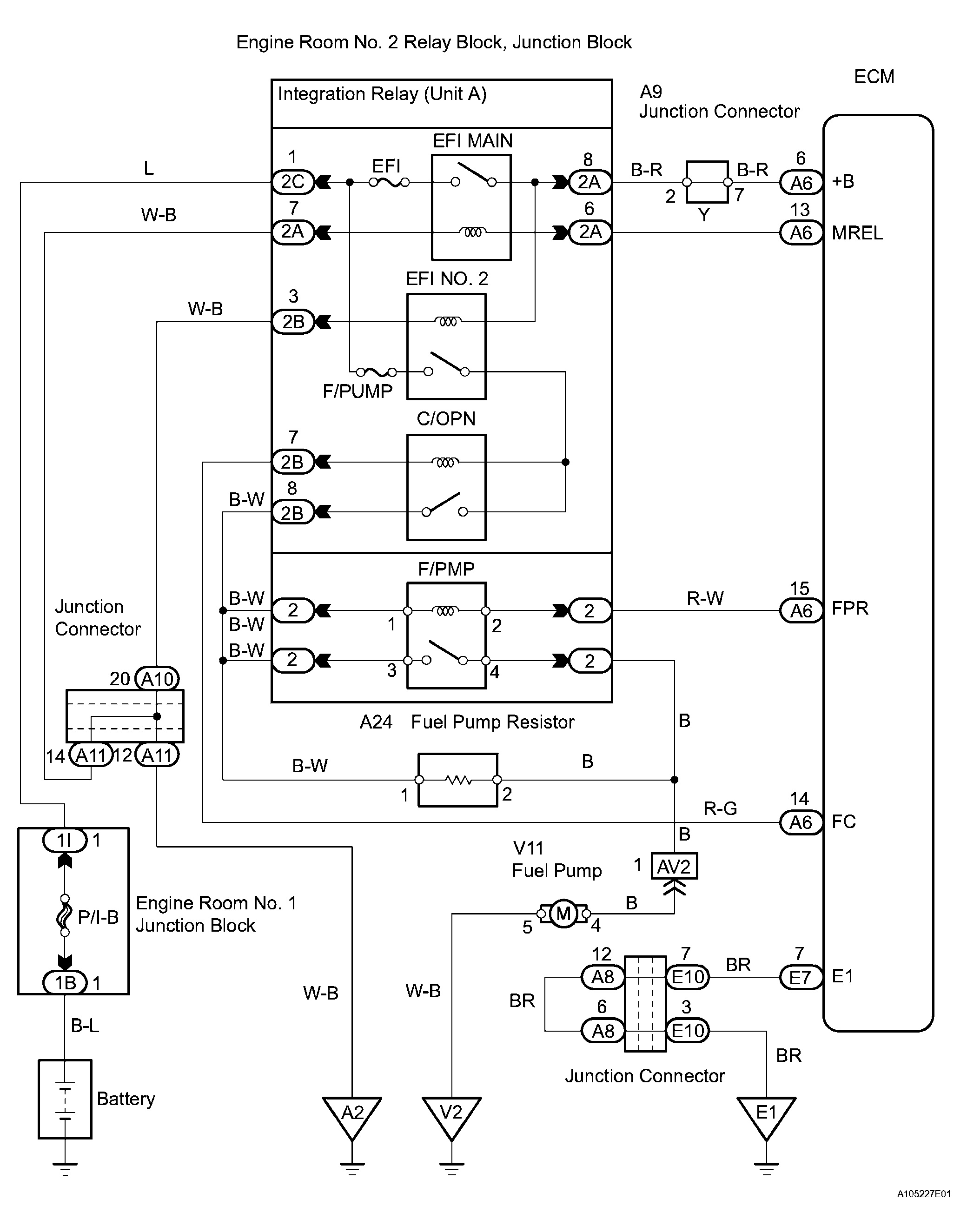
Fuel Pump Control Circuit: Wiring Diagram

Fig 1: Identifying Fuel Pump Control Circuit Wiring Diagram (2 Of 2)
G04027149Courtesy of © TOYOTA, LICENSE AGREEMENT TMS1002

This troubleshooting procedure is based on the premise that the engine is started. If the engine is not started, proceed to PROBLEM SYMPTOMS TABLE .

  1. CHECK FUEL PUMP OPERATION 
    1. Check if there is pressure in the fuel inlet hose.

      HINT:

      If there is fuel pressure, you will hear the sound of fuel flowing.

    OK : Go to step   12 

    NG : GO TO NEXT STEP. 

  2. PERFORM ACTIVE TEST (OPERATE C/OPN RELAY) 
    1. Connect the intelligent tester to the CAN VIM. Then connect the CAN VIM to the DLC3.
    2. Turn the engine switch on (IG) and turn the tester ON.
    3. Enter the following menus: DIAGNOSIS / ENHANCED OBD II / ACTIVE TEST / FUEL PUMP / SPD.
    4. Check the relay operation while operating it using the tester.

      OK: 

      Operating noise can be heard from the relay. 

    OK : Go to step   8 

    NG : GO TO NEXT STEP. 

  3. INSPECT ECM POWER SOURCE CIRCUIT 

    NG : CHECK ENGINE TO DETERMINE CAUSE OF LOW COMPRESSION 

    OK : GO TO NEXT STEP. 

  4. INSPECT FUSE (F/PUMP) 
    1. Remove the F/PUMP fuse from the engine room No. 2 junction block.
    2. Measure the resistance of the fuse.
      Fig 2: Identifying F/Pump Fuse From Engine Room Junction Block
      G04027150Courtesy of © TOYOTA, LICENSE AGREEMENT TMS1002

      Standard resistance: 

      Below 1 Ω 

    NG : REPLACE FUSE 

    OK : GO TO NEXT STEP. 

  5. INSPECT INTEGRATION RELAY (Marking EFI NO. 2) 
    1. Remove the integration relay from the engine room No. 2 junction block.
    2. Measure the resistance of the EFI NO. 2 relay.
      Fig 3: Identifying Integration Relay At Engine Room Junction Block
      G04026951Courtesy of © TOYOTA, LICENSE AGREEMENT TMS1002

      Standard resistance 

      TESTER CONNECTION AND SPECIFIED CONDITION CHART

      Terminal Connections Specified Condition
      2B-8 - 2C-1 10 kΩ or higher
      2B-8 - 2C-1 Below 1 Ω (when battery voltage is applied to terminals 2A-8 and 2B-3)

    NG : REPLACE INTEGRATION RELAY 

    OK : GO TO NEXT STEP. 

  6. INSPECT INTEGRATION RELAY (Marking C/OPN) 
    1. Remove the integration relay from the engine room No. 2 junction block.
    2. Inspect the C/OPN relay.
      Fig 4: Identifying Integration Relay At Engine Room Junction Block
      G04026951Courtesy of © TOYOTA, LICENSE AGREEMENT TMS1002

      Standard resistance 

      TESTER CONNECTION AND SPECIFIED CONDITION CHART

      Terminal Connections Specified Condition
      2B-8 - 2C-1 10 kΩ or higher
      2B-8 - 2C-1 Below 1 Ω (when battery voltage is applied to terminals 2B-7 and 2C-1)

    NG : REPLACE INTEGRATION RELAY 

    OK : GO TO NEXT STEP. 

  7. CHECK ECM (FC VOLTAGE) 
    1. Turn the engine switch on (IG).
    2. Measure the voltage of the ECM connector.
      Fig 5: Measuring Voltage Of ECM Connector
      G04027153Courtesy of © TOYOTA, LICENSE AGREEMENT TMS1002

      Standard voltage 

      TESTER CONNECTION AND SPECIFIED CONDITION CHART

      Tester Connection Specified Condition
      A6-14 (FC) - E7-7 (E1) 9 to 14 V

    NG : REPLACE ECM 

    OK : REPAIR OR REPLACE HARNESS AND CONNECTOR (ECM - C/OPN RELAY) 

  8. INSPECT RELAY (Marking: F/PMP) 
    1. Remove the F/PMP relay from the engine room No. 2 relay block.
    2. Measure the resistance of the relay.
      Fig 6: Identifying F/PMP Relay From Engine Room Relay Block
      G04027154Courtesy of © TOYOTA, LICENSE AGREEMENT TMS1002

      Standard resistance 

      TESTER CONNECTION AND SPECIFIED CONDITION CHART

      Tester Connection Specified Condition
      3 - 4 Below 1 Ω
      3 - 4 10 kΩ or more (when battery voltage is applied to terminals 1 and 2)

    NG : REPLACE RELAY 

    OK : GO TO NEXT STEP. 

  9. INSPECT FUEL PUMP 
    1. Check the resistance of the fuel pump.
      1. Measure the resistance between terminals 4 and 5.

        Standard resistance: 

        0.2 to 3.0 Ω at 20°C (68°F) 

    2. Check operation of the fuel pump.
      1. Apply battery voltage to both terminals. Check that the pump operates.
        Fig 7: Measuring Resistance Between Terminals 4 And 5
        G04027155Courtesy of © TOYOTA, LICENSE AGREEMENT TMS1002
        NOTE:
        • These tests must be done quickly (within 10 seconds) to prevent the coil from burning out.
        • Keep fuel pump as far away from the battery as possible.
        CAUTION: Always turn the voltage on and off on the battery side, not the fuel pump side.

    NG : REPLACE FUEL PUMP 

    OK : GO TO NEXT STEP. 

  10. CHECK WIRE HARNESS (FUEL PUMP - F/PMP RELAY, FUEL PUMP - BODY GROUND) 
    1. Check the wire harness between the fuel pump and F/ PMP relay.
      1. Disconnect the V11 fuel pump connector.
      2. Remove the F/PMP relay from the engine room No. 2 relay block.
      3. Measure the resistance of the wire harness side connectors.
        Fig 8: Identifying F/PMP Relay From Engine Room Relay Block
        G04027156Courtesy of © TOYOTA, LICENSE AGREEMENT TMS1002

        Standard resistance 

        TESTER CONNECTION AND SPECIFIED CONDITION CHART

        Tester Connection Specified Condition
        V11-4 - Relay block F/PMP relay terminal 4 Below 1 Ω
        V11-4 or Relay block F/PMP relay terminal 4 - Body ground 10 kΩ or higher
    2. Check the wire harness between the fuel pump and body ground.
      1. Disconnect the V11 fuel pump connector.
      2. Measure the resistance of the wire harness side connector.

        Standard resistance 

        TESTER CONNECTION AND SPECIFIED CONDITION CHART

        Tester Connection Specified Condition
        V11-4 - Body ground Below 1 Ω

    NG : REPAIR OR REPLACE HARNESS AND CONNECTOR 

    OK : GO TO NEXT STEP. 

  11. CHECK WIRE HARNESS (INTEGRATION RELAY - FUEL PUMP RELAY) 
    1. Remove the integration relay from the engine room No. 2 junction block.
    2. Remove the F/PMP relay from the engine room No. 2 relay block.
    3. Measure the resistance of the wire harness side connector.
      Fig 9: Identifying F/PMP Relay From Engine Room Relay Block
      G04027157Courtesy of © TOYOTA, LICENSE AGREEMENT TMS1002

      Standard resistance 

      TESTER CONNECTION AND SPECIFIED CONDITION CHART

      Tester Connection Specified Condition
      2B-8 - Relay block F/PMP relay terminal 1 Below 1 Ω
      2B-8 - Relay block F/PMP relay terminal 3 Below 1 Ω
      2B-8 or Relay block F/PMP relay terminal 1 - Body ground 10 kΩ or higher
      2B-8 or Relay block F/PMP relay terminal 3 - Body ground 10 kΩ or higher

    NG : REPAIR OR REPLACE HARNESS AND CONNECTOR 

    OK : REPLACE INTEGRATION RELAY 

  12. INSPECT RELAY (Marking: F/PMP) 
    1. Remove the F/PMP relay from the engine room No. 2 relay block.
    2. Measure the resistance of the relay.
      Fig 10: Measuring Resistance Of Relay
      G04027158Courtesy of © TOYOTA, LICENSE AGREEMENT TMS1002

      Standard resistance 

      TESTER CONNECTION AND SPECIFIED CONDITION CHART

      Tester Connection Specified Condition
      3 - 4 Below 1 Ω
      3 - 4 10 kΩ or higher (when battery voltage is applied to terminals 1 and 2)

    NG : REPLACE RELAY 

    OK : GO TO NEXT STEP. 

  13. INSPECT FUEL PUMP RESISTOR 
    1. Measure the resistance of the fuel pump resistor.
      Fig 11: Measuring Resistance Of Fuel Pump Resistor
      G04027159Courtesy of © TOYOTA, LICENSE AGREEMENT TMS1002

      Standard resistance: 

      0.30 to 0.34 Ω at 20°C (68°F) 

    NG : REPLACE FUEL PUMP RESISTOR 

    OK : GO TO NEXT STEP. 

  14. CHECK WIRE HARNESS (F/PMP RELAY - FUEL PUMP RESISTOR) 
    1. Remove the F/PMP relay from the engine room No. 2 relay block.
    2. Disconnect the A24 fuel pump resistor connector.
    3. Measure the resistance of the wire harness side connectors.
      Fig 12: Identifying F/PMP Relay From Engine Room Relay Block
      G04027160Courtesy of © TOYOTA, LICENSE AGREEMENT TMS1002

      Standard resistance 

      TESTER CONNECTION AND SPECIFIED CONDITION CHART

      Tester Connection Specified Condition
      Relay block F/PMP relay terminal 4 - A24-2 Below 1 Ω
      Relay block F/PMP relay terminal 3 - A24-1 Below 1 Ω
      Relay block F/PMP relay terminal 4 or A24-2 - Body ground 10 kΩ or higher
      Relay block F/PMP relay terminal 3 or A24-1 - Body ground 10 kΩ or higher

    NG : PROCEED TO NEXT CIRCUIT INSPECTION SHOWN ON  PROBLEM SYMPTOMS TABLE  

    OK : REPAIR OR REPLACE HARNESS AND CONNECTOR