LEMON Manuals: Even more car manuals for everyone: 1960-2025
Home >> Lexus >> 2006 >> GX 470 >> Repair and Diagnosis (Single Page) >> Electrical >> Body Electrical >> OEM System Circuits >> Cruise Control >> Notes
April 5, 2026: LEMON Manuals is launched! Read the announcement.

Cruise Control: Notes

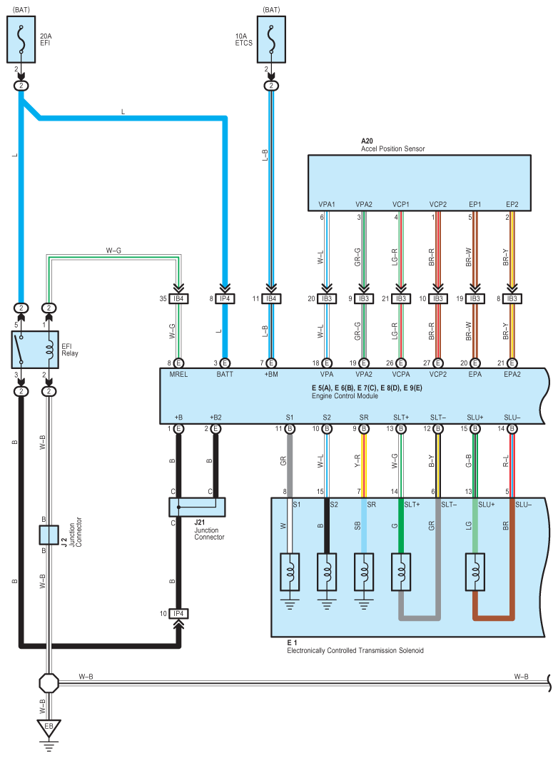
Fig 1: Cruise Control Wiring Diagram (1 Of 4)
G08910113Courtesy of © TOYOTA, LICENSE AGREEMENT TMS1002
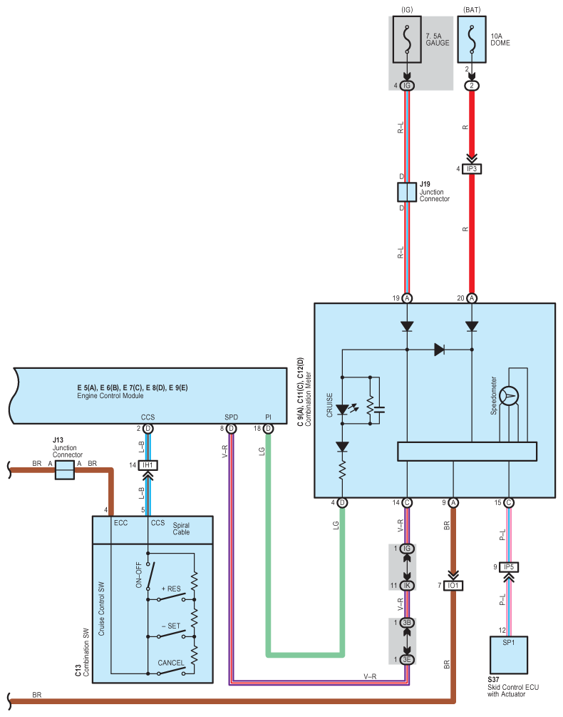
Fig 2: Cruise Control Wiring Diagram (2 Of 4)
G08910114Courtesy of © TOYOTA, LICENSE AGREEMENT TMS1002
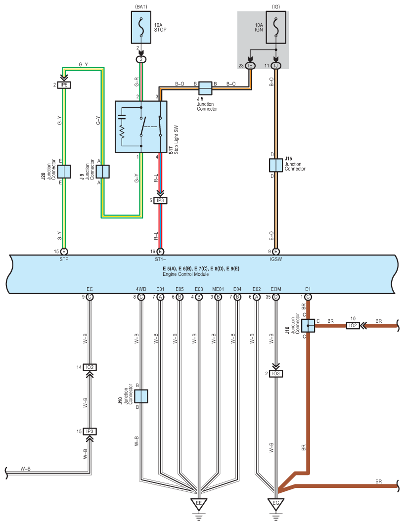
Fig 3: Cruise Control Wiring Diagram (3 Of 4)
G08910115Courtesy of © TOYOTA, LICENSE AGREEMENT TMS1002
Fig 4: Cruise Control Wiring Diagram (4 Of 4)
G08910116Courtesy of © TOYOTA, LICENSE AGREEMENT TMS1002