LEMON Manuals: Even more car manuals for everyone: 1960-2025
Home >> Lexus >> 2006 >> GX 470 >> Repair and Diagnosis (Single Page) >> Electrical >> Body Electrical >> OEM System Circuits >> Power Window >> Notes
April 5, 2026: LEMON Manuals is launched! Read the announcement.

Power Window: Notes

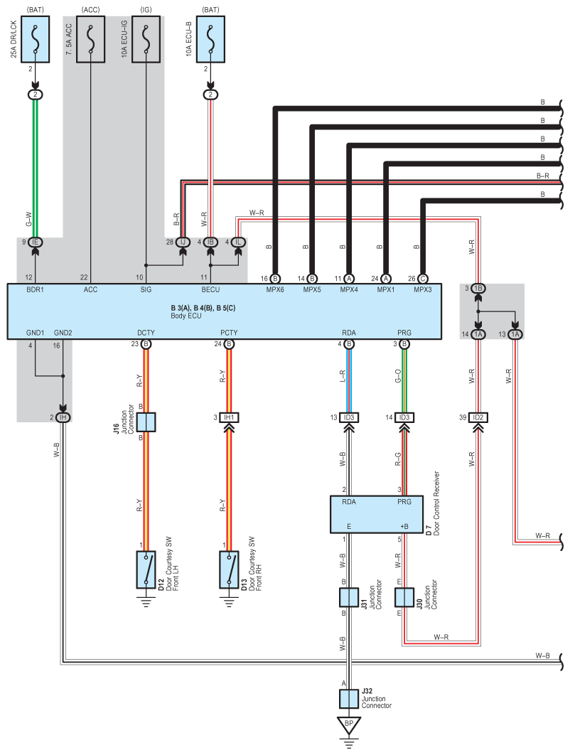
Fig 1: Power Window Wiring Diagram (1 Of 5)
G08910087Courtesy of © TOYOTA, LICENSE AGREEMENT TMS1002
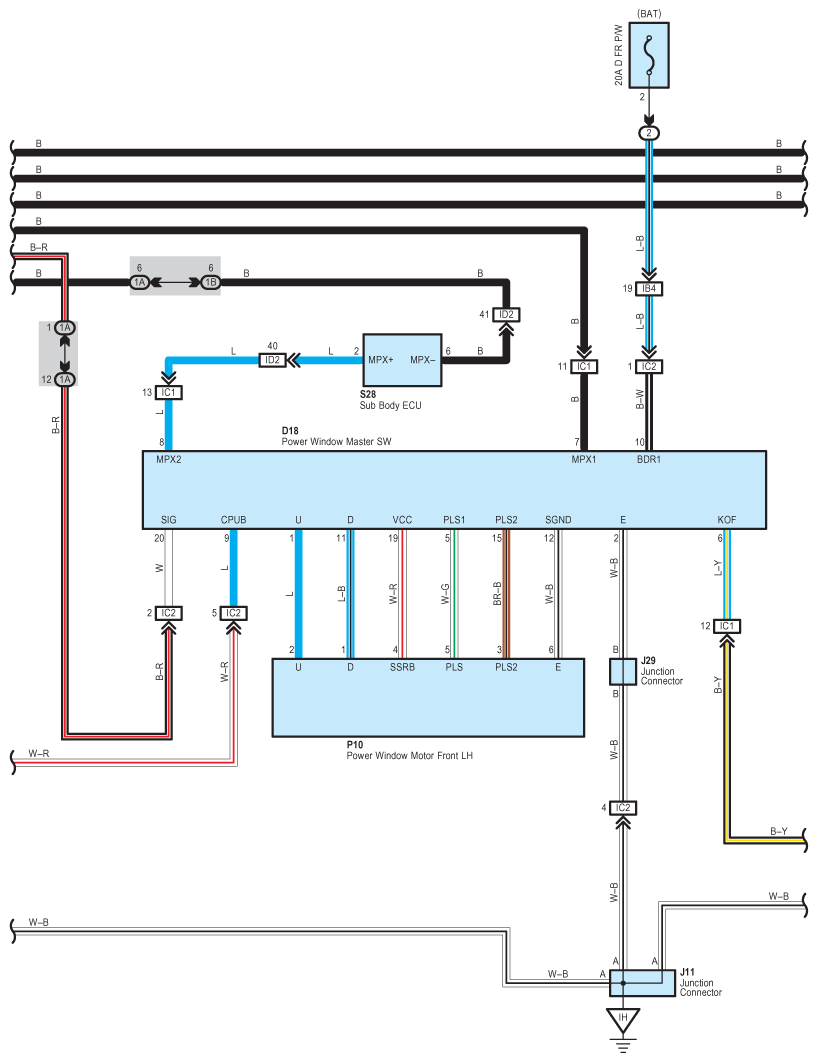
Fig 2: Power Window Wiring Diagram (2 Of 5)
G08910088Courtesy of © TOYOTA, LICENSE AGREEMENT TMS1002
Fig 3: Power Window Wiring Diagram (3 Of 5)
G08910089Courtesy of © TOYOTA, LICENSE AGREEMENT TMS1002
Fig 4: Power Window Wiring Diagram (4 Of 5)
G08910090Courtesy of © TOYOTA, LICENSE AGREEMENT TMS1002
Fig 5: Power Window Wiring Diagram (5 Of 5)
G08910091Courtesy of © TOYOTA, LICENSE AGREEMENT TMS1002