LEMON Manuals: Even more car manuals for everyone: 1960-2025
Home >> Lexus >> 2006 >> GX 470 >> Repair and Diagnosis >> Electrical >> Body Electrical >> OEM System Circuits >> Interior Light >> Notes
April 5, 2026: LEMON Manuals is launched! Read the announcement.

Interior Light: Notes

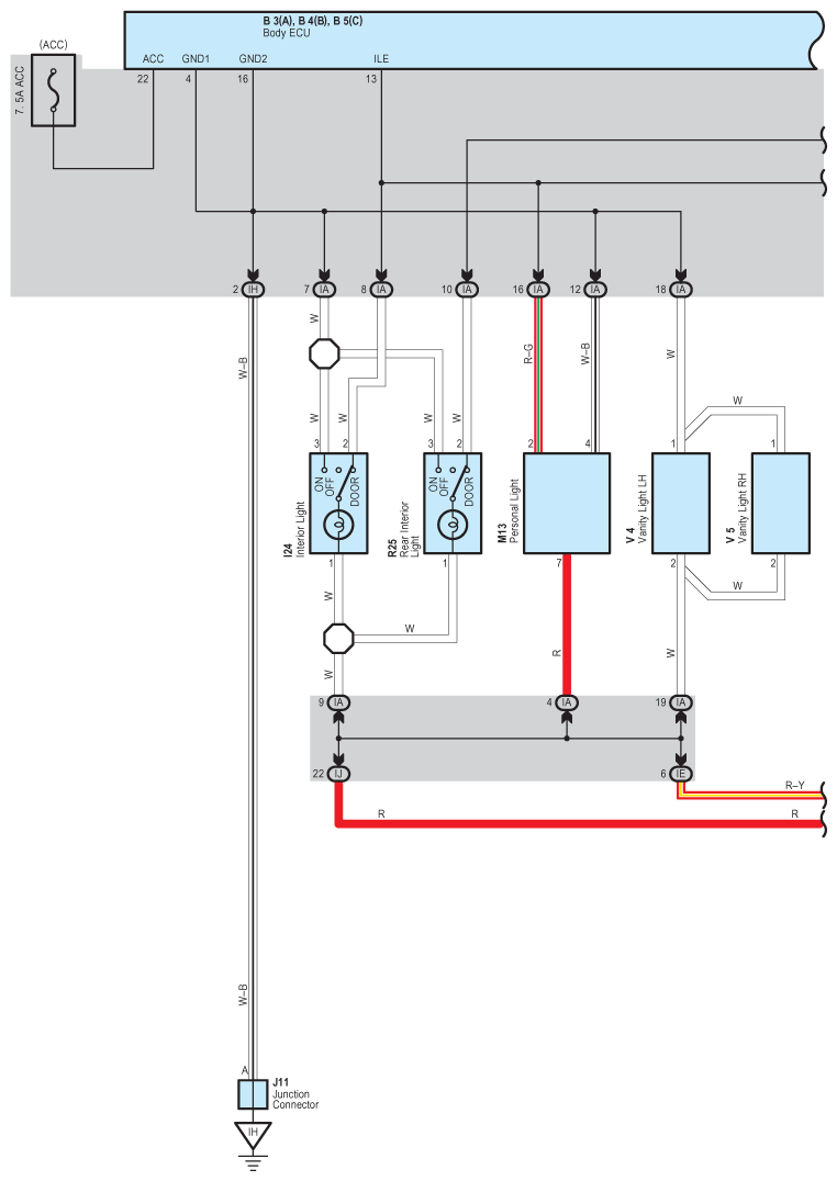
Fig 1: Interior Light Wiring Diagram (1 Of 6)
G08910060Courtesy of © TOYOTA, LICENSE AGREEMENT TMS1002
Fig 2: Interior Light Wiring Diagram (2 Of 6)
G08910061Courtesy of © TOYOTA, LICENSE AGREEMENT TMS1002
Fig 3: Interior Light Wiring Diagram (3 Of 6)
G08910062Courtesy of © TOYOTA, LICENSE AGREEMENT TMS1002
Fig 4: Interior Light Wiring Diagram (4 Of 6)
G08910063Courtesy of © TOYOTA, LICENSE AGREEMENT TMS1002
Fig 5: Interior Light Wiring Diagram (5 Of 6)
G08910064Courtesy of © TOYOTA, LICENSE AGREEMENT TMS1002
Fig 6: Interior Light Wiring Diagram (6 Of 6)
G08910065Courtesy of © TOYOTA, LICENSE AGREEMENT TMS1002